How to replace alternator

Tiny
CHRISP ALLEN
  • MEMBER
  • 1996 MAZDA 626
  • 2.5L
  • V6
  • 2WD
  • AUTOMATIC
  • 100,000 MILES
What do I take off to remove the alternator?
Thursday, September 6th, 2018 AT 1:55 AM

1 Reply

Tiny
ASEMASTER6371
  • MECHANIC
  • 52,796 POSTS
Good morning.

There are two different models for the alternator. I attached both models below and a picture for each.

Roy

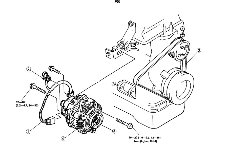
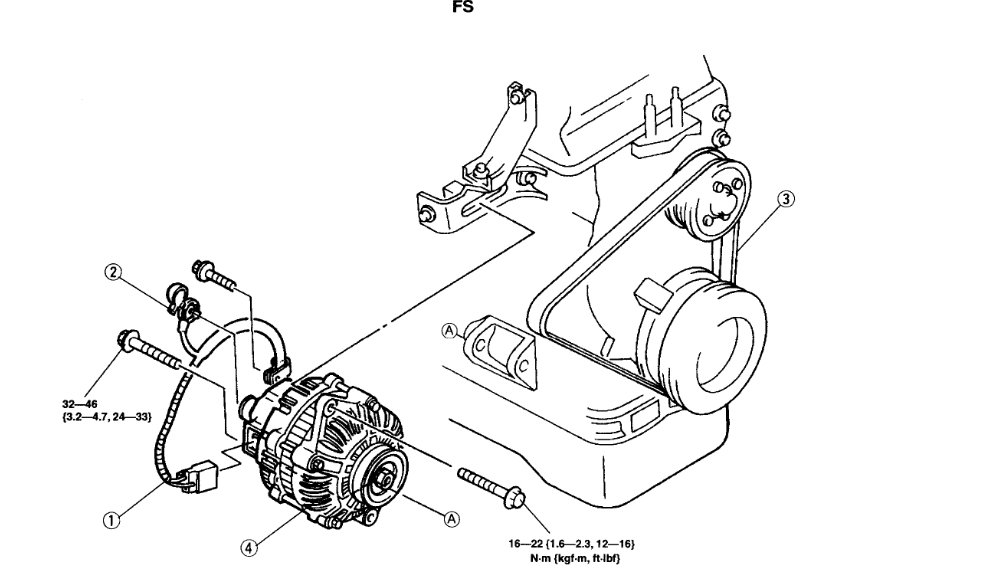
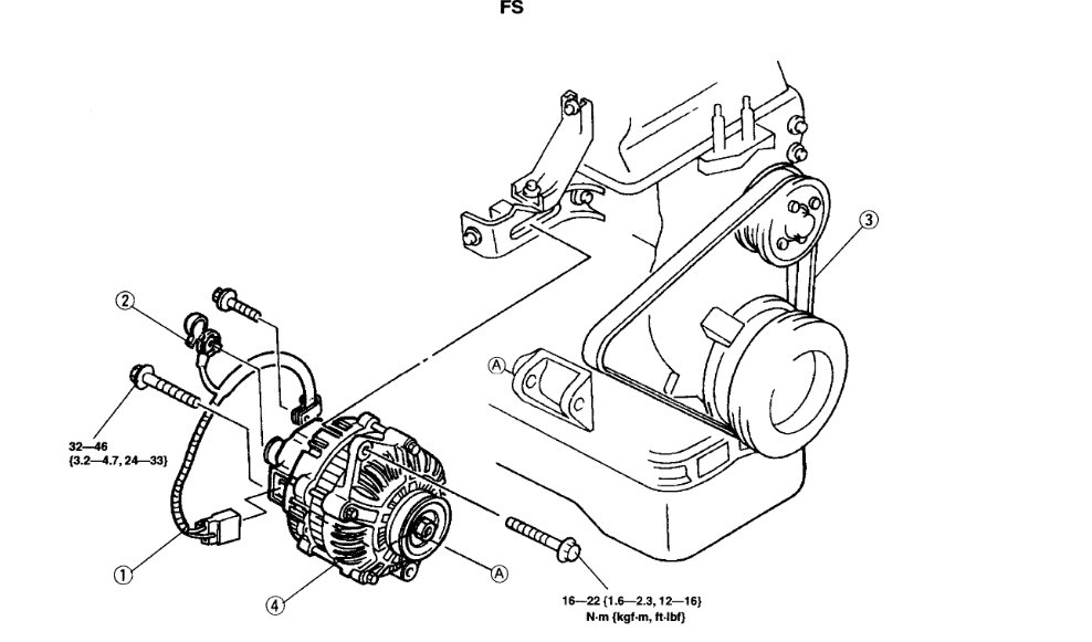
FS MODEL GENERATOR
Removal/Installation

Caution:
- Reversing the battery connections or using high-voltage testers will damage the rectifier.
- Do not start the engine while the connector is disconnected from terminals L and S It can damage the generator.
- When the battery cables are connected, touching the vehicle body with generator terminal B will generate sparks. This can cause personal iniury, fire, and damage to the electrical components. Always disconnect the battery before performing the following operation.

Note: Battery positive voltage is always present at generator terminal B when the battery is connected.

1. Disconnect the negative battery cable.
2. Remove the warm up three way catalytic converter.
3. Remove in the order shown in the figure.
4. Install in the reverse order of removal.

Kl

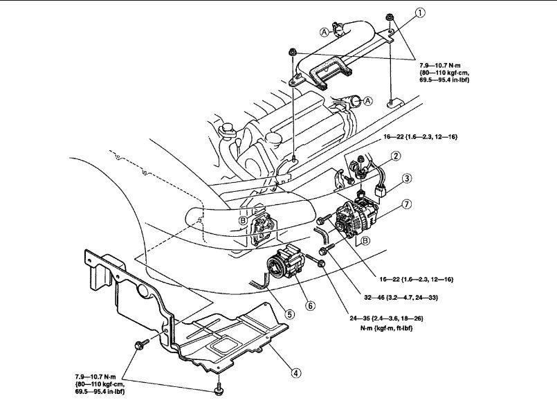
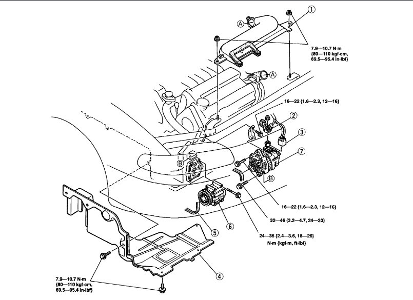
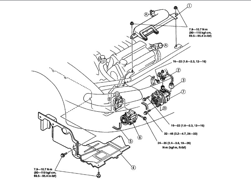
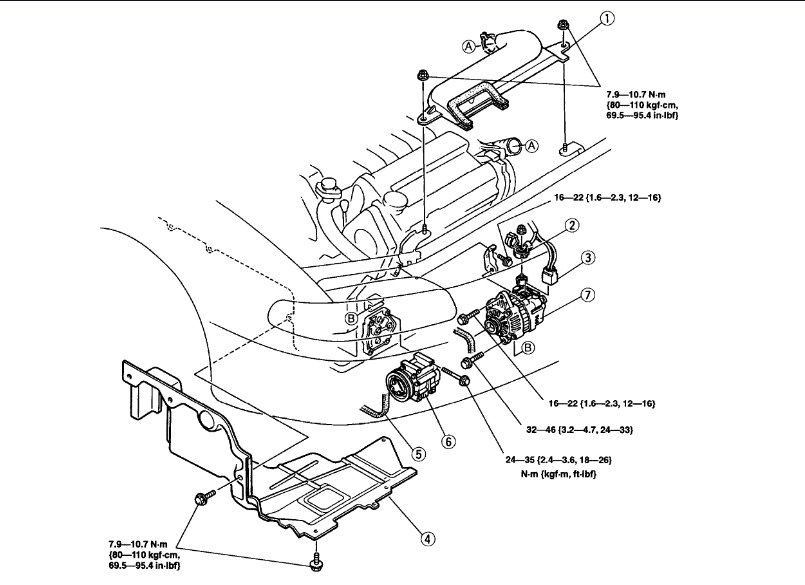
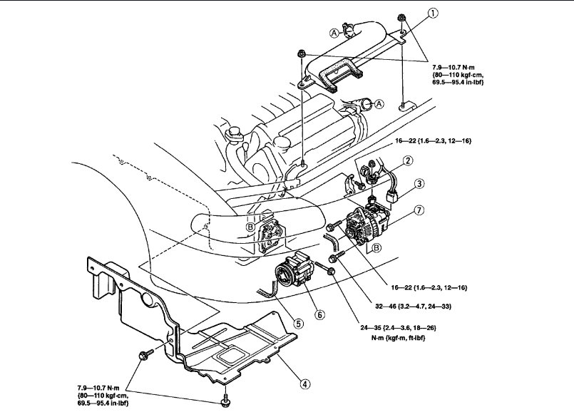
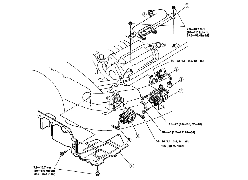
KL MODEL GENERATOR
Removal/Installation

Caution:

- Reversing the battery connections or using high-voltage testers will damage the rectifier.
- Do not start the engine while the connector is disconnected from terminals L and S It can damage the generator.
- When the battery cables are connected, touching the vehicle body with generator terminal B will generate sparks. This can cause personal iniury, fire, and damage to the electrical components. Always disconnect the battery before performing the following operation.

Note: Battery positive voltage is always present at generator terminal B when the battery is connected.

1. Fresh-air duct
2. Generator terminal B wire Inspect for damage and corrosion
3. Connector
4. Splash shield
5. Drive belt
6. Compressor
7. Generator
Was this
answer
helpful?
Yes
No
Thursday, September 6th, 2018 AT 3:24 AM

Please login or register to post a reply.