How to identify and replace power steering hose

Tiny
CHARLESTUCK
  • MEMBER
  • 2010 CADILLAC DEVILLE DTS
  • V8
  • 2WD
  • AUTOMATIC
  • 97,500 MILES
There is a leak in the power steering hose that goes from the pump over the back side of the engine. When attempting to purchase a replacement, the question is whether it is a pressure hose or return hose.
Wednesday, November 27th, 2019 AT 10:56 AM

9 Replies

Tiny
ASEMASTER6371
  • MECHANIC
  • 52,796 POSTS
Good afternoon,

The pressure line picture is attached with the procedure as well as the return line.

Can you post a picture of the hose leaking?

Roy

Change Vehicle Bookmarks Library Request Conversion Calculator Technician's Reference - Collision
Search vehicle information
Community 7 Create Quote
2010 Cadillac DTS V8-4.6L
Power Steering Pressure Pipe/Hose Replacement
Vehicle Steering and Suspension Steering Power Steering Power Steering Line/Hose Service and Repair Removal and Replacement Power Steering Pressure Pipe/Hose Replacement
POWER STEERING PRESSURE PIPE/HOSE REPLACEMENT
Power Steering Pressure Pipe/Hose Replacement

Removal Procedure

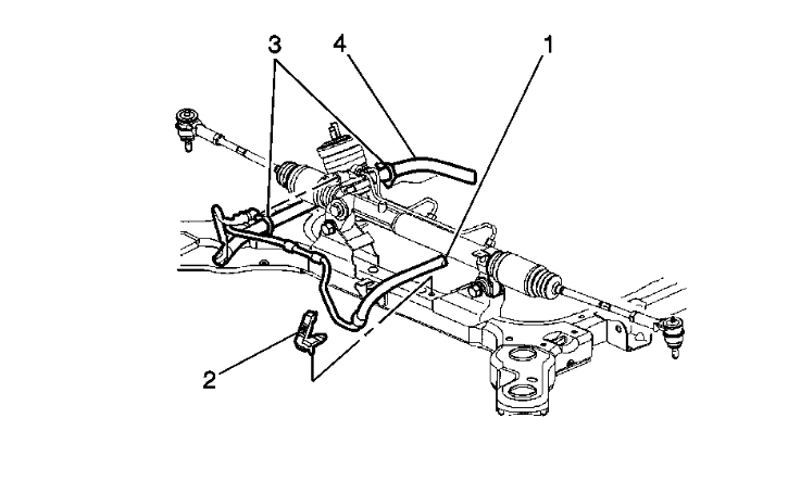
imageOpen In New TabZoom/Print

1. Install a drain pan under the vehicle.
2. Remove the power steering pressure hose from the power steering pump.
3. Raise and support the vehicle. Refer to Lifting and Jacking the Vehicle (See: Vehicle Lifting > Procedures > Lifting and Jacking the Vehicle).
4. Remove the power steering gear heat shield. Refer to Steering Gear Heat Shield Replacement (See: Steering Gear > Removal and Replacement > Steering Gear Replacement).
5. Remove the wheelhouse liner. Refer to Front Wheelhouse Liner Replacement (See: Front Fender Liner > Removal and Replacement).

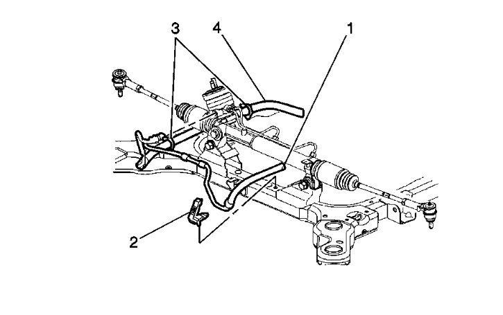
ImageOpen In New TabZoom/Print

6. Remove the power steering pressure hose bracket retaining nut (2) at the cylinder head.

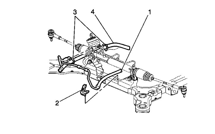
ImageOpen In New TabZoom/Print

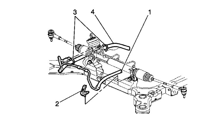
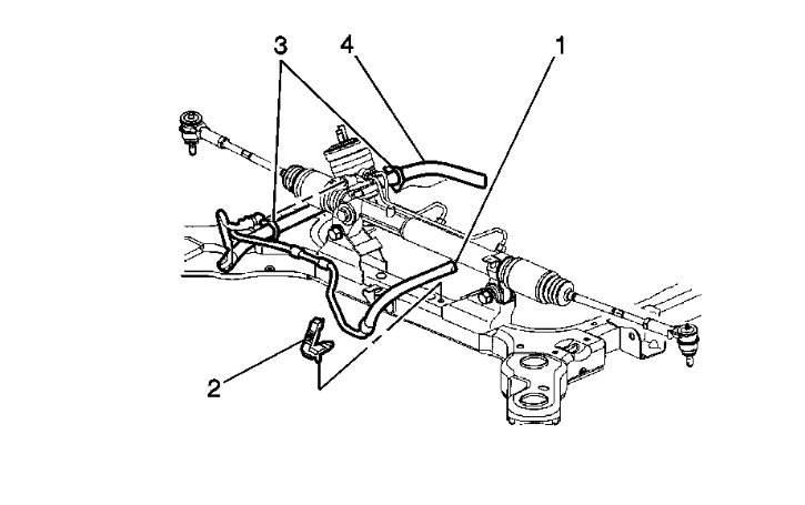
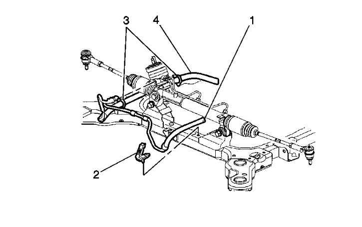
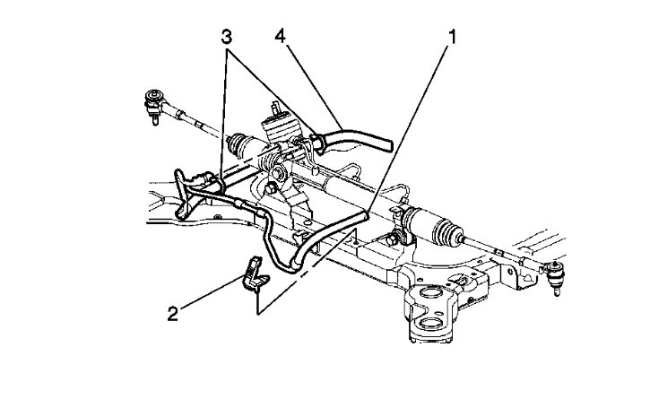
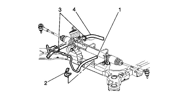
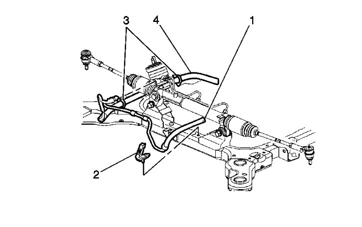
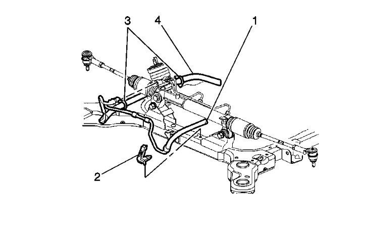
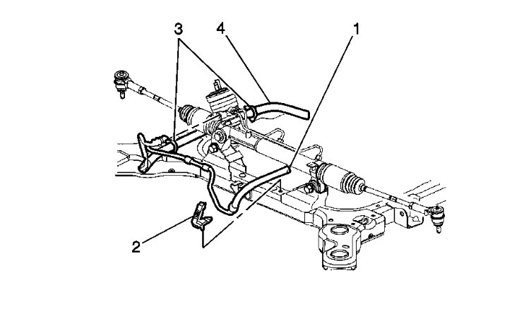
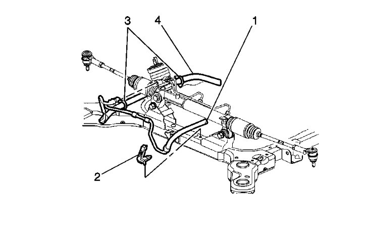
7. Disconnect the power steering pressure hose (1) from the bracket (2) at the frame.
8. Disconnect the power steering pressure hose from the power steering gear.
9. Remove the power steering pressure hose from the vehicle.

Installation Procedure

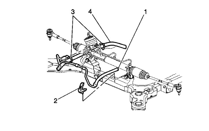
imageOpen In New TabZoom/Print

1. Position the power steering pressure hose (1) in the vehicle.
2. Connect the power steering pressure hose to the bracket (2) at the frame.

Caution: Refer to Fastener Caution (See: Vehicle > Vehicle Damage Warnings > Fastener Caution).

Return line

Power Steering Return Hose Replacement

Removal Procedure

1. Install a drain pan under the vehicle.

ImageOpen In New TabZoom/Print

2. Disconnect the power steering return hose from the power steering pump.

ImageOpen In New TabZoom/Print

3. Remove the power steering return hose mounting bracket retaining bolt from the cylinder head.
4. Raise and support the vehicle. Refer to Lifting and Jacking the Vehicle (See: Vehicle Lifting > Procedures > Lifting and Jacking the Vehicle).
5. Remove the front air deflector. Refer to Front Air Deflector Replacement (See: Air Dam > Removal and Replacement > Front Air Deflector Replacement).
6. Remove the power steering gear heat shield. Refer to Steering Gear Heat Shield Replacement (See: Steering Gear > Removal and Replacement > Steering Gear Replacement).
7. Remove the power steering return hose from wiring harness tie strap.
8. Remove the power steering return hose from the frame brackets.
9. Remove the power steering return hose from the power steering gear.
10. Remove the power steering return hose from the vehicle.
Was this
answer
helpful?
Yes
No
Wednesday, November 27th, 2019 AT 11:53 AM
Tiny
CHARLESTUCK
  • MEMBER
  • 64 POSTS
Your diagram is a little different than my car, I believe. I attached a photo.
Was this
answer
helpful?
Yes
No
Wednesday, November 27th, 2019 AT 12:40 PM
Tiny
ASEMASTER6371
  • MECHANIC
  • 52,796 POSTS
It is the same. The hose that shows here is the pressure hose.

Is that the one that is leaking?

Roy
Was this
answer
helpful?
Yes
No
+2
Wednesday, November 27th, 2019 AT 1:02 PM
Tiny
CHARLESTUCK
  • MEMBER
  • 64 POSTS
Yes. That one goes towards the firewall. The leak is on the underside where the wood is. Are there fasteners behind there and does the hose continue straight down over the valve cover?
Was this
answer
helpful?
Yes
No
Wednesday, November 27th, 2019 AT 1:16 PM
Tiny
ASEMASTER6371
  • MECHANIC
  • 52,796 POSTS
Yes, there are 2 more fasteners between there and the steering rack. The second diagram I sent shows the route of the hose.

The procedure is also attached in a previous post.

Roy
Was this
answer
helpful?
Yes
No
+1
Wednesday, November 27th, 2019 AT 1:20 PM
Tiny
CHARLESTUCK
  • MEMBER
  • 64 POSTS
What is the orientation of the diagram? Which is front, left or right?
Was this
answer
helpful?
Yes
No
Wednesday, November 27th, 2019 AT 1:29 PM
Tiny
ASEMASTER6371
  • MECHANIC
  • 52,796 POSTS
Number 4 is the left front of the cradle under the car. The picture is the cradle that the engine and transmission is mounted.

Roy
Was this
answer
helpful?
Yes
No
+1
Wednesday, November 27th, 2019 AT 1:34 PM
Tiny
CHARLESTUCK
  • MEMBER
  • 64 POSTS
Thanks.
Was this
answer
helpful?
Yes
No
Wednesday, November 27th, 2019 AT 3:22 PM
Tiny
ASEMASTER6371
  • MECHANIC
  • 52,796 POSTS
You are welcome.

Always glad to help.

Roy
Was this
answer
helpful?
Yes
No
+1
Wednesday, November 27th, 2019 AT 3:28 PM

Please login or register to post a reply.