Hood ajar sensor wiring diagram?

2018 FORD EXPLORER
129,000 MILES • 3.5L • 6 CYL • 4WD • AUTOMATIC
Avatar
XPLORERFAN92
  • MEMBER
  • 3 POSTS
My vehicle continues to give me the hood ajar warning, along wirh dinging. It is intermittent, and I cannot find any single cause (like hitting bumps or moisture).

So I'm looking for the color coded wiring diagram for this specific sensor, in hopes that I can find the short/wire damage.

This sensor is the button type, on the driver's side of the hood latch, but up on the flat part. It's a 2 wire connector. I havr tried replacing the sensor, but it continues to do the same thing.
Dec 12, 2025 at 3:53 PM
Repair Safety Notice: This information is for general instructional purposes only. Vehicle repair can be dangerous. Verify all information, follow manufacturer service procedures, use proper tools and safety equipment, and consult a qualified repair shop when needed.
Advertisement
Avatar
CARADIODOC
  • CAR REPAIR CONTRIBUTOR
  • 34,308 POSTS
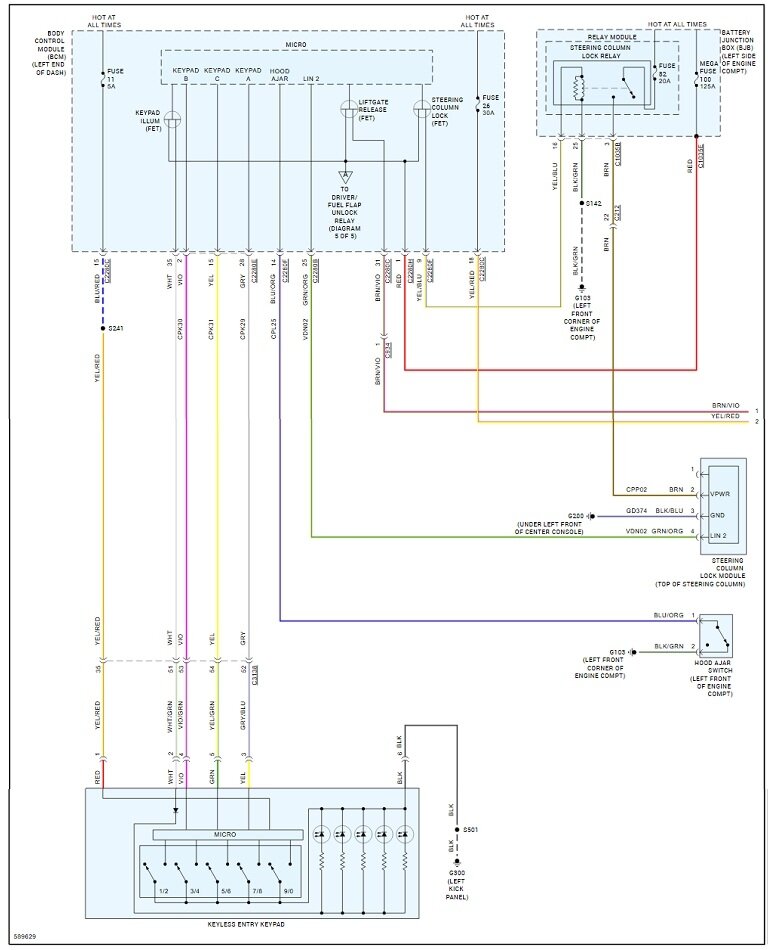
I couldn't find the hood switch on the original Ford diagrams, but it's here on an aftermarket diagram. The wire isn't shorted, (grounded). That's what it's supposed to be when the hood is closed, so a grounded wire would make the warning light turn off. What would cause this is a break in the wire, (or a defective switch, but you replaced that already). To be safe, I added the drawing showing the location of the hood switch. It's right behind the front edge of the driver's head light.

If the warning light turns off when you push the switch by hand, that switch may be one of the adjustable styles and is out of adjustment. If you post a photo of it, I might recognize how to adjust it.

The next step is to unplug the connector from the switch, then ground the blue / orange wire. If that makes the light go off, the ground wire likely has a break in it. Let me know what you find up to this point, then we'll figure out where to go next.
Dec 12, 2025 at 6:13 PM
Advertisement
Avatar
XPLORERFAN92
  • MEMBER
  • 3 POSTS
From what I was reading, Ford set it up so that you cannot bypass the sensor by putting a resistor in when the hood is closed.

Unfortunately the "hood ajar warning" doesn't go off, even when fully compressed.

I will try grounding the blue/orange wire tomorrow. I had planned to test to continuity (spelling?) of the ground wire (at a minimum) with the multimeter, but we are sub zero temps right now, and I don't have a shop. I have attached a picture of the original sensor, I don't think its adjustable, but please correct me if im wrong
Dec 13, 2025 at 6:15 PM
Avatar
CARADIODOC
  • CAR REPAIR CONTRIBUTOR
  • 34,308 POSTS
If you pull of that rubber accordion boot, you'll see the plunger. If you already pressed it by hand, adjustment is likely not the issue. For the adjustable type, when they get out of adjustment, the hood doesn't push them far enough to turn them off, (or on). To explain, here's a photo of a sliding door switch from an early '90s Caravan. See those ribs on it? The first time the door is closed after that switch is installed, it clicks in as far as necessary, then it's adjusted. If you really slam the door, it's possible for it to over-adjust, then the common symptom was the "Door Ajar" light would flicker on when going around hard left-hand turns. It has to be removed to reset it. It was pretty simple to tap it into a deep socket to rest it, then just reinstall it again.

If your switch is adjustable, the design doesn't allow for it to be tapped into the reset position. You would have to pull the plunger out by hand. My thought is yours is either non-adjustable, or, if it is, the rubber boot might be limiting how far you can press it by hand. Regardless, from what I read on circuit operation, your switch turns on when pressed, meaning grounding the blue / orange wire should turn the warning light off. If it does, we have to look at the switch and the ground wire and ground connection.

I'm freezing in sub-zero weather too
Dec 14, 2025 at 2:55 PM
Avatar
XPLORERFAN92
  • MEMBER
  • 3 POSTS
After further investigation, there was a Crack in the blue/orange wires coating, wires were slightly discolored but not corroded. When testing the continuity of the ground, it didnt zero out, so I went ahead and pulled both pins on the connector, ran a short wire for the hot and tied it back in a few inches before where the break was, and ran a whole new ground wire.

Hood ajar warning is no longer on and I can use my remote start again.

Thanks for the help yall!
Dec 15, 2025 at 7:02 AM
Avatar
CARADIODOC
  • CAR REPAIR CONTRIBUTOR
  • 34,308 POSTS
Dandy news. Very happy to hear you solved it. Let me know if you have additional questions, otherwise, please come back to see us again.
Dec 15, 2025 at 1:20 PM