Wednesday, October 23rd, 2019 AT 1:16 AM
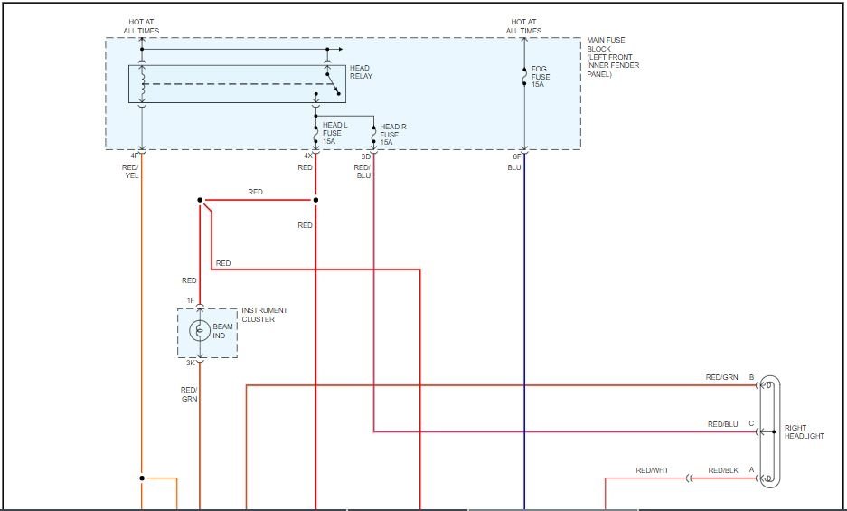
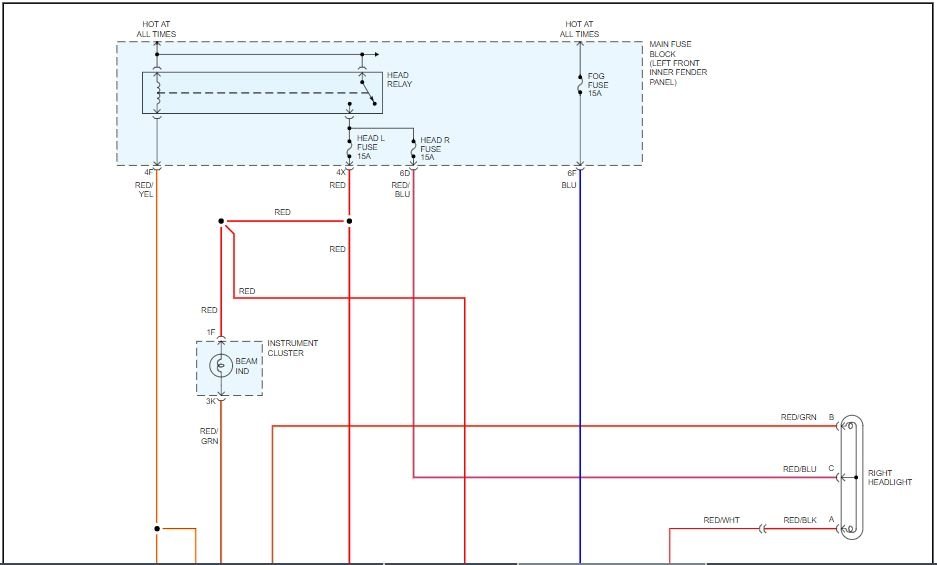
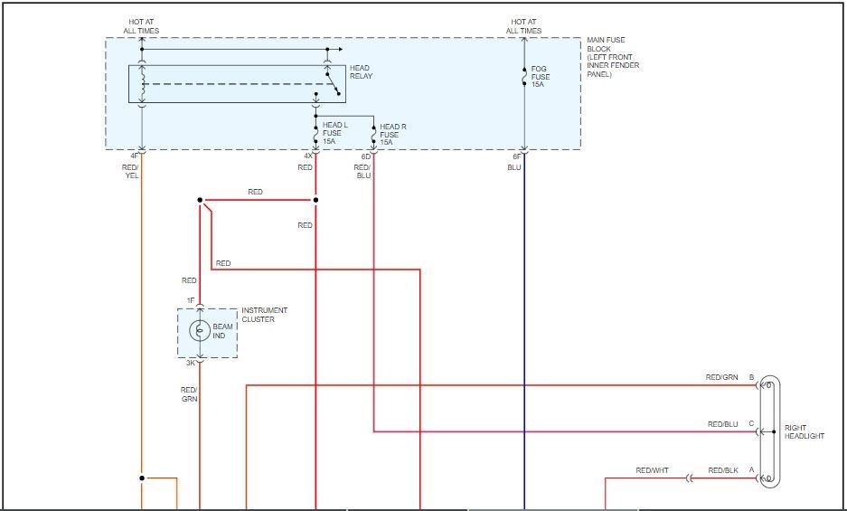
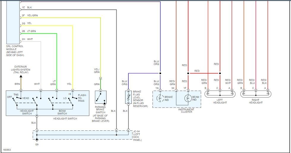
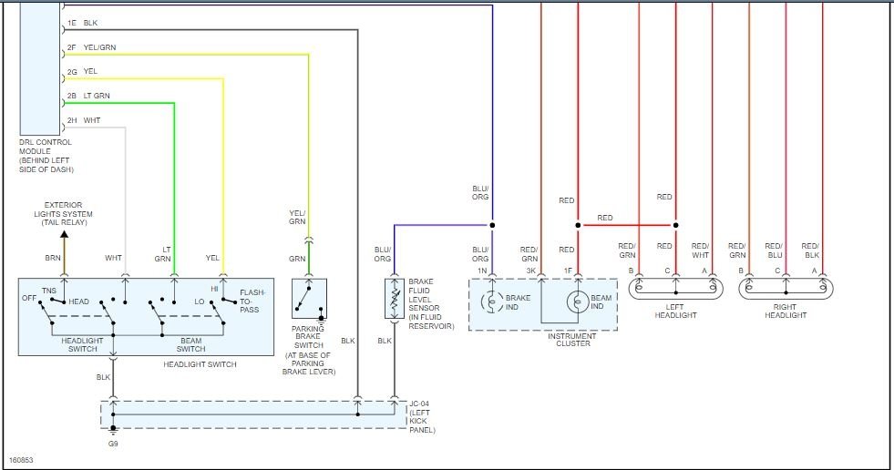
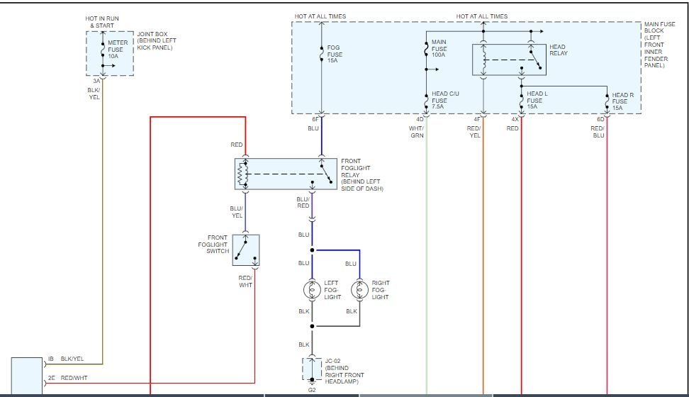
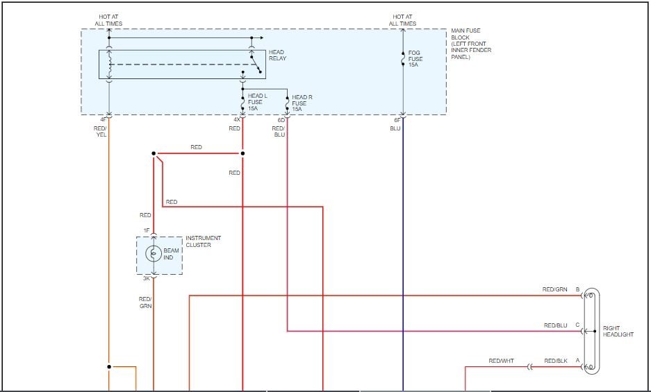
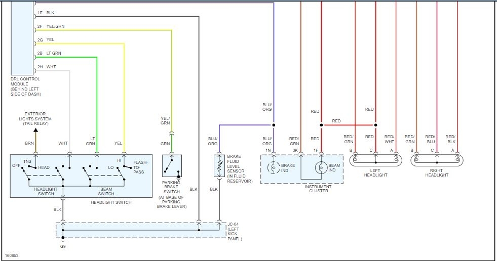
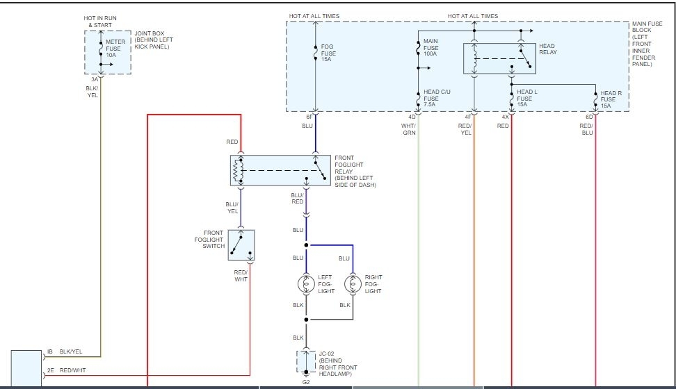
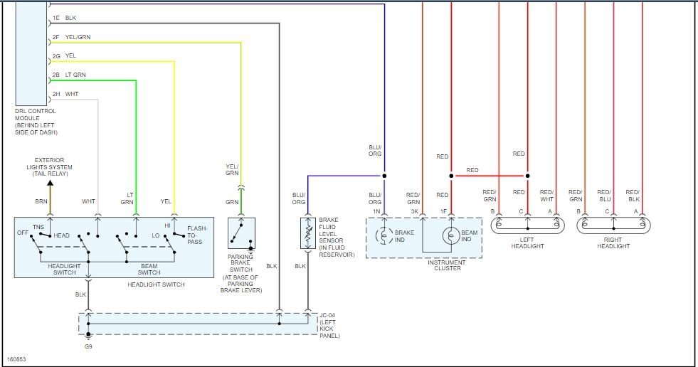
On low beam driver side okay, but passenger side nothing. On high beam driver side okay, but passenger side dim. Also on high beam the low beam filaments glow slightly. Could it be a poor ground connection? Do you have a wiring diagram for the headlight circuit? I can do voltage checks? A harness diagram would really help.







