HOME
ASK A QUESTION
REPAIR GUIDES
BECOME A MEMBER
LOG IN
Login with Facebook
OR
Remember me
NOT A MEMBER?
FORGOT PASSWORD?
CONTACT US
PRIVACY POLICY
TERMS AND CONDITIONS
☰
Home
Chevrolet
Traverse
Exterior Light
Headlight
Stay On
High beams do not stay on
MICHAEL HARDING
MEMBER
2010 CHEVROLET TRAVERSE
103,450 MILES
Why wont my high beams stay on?
Wednesday, October 2nd, 2019 AT 11:33 AM
1 Reply
ASEMASTER6371
MECHANIC
52,796 POSTS
Good afternoon.
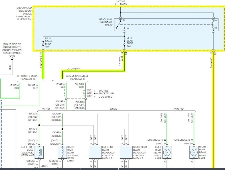
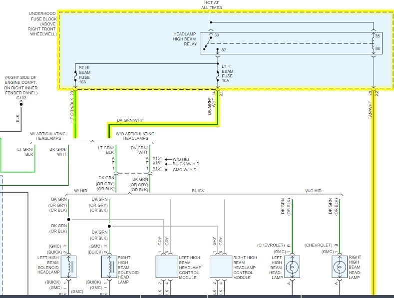
There is a relay and fuses for the high beams.
I attached a diagram for you to view. You will need to check for power to the relay and the fuses.
Let me know when you are ready to do some testing.
Roy
Image (Click to make bigger)
Was this
answer
helpful?
Yes
No
Wednesday, October 2nd, 2019 AT 12:29 PM
Please
login
or
register
to post a reply.
Ask a Car Question. It's Free!
Headlight Dim or Dull
Have a Dim Headlight? - Try Replacing This!
How to Use a Test Light