Friday, May 10th, 2024 AT 10:44 AM
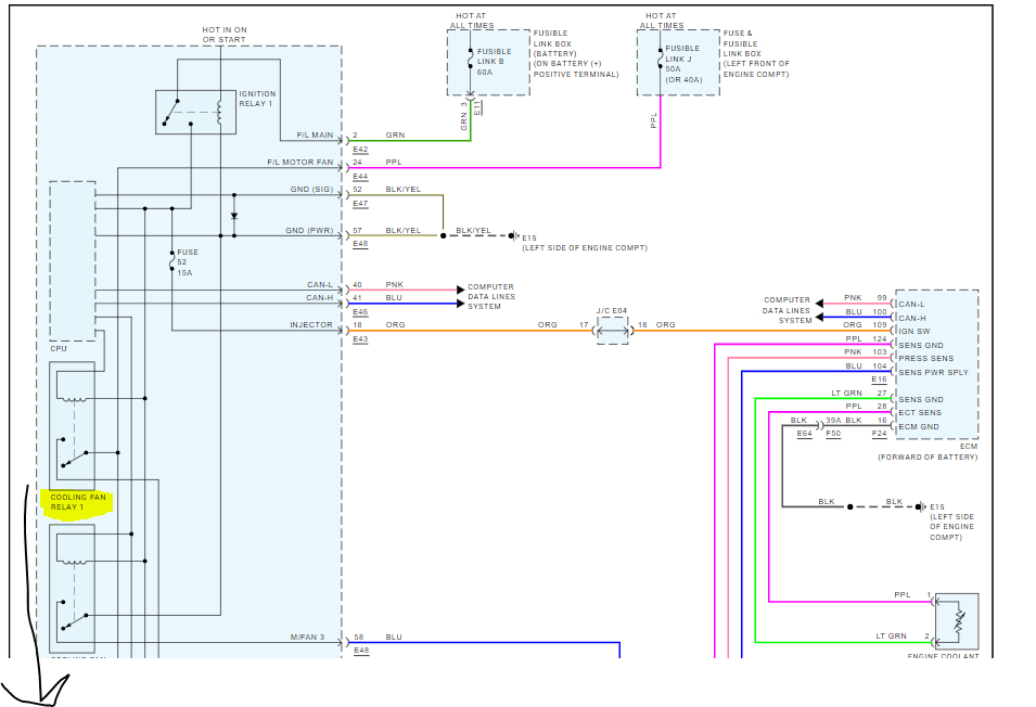
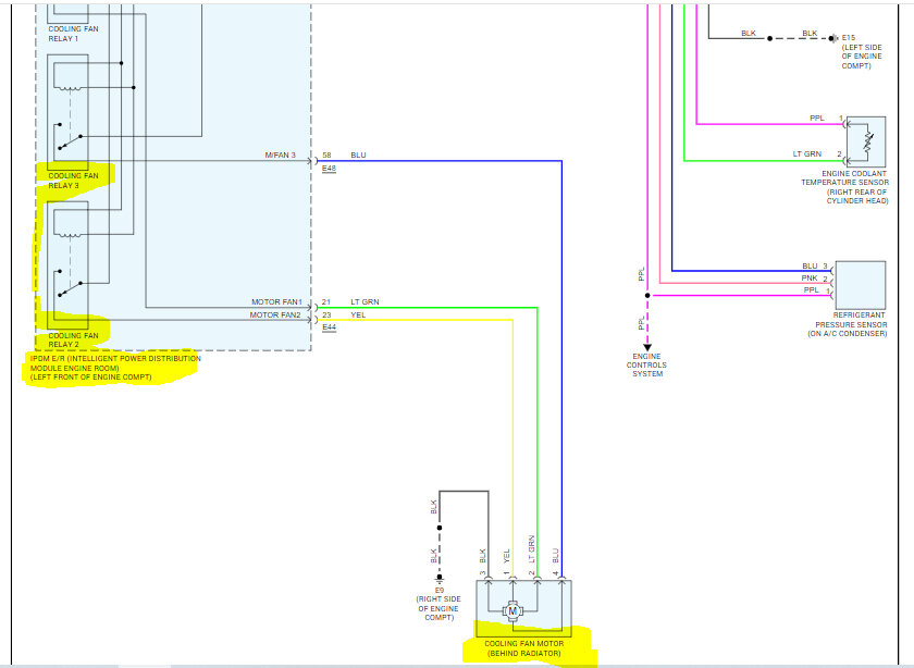
Hello I live in Dubai. Recently we had rain so much and all the water came inside. What I did was I disconnect the battery terminal as it was raining so much so bought car home remove all the seats check the oil and fuse box all the things were perfect, but only the radiator fan and A/C compressor is not working on the A/C, also but the fan is not working. I already checked the fuse’s but am not able to check fan relay. Can someone please tell me the location of the fan relay? Thank you

