Heater fan does not shut off

Tiny
JOLLEYDIANA
  • MEMBER
  • 2006 GMC SIERRA
  • V8
  • 4WD
  • AUTOMATIC
  • 180,000 MILES
Heater fan will not shut off when engine is turned off. I have to remove fuse to turn fan off.
Tuesday, December 11th, 2018 AT 5:55 AM

13 Replies

Tiny
ASEMASTER6371
  • MECHANIC
  • 52,796 POSTS
Good morning,

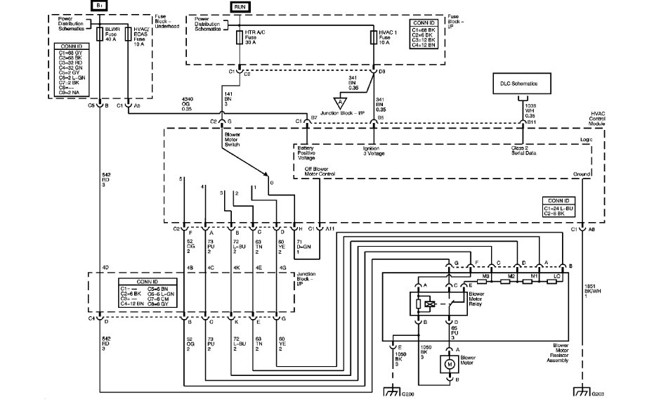
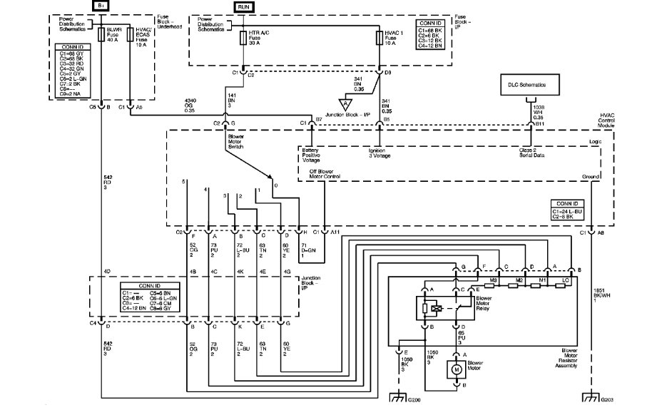
There is a blower motor resistor that controls fan speed. When it shorts to power, this is the result.

It is next to the blower motor under the right side of the dash. I attached a picture and wire diagram for you to view.

Roy
Was this
answer
helpful?
Yes
No
+1
Tuesday, December 11th, 2018 AT 7:17 AM
Tiny
MPOWER
  • MEMBER
  • 1 POST
  • 2003 GMC SIERRA
  • V8
  • 4WD
  • AUTOMATIC
  • 145,000 MILES
Hey

When I shut my truck off the blower for my heater/ac continues to run and will do so until I take the fuse out, (labled BLOWER)
Was this
answer
helpful?
Yes
No
+3
Saturday, December 26th, 2020 AT 9:59 AM (Merged)
Tiny
BRIAN 1
  • MECHANIC
  • 1,030 POSTS
This might help, Subject: Blower Motor Inoperative or May Not Shut Off in Extremely Low Ambient Temperature Conditions (Replace Blower Motor Control Module)

Models: 2004-2007 Buick Rainier

2003-2006 Cadillac Escalade Models

2003-2006 Chevrolet Avalanche, Silverado, Suburban, Tahoe

2003-2007 Chevrolet TrailBlazer Models

2007 Chevrolet Silverado (Classic)

2003-2006 GMC Sierra Models, Yukon Models

2003-2007 GMC Envoy Models

2007 GMC Sierra (Classic)

2003-2004 Oldsmobile Bravada

2003-2006 HUMMER H2 Models

with Automatic Temperature Control HVAC System (RPO CJ2) Some customers may comment that the blower motor is inoperative or continues to run after the vehicle has been shut off. These conditions may be caused by a blower motor control module failure. This failure may occur when the vehicle is operated in ambient temperature conditions of -23 °C (-10 °F) or below. Important: Replace the blower motor control module if the vehicle experienced a blower motor control module failure in extremely cold ambient temperature conditions. Technicians are to replace the blower motor control module, also called the Linear Power Module (LPM), After replacement of the blower motor control module, the customer may notice a slightly higher than expected blower motor speed at any of the blower speed settings.
Was this
answer
helpful?
Yes
No
Saturday, December 26th, 2020 AT 9:59 AM (Merged)
Tiny
SHINY
  • MEMBER
  • 5 POSTS
  • 2006 GMC SIERRA
  • V8
  • 4WD
  • AUTOMATIC
  • 63,000 MILES
When the heater blower is turned off and even when the truck is shut down and the key removed, the blower continues to operate.
I have removed the fuse in order to save the batteries while the truck is not in operation.
I need to know where to look for a possible sticking relay or a dead short to ground or anything else that I need to check.

Thanks
Was this
answer
helpful?
Yes
No
-1
Saturday, December 26th, 2020 AT 10:00 AM (Merged)
Tiny
BRIAN 1
  • MECHANIC
  • 1,030 POSTS
Replace the blower motor resistor and connector, this is a very common problem. Post back with any other questions.
Was this
answer
helpful?
Yes
No
+1
Saturday, December 26th, 2020 AT 10:00 AM (Merged)
Tiny
SHINY
  • MEMBER
  • 5 POSTS
Greatly appreciate the response. Hope this isn't too dumb of a question but I'm sligtly electrically impaired?)
Where do I find these little creatures? I'm not even sure where to look for the blower.

Thanks again
Was this
answer
helpful?
Yes
No
Saturday, December 26th, 2020 AT 10:00 AM (Merged)
Tiny
BRIAN 1
  • MECHANIC
  • 1,030 POSTS
Its on the pass side under the dash, there is a sheild under it, take it off and its wright there.
Was this
answer
helpful?
Yes
No
Saturday, December 26th, 2020 AT 10:00 AM (Merged)
Tiny
SHINY
  • MEMBER
  • 5 POSTS
Hey man, I finally got that resistor replaced and problem solved. Really appreciate you help. Sure was hard getting the part. They make quite a few different ones.
But thanks again.

Cheers
Was this
answer
helpful?
Yes
No
Saturday, December 26th, 2020 AT 10:00 AM (Merged)
Tiny
MADEWELL22
  • MEMBER
  • 3 POSTS
  • 2003 GMC SIERRA
  • V8
  • 4WD
  • AUTOMATIC
  • 103,000 MILES
The AC fan will not go off when turning the car off and removing the keys. It will also not change speeds when we push the fan speed control button on the AC control panel. The only way to make the fan stop running is to remove the fuse or battery. What is the problem?
Was this
answer
helpful?
Yes
No
Saturday, December 26th, 2020 AT 10:02 AM (Merged)
Tiny
WRENCHTECH
  • MECHANIC
  • 20,761 POSTS
Is this an auto temp control system with an automatic fan speed?
Was this
answer
helpful?
Yes
No
+3
Saturday, December 26th, 2020 AT 10:02 AM (Merged)
Tiny
MADEWELL22
  • MEMBER
  • 3 POSTS
Yes
Was this
answer
helpful?
Yes
No
Saturday, December 26th, 2020 AT 10:02 AM (Merged)
Tiny
WRENCHTECH
  • MECHANIC
  • 20,761 POSTS
Then you most likely have a bad blower speed control module. It's located under the dash, right next to the blower motor.


https://www.2carpros.com/forum/automotive_pictures/561653_Blower_resister_03_1500_2_1.gif

Was this
answer
helpful?
Yes
No
+2
Saturday, December 26th, 2020 AT 10:02 AM (Merged)
Tiny
MADEWELL22
  • MEMBER
  • 3 POSTS
Perfect. Thanks.
Was this
answer
helpful?
Yes
No
+1
Saturday, December 26th, 2020 AT 10:02 AM (Merged)

Please login or register to post a reply.