Tuesday, June 20th, 2017 AT 11:23 PM
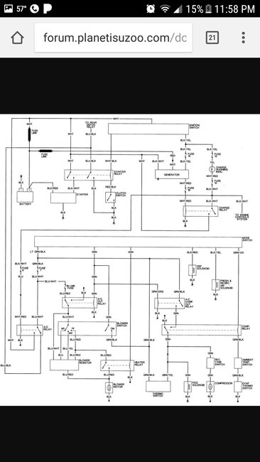
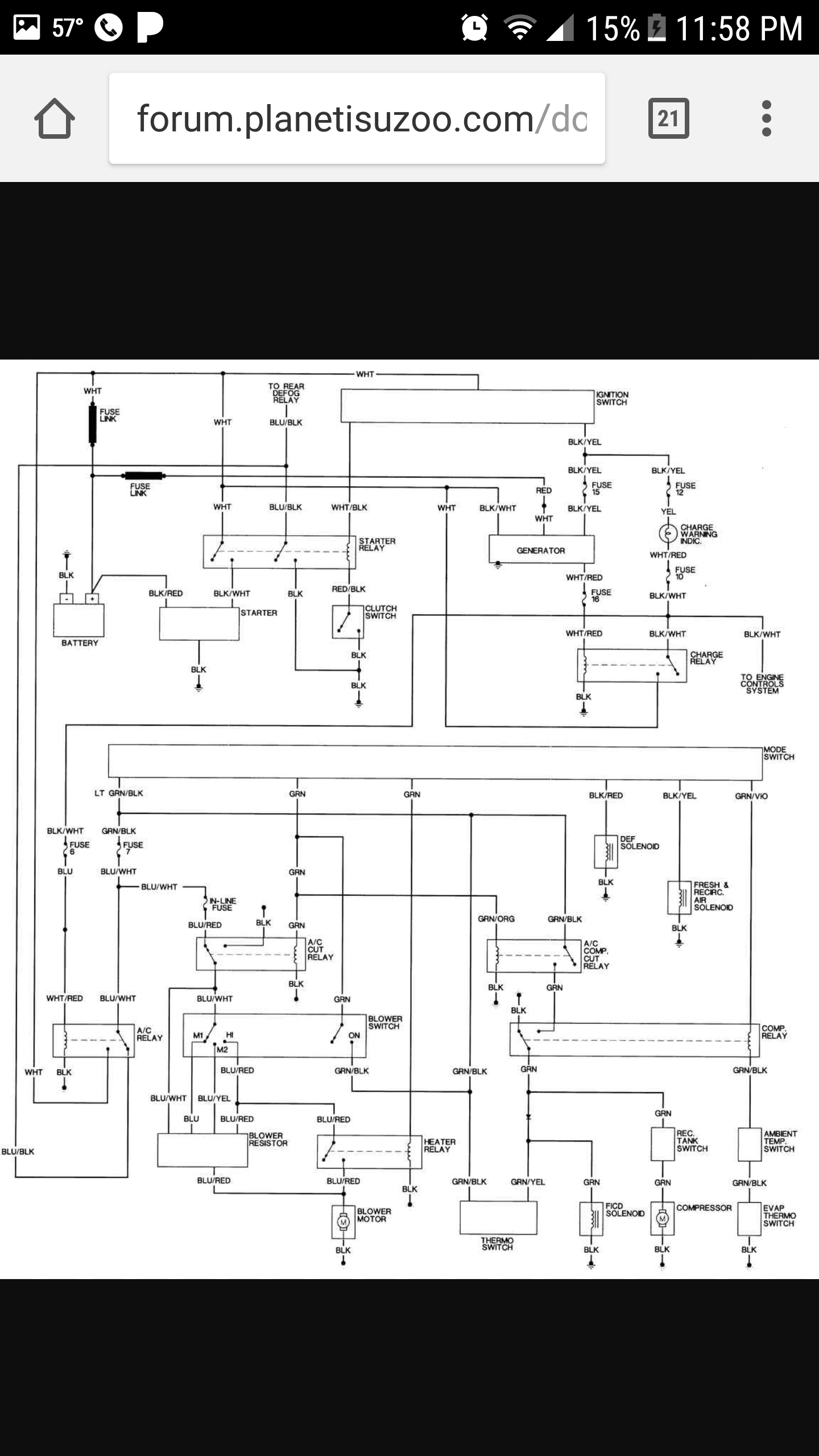
I am trying to fix the heater on my vehicle. I removed the blower motor and connected positive negative to the battery the blower is working a hundred percent I have another Isuzu Trooper in which I took the AC climate control switches out and replaced it in the other Trooper it is still not working. When I take a test light to the fuse there is no power at the fuse.




