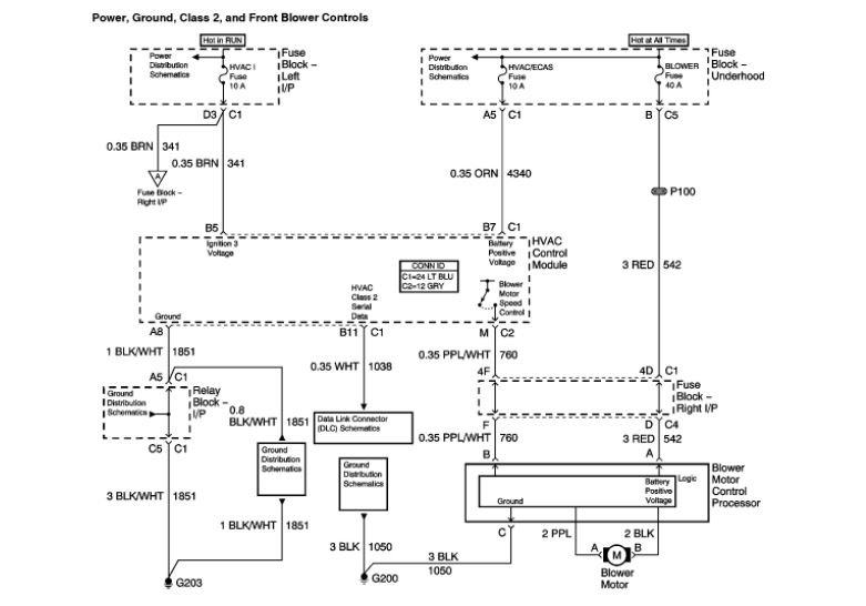
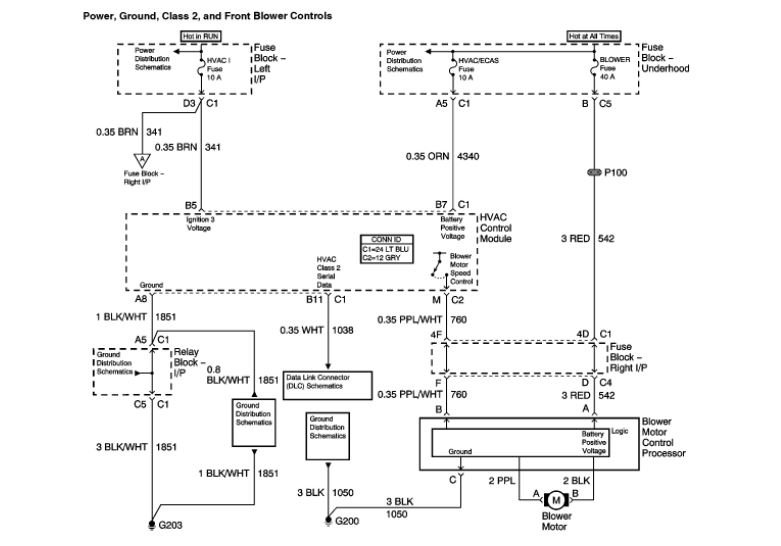
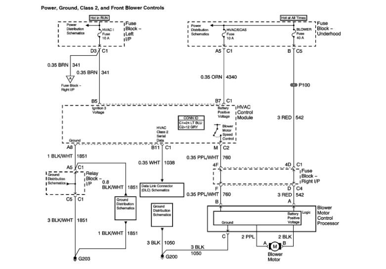
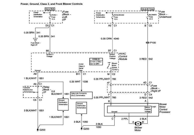
Monday, March 19th, 2018 AT 2:37 AM
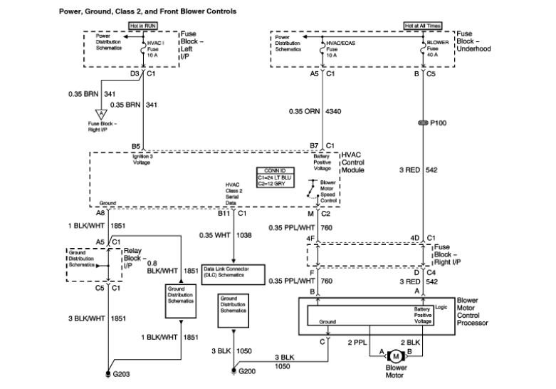
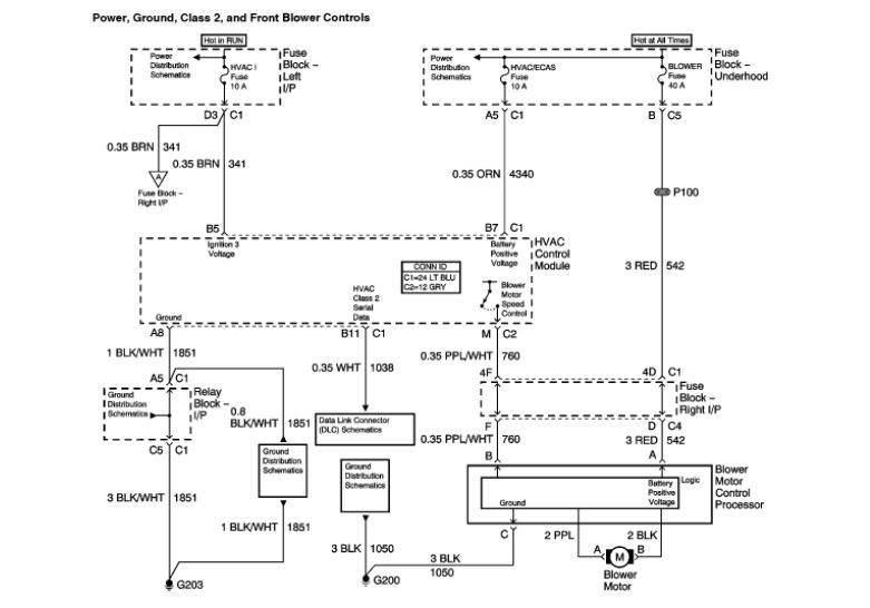
The heat/AC unit will not even light up when I turn it on, so I am not getting anything. I checked the fuses and replaced them and still nothing.




