HOME
ASK A QUESTION
REPAIR GUIDES
BECOME A MEMBER
LOG IN
Login with Facebook
OR
Remember me
NOT A MEMBER?
FORGOT PASSWORD?
CONTACT US
PRIVACY POLICY
TERMS AND CONDITIONS
☰
Home
Pontiac
Firebird
Exterior Light
Headlight
Wiring
Headlights issue wiring diagram?
JOJOSLAYTON
MEMBER
1996 PONTIAC FIREBIRD
6 CYL
234,567 MILES
I need the wiring diagram for a 96 Pontiac firebird headlight switch.
Sunday, February 8th, 2026 AT 10:11 AM
1 Reply
KEN L
MASTER CERTIFIED MECHANIC
55,291 POSTS
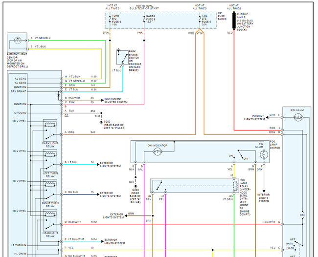
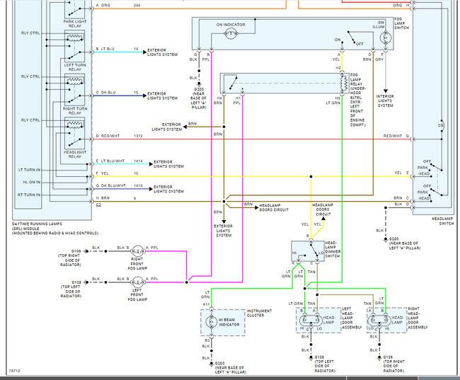
Sure, here is the wiring diagrams for the headlight switch as requested. Check out the images (below). Let us know if you need anything else.
Images (Click to make bigger)
Was this
answer
helpful?
Yes
No
Monday, February 9th, 2026 AT 8:04 AM
Please
login
or
register
to post a reply.
Related Headlight Wiring Content
What Else Can I Check If Only 1 Headlight Motor Door...
When I Turn On Headlight Switch Only 1 Headlight Door Opens But Both Lights Come On. I Replaced The Plastic Gear In The Motor 3 Yrs Ago....
Asked by
billmill5050
·
21 ANSWERS
6 IMAGES
2002
PONTIAC FIREBIRD
No Key In Step On Brakes, Headlights Go Up, And When...
Okay, No Key In Step On Brakes, Headlights Go Up, Same With Key On Running. Second Question: When Parking Lights Are On Head Lights On Or...
Asked by
Gerald Twardzik
·
1 ANSWER
1990
PONTIAC FIREBIRD
2000 Firebird Headlight Door-
My Daughters 2000 Firebird, 3.8l Auto, 80k Miles, The Drivers Side Headlight Door Motor Continues To Run When The Lights Are Turned Off-...
Asked by
fractal111
·
3 ANSWERS
2000
PONTIAC FIREBIRD
1992 Pontiac Firebird Re: Concealed Headlight...
The Actuator For My Headlight Assembly Is Bad. I Have The Replacement. I Need A Little Walk Through On The Correct Order Of Steps To Replace...
Asked by
lisamarie6942
·
1 ANSWER
1992
PONTIAC FIREBIRD
1997 Pontiac Firebird Headlight Bulbe Replacement
How Do You Get Access To The Back Of The Pop Up Headlight In Order To Remove The Bulb.
Asked by
eugenecarr
·
1 ANSWER
1997
PONTIAC FIREBIRD
VIEW MORE
Ask a Car Question. It's Free!
Have a Dim Headlight? - Try Replacing This!
Headlight Dim or Dull
Turn Signals Blink Fast