Monday, August 14th, 2017 AT 4:15 PM
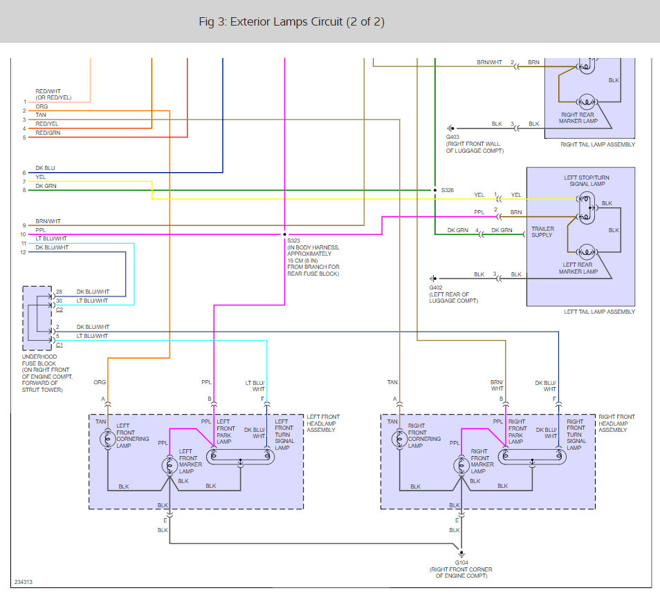
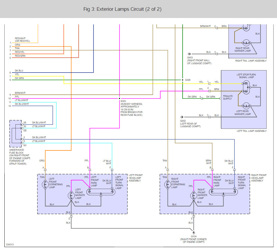
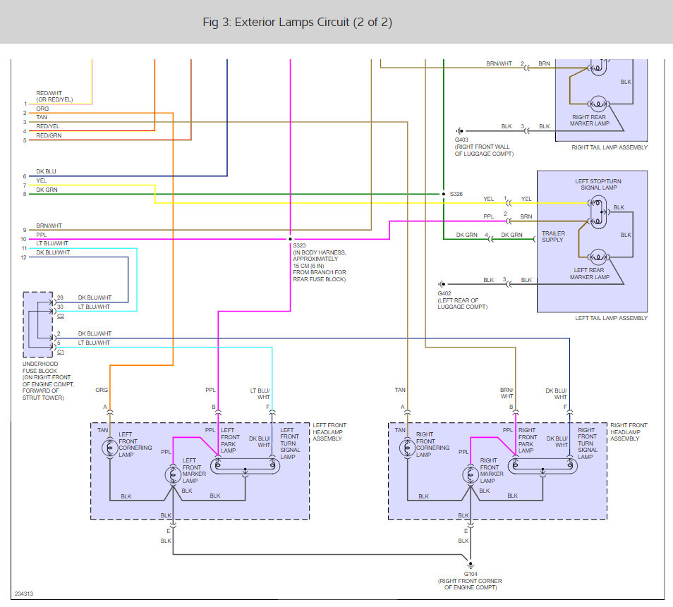
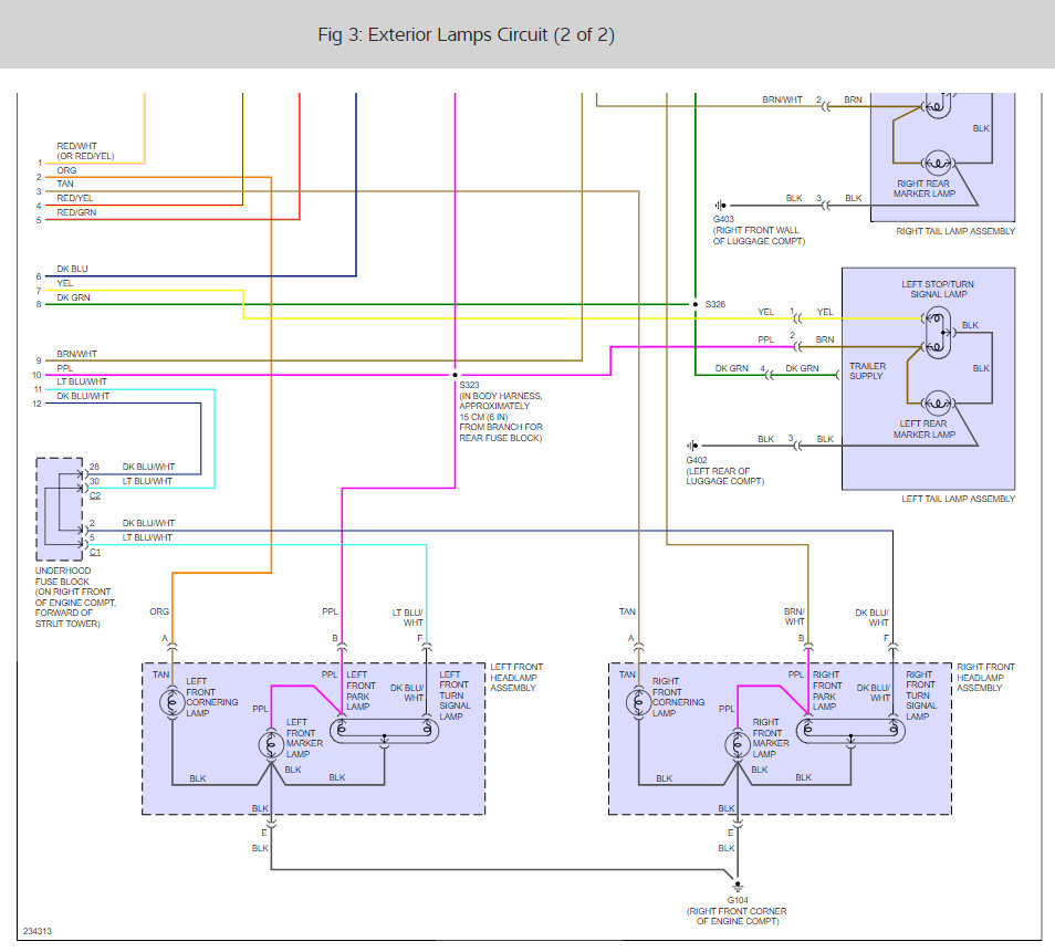
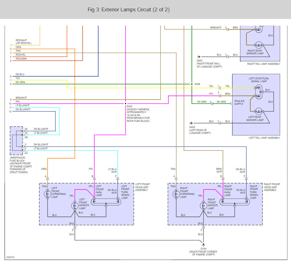
I have the car listed above that previously was damaged where the right headlight is. The headlight was replaced but now when I set the automatic headlight control to parking light the corner light on the right-side headlight and the tail lights on the right side do not automatically come in. I use the right turn signal it comes on. I push the brakes and the tail lights come on just fine. I lock the car with my key fob and all the lights flash just fine. I have taken it to get checked they could not fix it, they told us someone seemed to have already tried but also failed.



