While driving this Morning my headlights started flickering?

Tiny
LCOOPER123
  • MEMBER
  • 2014 HYUNDAI ELANTRA
  • 4 CYL
  • 2WD
  • AUTOMATIC
  • 118,000 MILES
Followed by my dash clock and radio doing the same thing. My battery was just replaced 1 month ago.
Monday, January 22nd, 2024 AT 12:45 PM

1 Reply

Tiny
KEN L
  • MASTER CERTIFIED MECHANIC
  • 55,499 POSTS
Yep, that might be the battery, does it only do it when driving or will the headlights flicker when stopped? This can tell us if it is a connection problem. Also, with the headlights on do the "wiggle test" on the fuse# b+1 and b+2 in the main fuse panel under the hood. If okay, the switch, BCM and SJB (smart junction box) controls the headlights. I can tell you have seen the SJB cause this problem but since the other components may fail. let's do a CAN scan to see if any codes are stored that may help us.

You can get a CAN scanner (Controller Area Network) which will work on most cars from Amazon.

Here is a video to show you how:

https://youtu.be/u-4syLc-ifQ

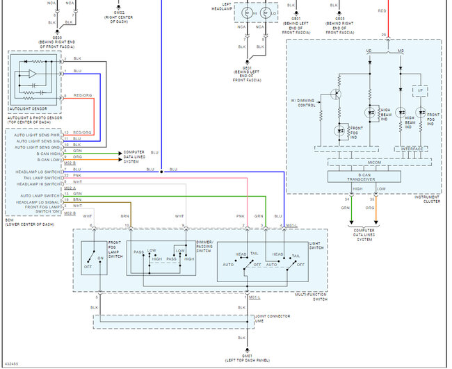
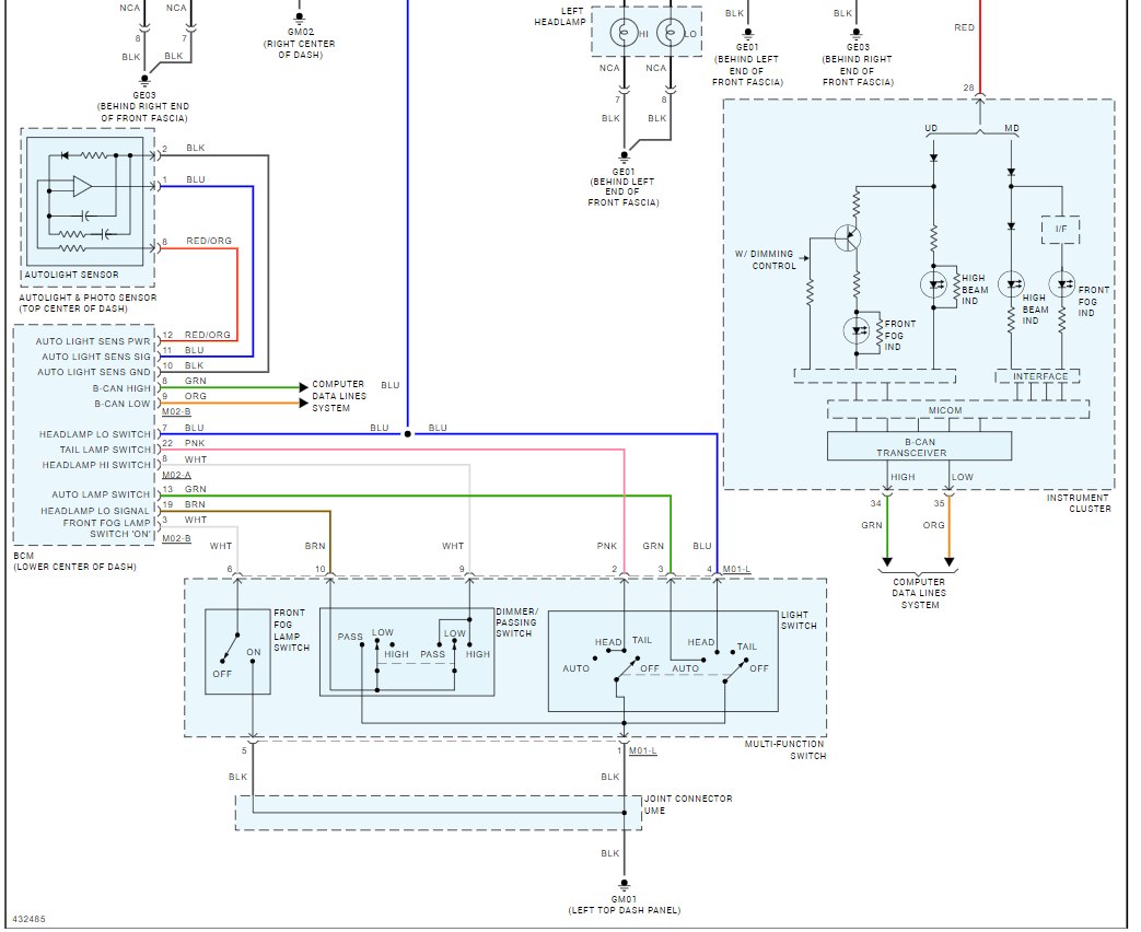
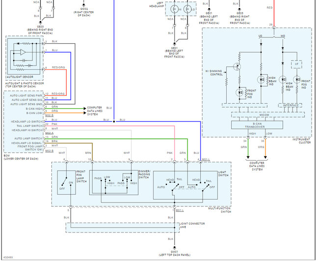
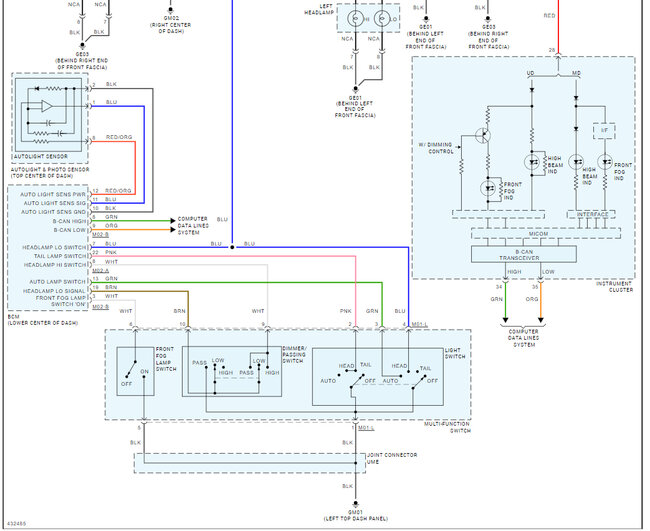
Here is how to change out the SJB in case you need it and the fuse locations as well. I have also included the headlight wiring diagrams so you can see how the system works. Check out the images (below). Please upload pictures or videos in your response to the problem so we can see what's going on.

Was this
answer
helpful?
Yes
No
Monday, January 22nd, 2024 AT 5:07 PM

Please login or register to post a reply.