HOME
ASK A QUESTION
REPAIR GUIDES
BECOME A MEMBER
LOG IN
Login with Facebook
OR
Remember me
NOT A MEMBER?
FORGOT PASSWORD?
CONTACT US
PRIVACY POLICY
TERMS AND CONDITIONS
☰
Home
Nissan
Pathfinder
Exterior Light
Headlight
Not Working
Headlights stopped working
ANGELA MARTINEZ
MEMBER
2000 NISSAN PATHFINDER
2WD
AUTOMATIC
250,000 MILES
My headlights just stopped working out of nowhere. If I hold it towards me (they work) but that is only if I am holding it.
Thursday, June 13th, 2019 AT 2:15 AM
1 Reply
ASEMASTER6371
MECHANIC
52,796 POSTS
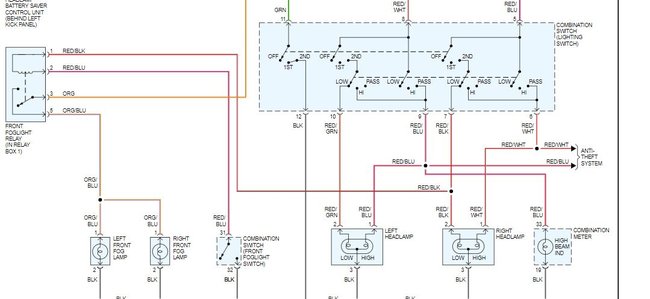
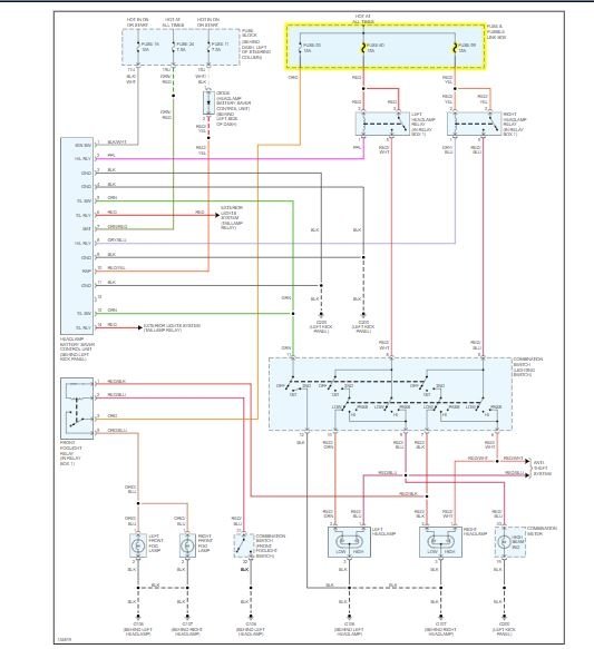
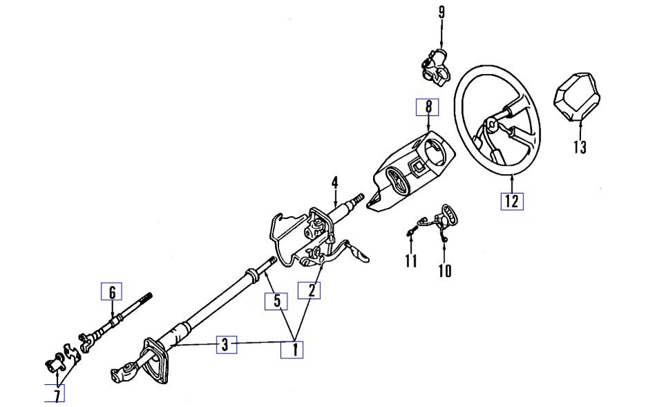
Good morning,
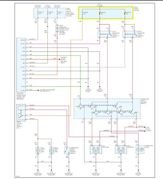
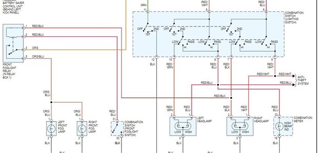
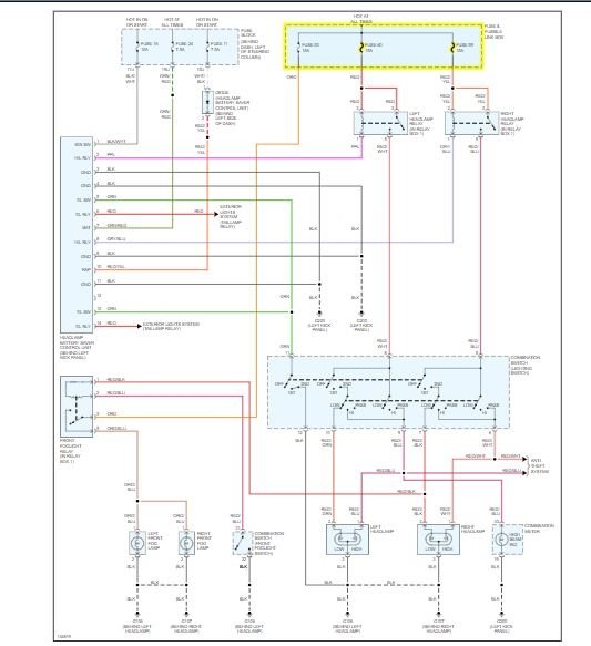
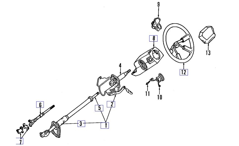
This sounds like the multi-function switch has failed.
https://www.2carpros.com/articles/how-a-headlight-switch-works
I assume by it, you mean the turn signal handle to change high and low beams?
Roy
Images (Click to make bigger)
Was this
answer
helpful?
Yes
No
Thursday, June 13th, 2019 AT 7:51 AM
Please
login
or
register
to post a reply.
Related Headlight Not Working Content
1987 Nissan Pathfinder 87 Pathfinder Driver Side Low...
Hello, I Have A 1987 Nissan Pathfinder, And The Low Beam On The Driver Headlight Is Not Working. High Beam Is Ok. Both Filaments On The...
Asked by
johnbanks
·
2 ANSWERS
1987
NISSAN PATHFINDER
How To Replace Headlight Assembly On A 2005 Pathfinder
How To Replace Headlight Assembly On A 2005 Pathfinder
Asked by
Anonymous
·
1 ANSWER
4 IMAGES
2005
NISSAN PATHFINDER
2003 Nissan Pathfinder Passenger Headlight
Hello, I Have A 2003 Nissan Pathfinder (canadian Model) With Daytime Running Lights. It Has 90,000 Kms (56k Miles) On It. The...
Asked by
acastro08
·
1 ANSWER
1 IMAGE
2003
NISSAN PATHFINDER
1999 Nissan Pathfinder Hazard Lights/head Lights
1999 Nissan Pathfinder Four Wheel Drive Automatic Where Would I Change Out A Flasher Relay? Cant Tell By Looking At My Owner's Manual.
Asked by
marvetta preston
·
1 ANSWER
1999
NISSAN PATHFINDER
Is A 2005 Front Headlight Assembly The Same For The...
Is A 2005 Front Headlight Assembly The Same For The 2007 Model. Left Side
Asked by
austinmrtn1987
·
1 ANSWER
2007
NISSAN PATHFINDER
VIEW MORE
Ask a Car Question. It's Free!
Headlight Dim or Dull
Have a Dim Headlight? - Try Replacing This!
How to Use a Test Light