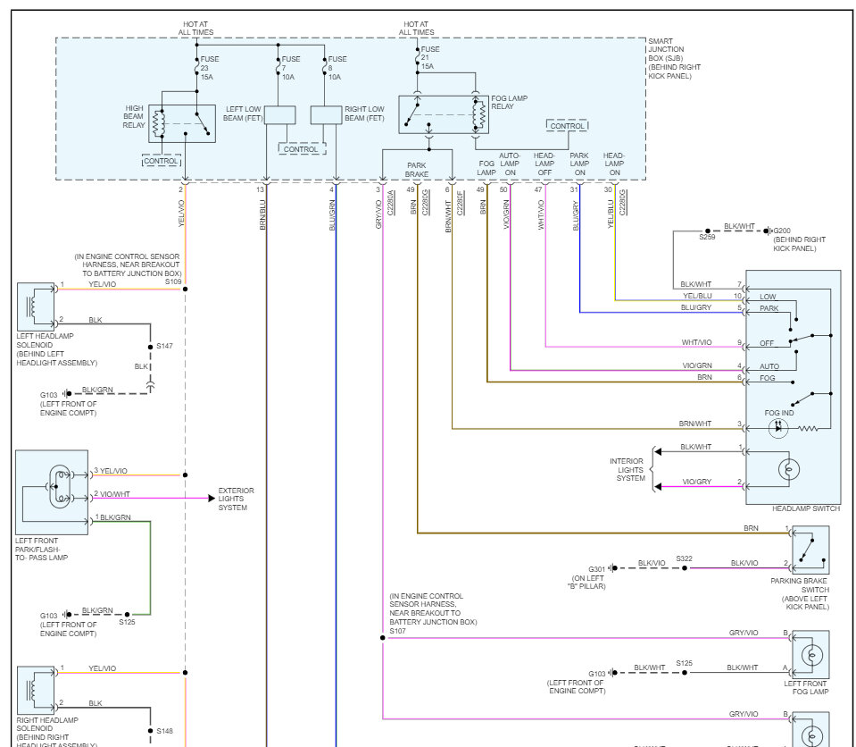
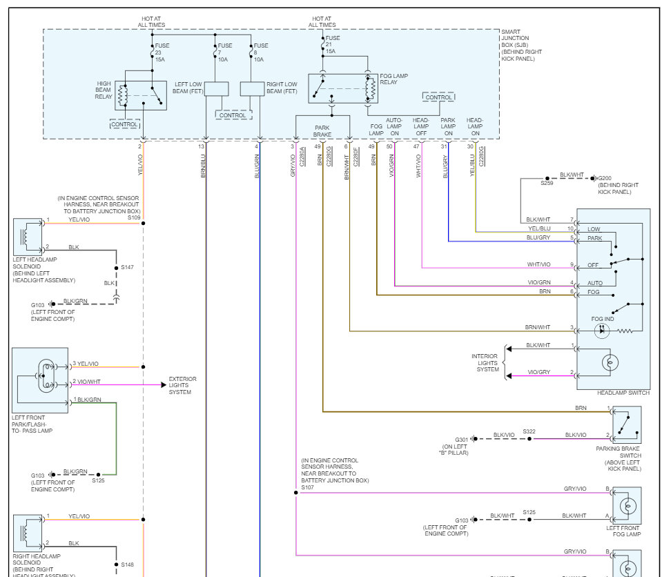
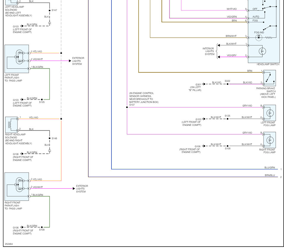
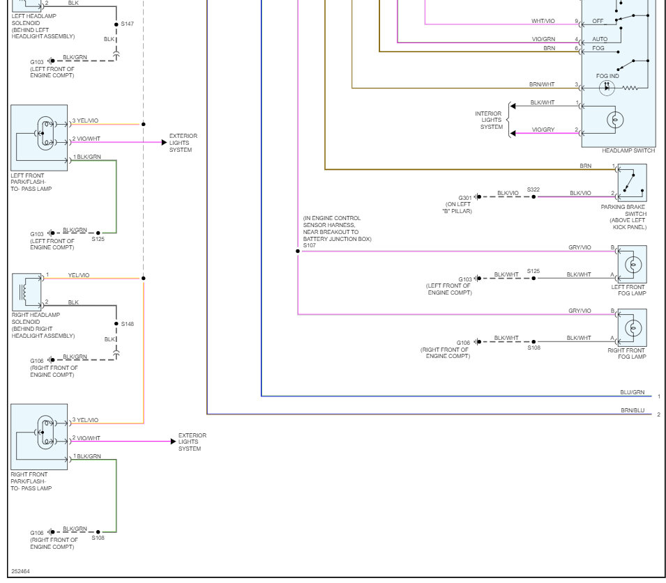
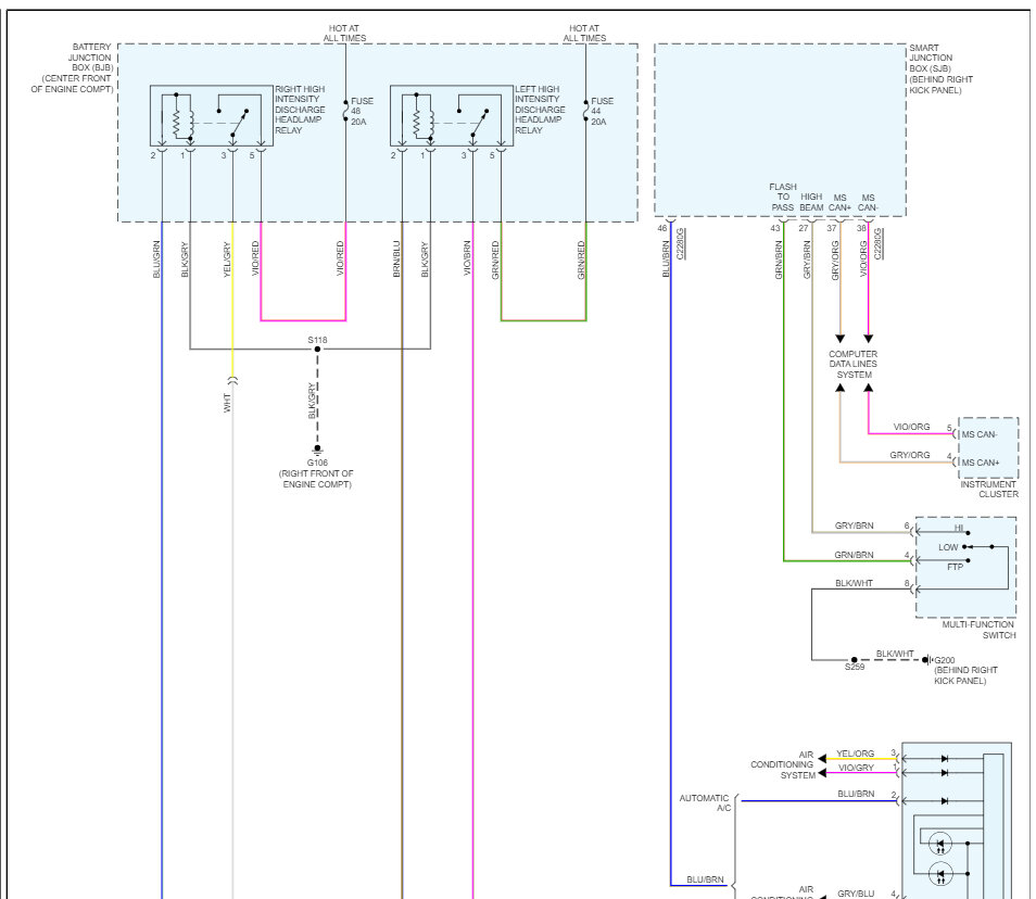
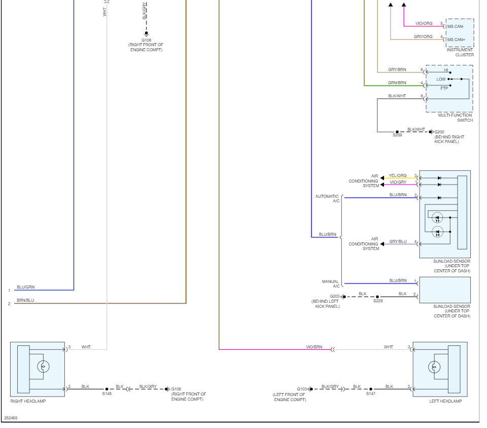
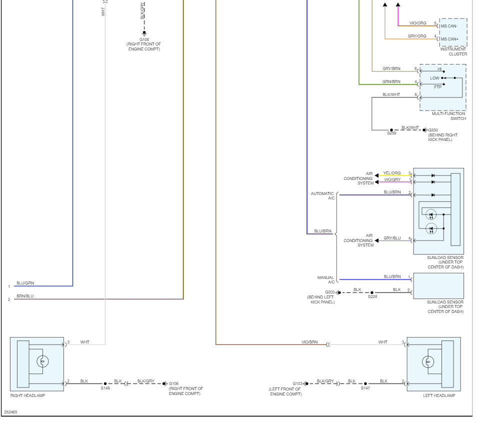
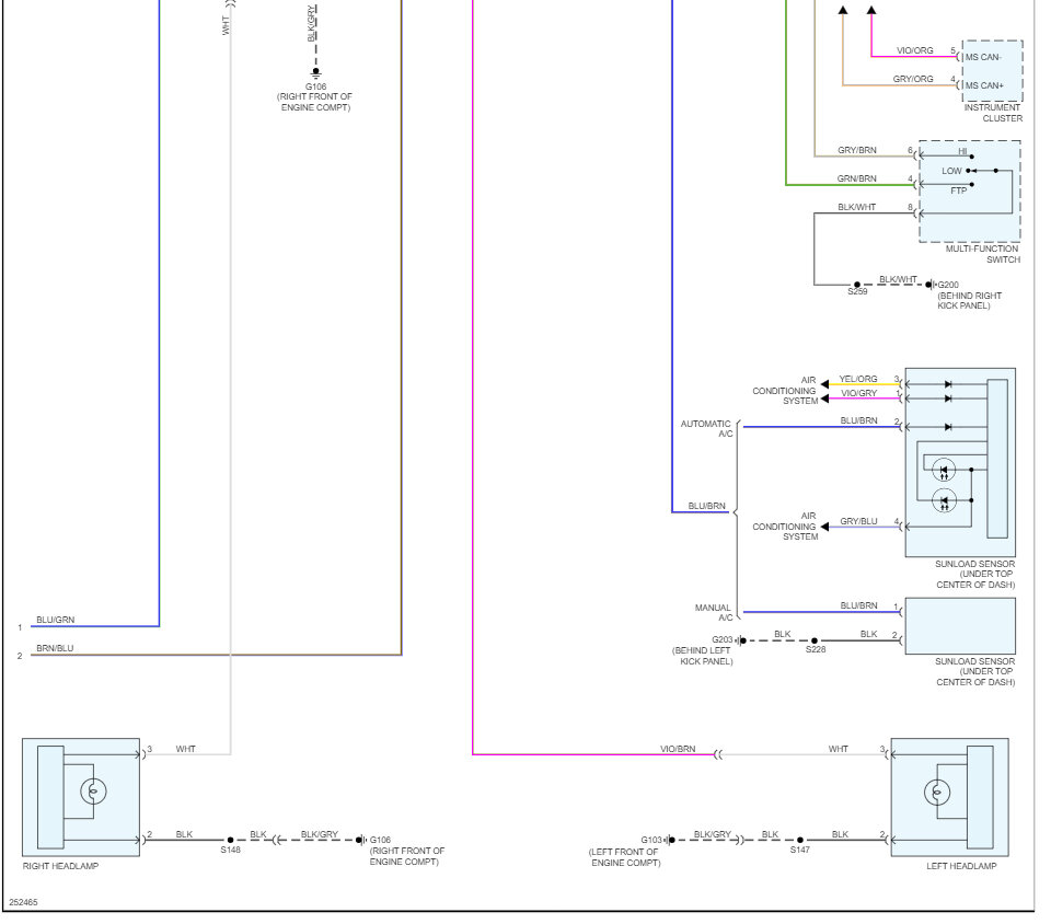
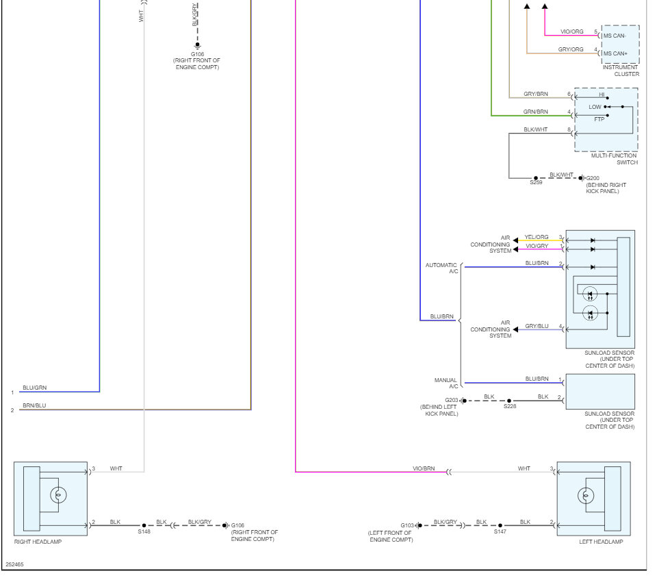
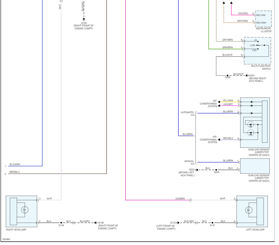
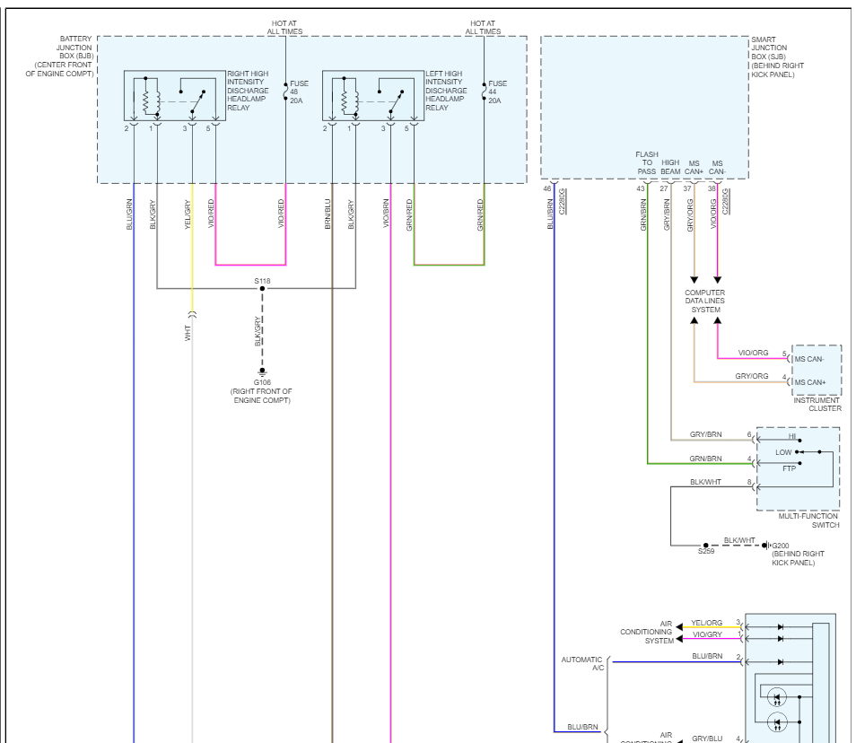
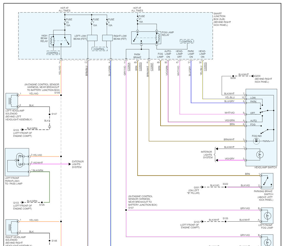
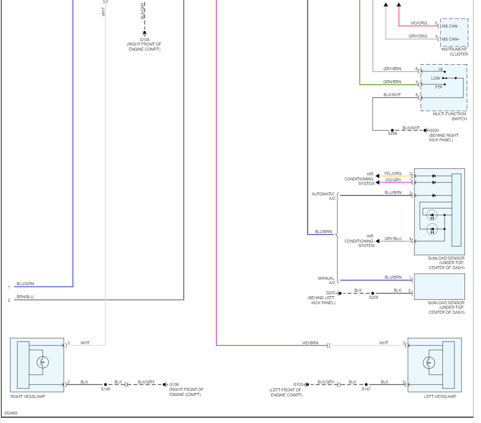
Friday, October 13th, 2023 AT 10:40 PM
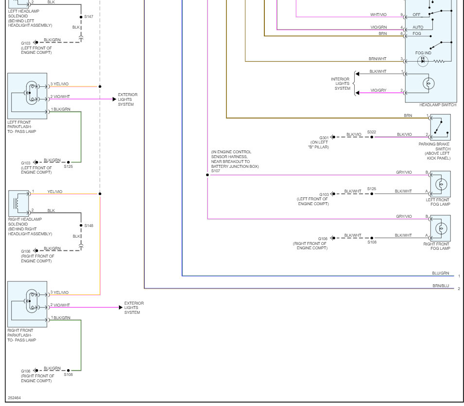
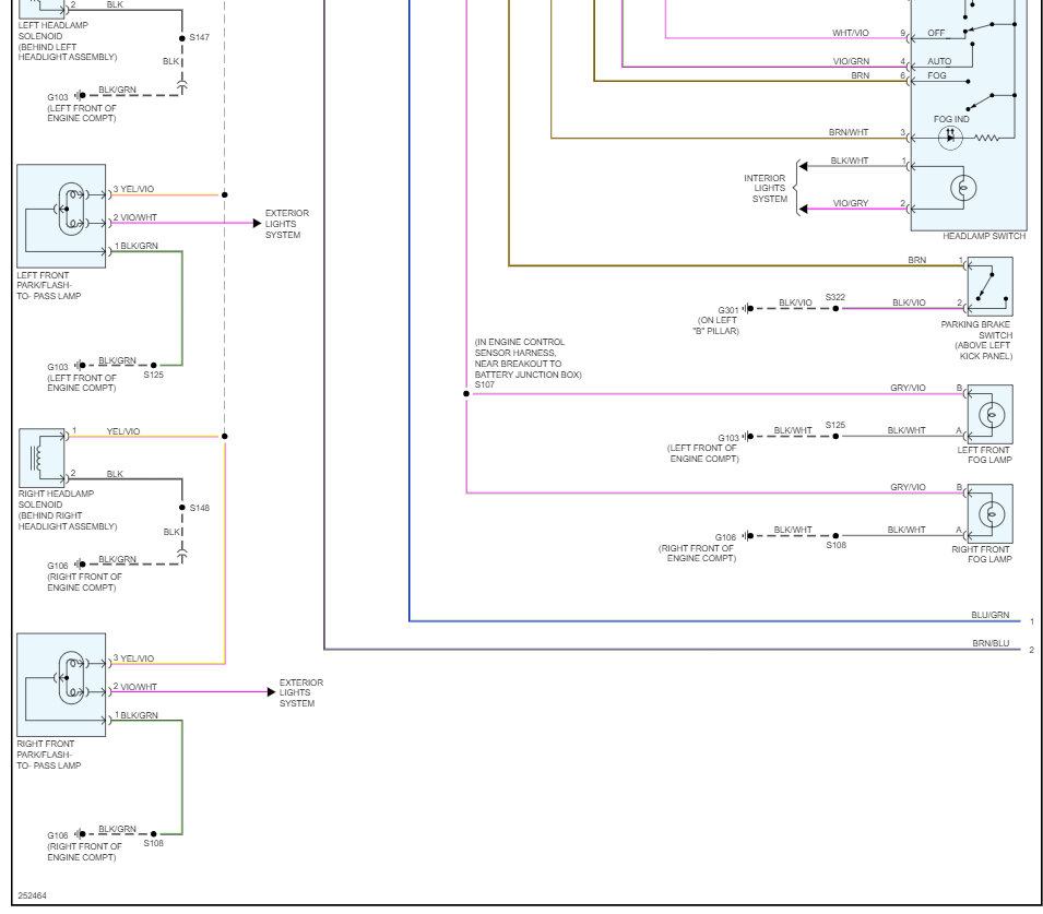
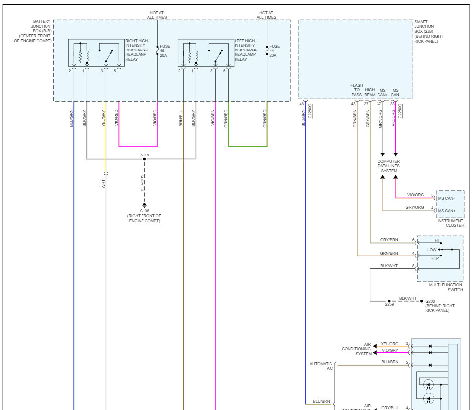
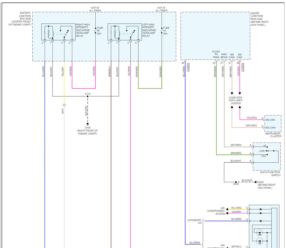
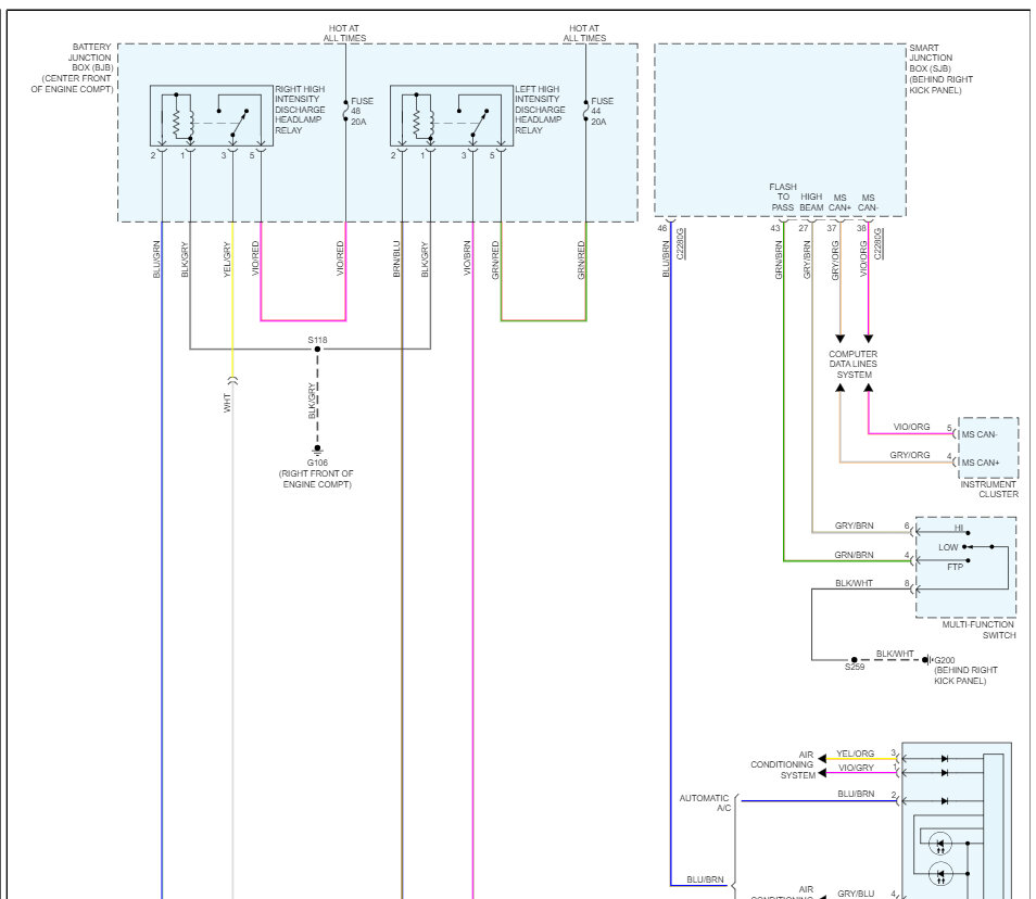
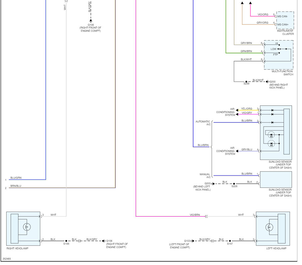
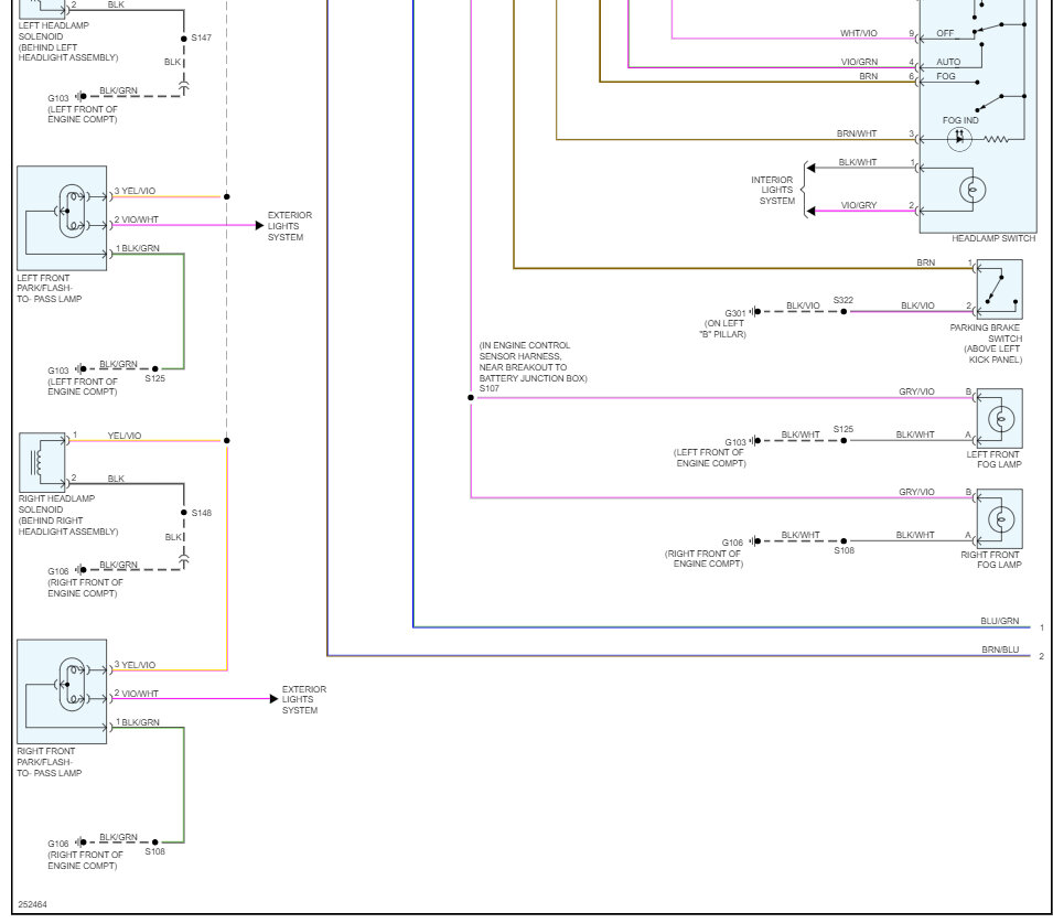
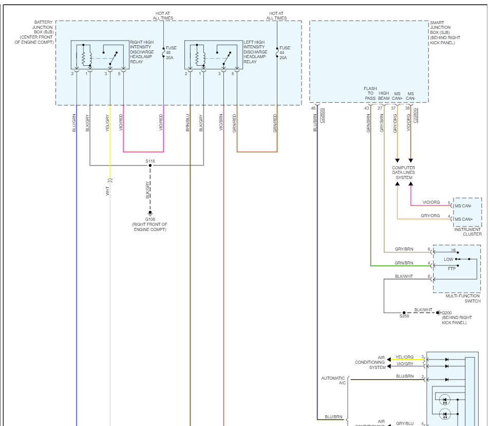
I have the vehicle listed above with HID lights. High beam lights on all the time. I can not switch them off. I bought a new interior dimmer/blinker switch and interior headlight switch, but it did not fix the problem. What do I do?








