Sunday, March 23rd, 2025 AT 7:10 AM
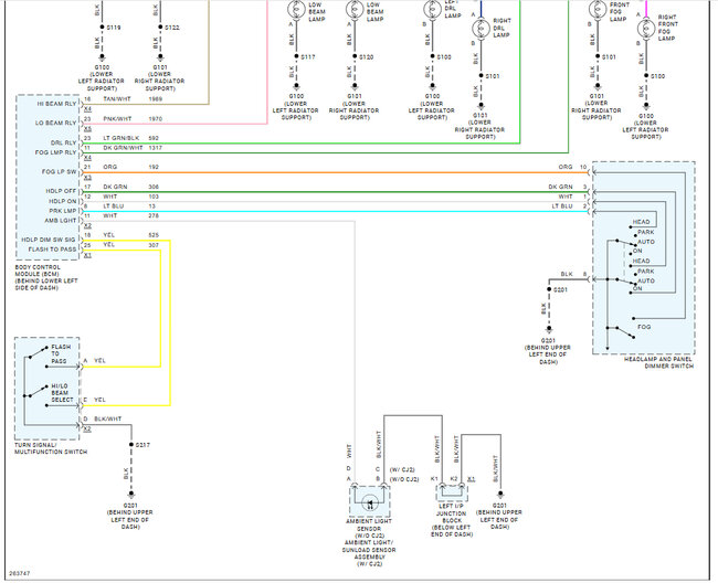
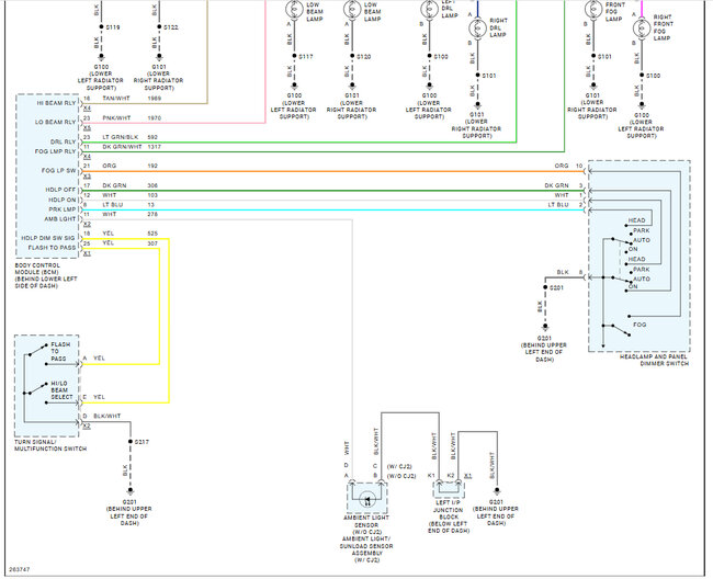
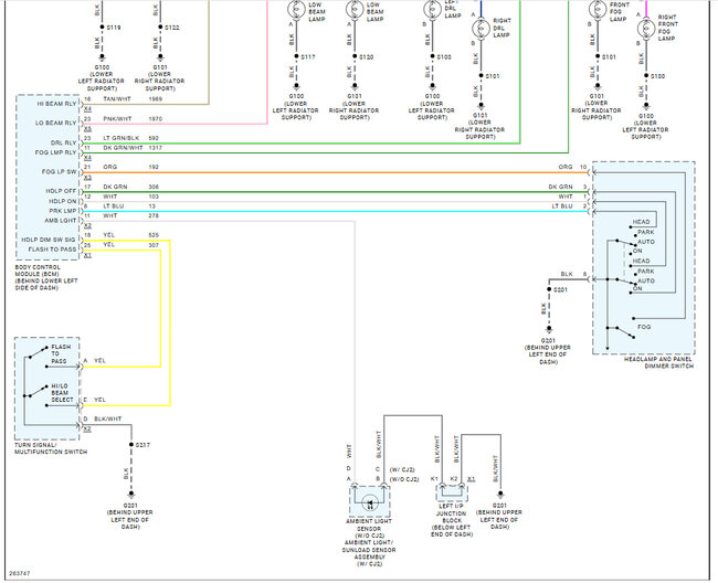
Just need the wiring diagram for the headlight switch, thank you. Tested everything and everything is fine. So, I just want to know if it's my switch I need to replace, which I believe it is. And for a new switch it's $100+ so I don't want to make this mistake. Lol Thank you again.





