Monday, November 16th, 2020 AT 11:08 PM
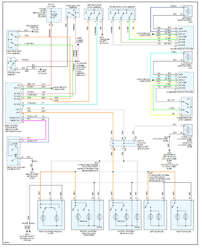
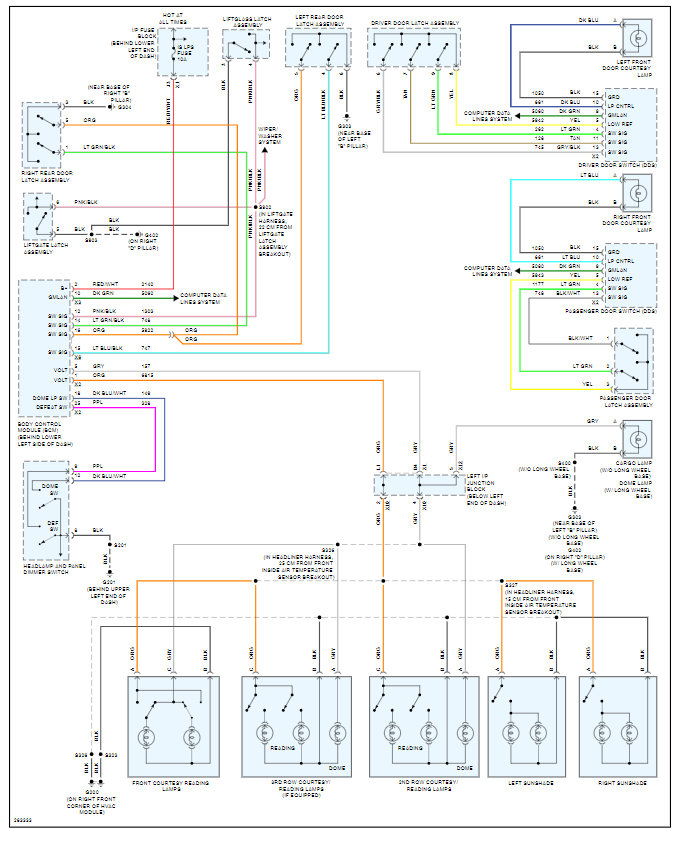
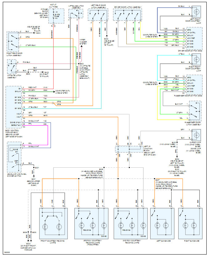
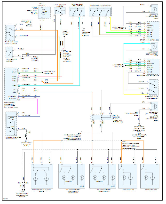
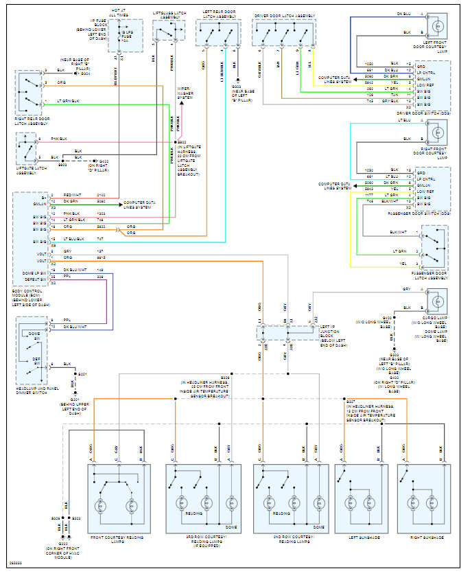
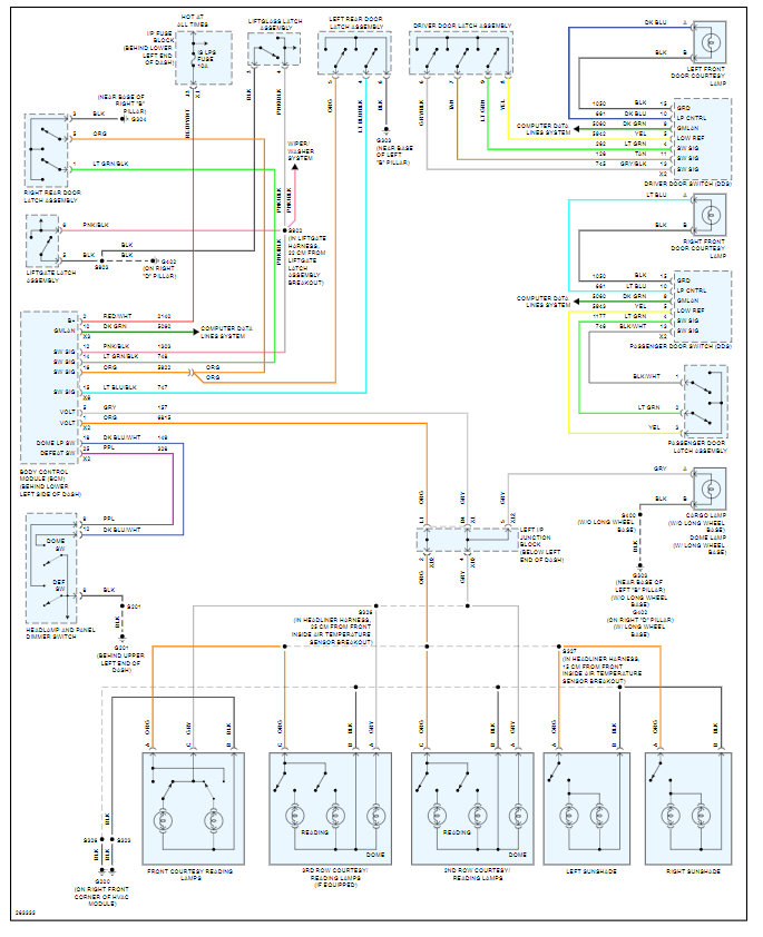
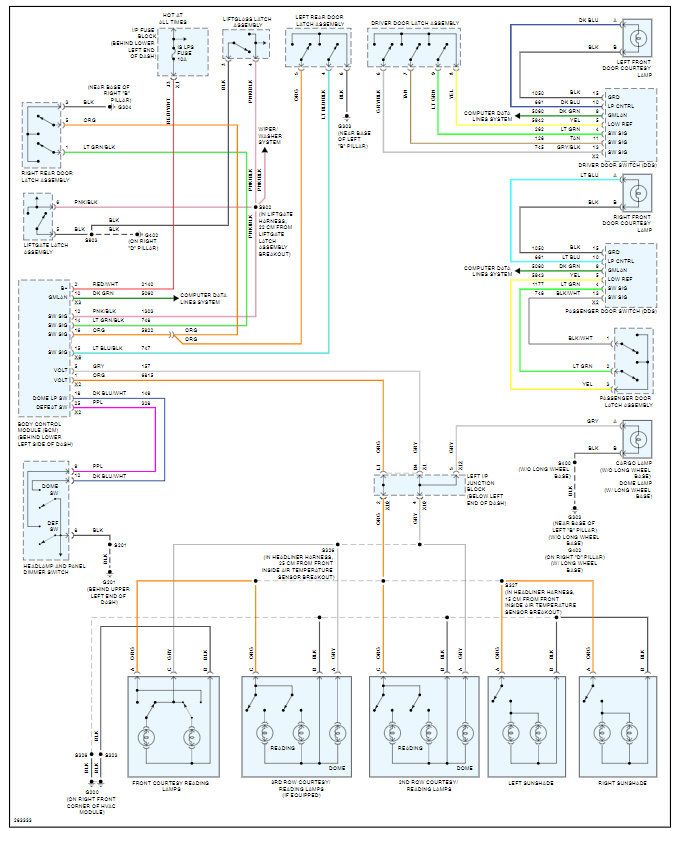
Hello, I am installing LED running board lights and need to find the wires to tap into the headlights/turn signal wires so they flash amber and stay on with headlights and turn signal and also need to tap into dome lamp lights wire to enable the courtesy door light feature so the lights light up white instead of amber when the door is open. From videos I have seen the wires are coming from the BCM plugs in the truck somewhere. I need to find what color wire and color plug harness I am looking for to tap into both correct wires please to complete my project. I want to use my test light on each wire pin to test for correct wire.






















