Head lights not working?

Tiny
JULIE GOMEZ
  • MEMBER
  • 2016 HYUNDAI VELOSTER
  • 4 CYL
  • TURBO
  • 45,000 MILES
Both my headlights don't work. The high beams. Could it be a fuse if both are out at the same time?
Friday, June 30th, 2023 AT 2:11 PM

1 Reply

Tiny
MATHGEN
  • MECHANIC
  • 128 POSTS
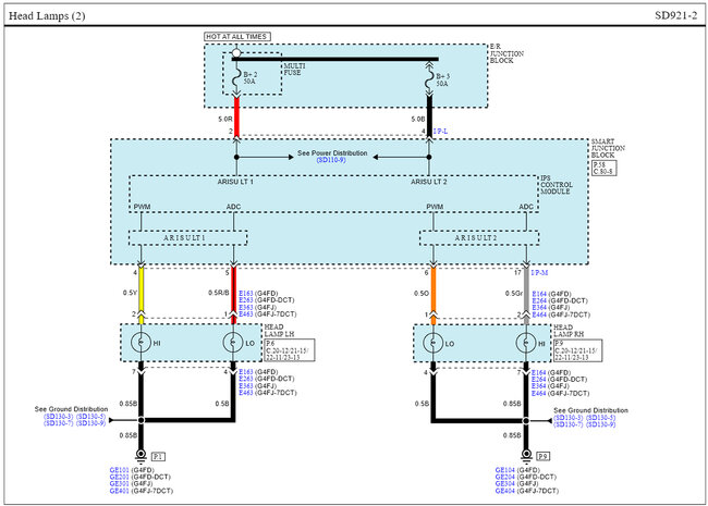
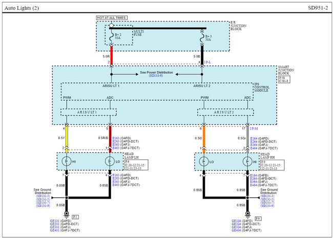
The headlights on your vehicle are computer controlled. There is no separate fuse just for the high beams. Based on the information I have; my first instinct would be a failed multifunction switch. I have included wiring diagrams and a component test which covers both auto lamps and non-auto. I hope this gets you headed in the right direction, please let me know what you find.
Was this
answer
helpful?
Yes
No
Saturday, July 1st, 2023 AT 6:41 AM

Please login or register to post a reply.