Tuesday, March 4th, 2025 AT 11:44 AM
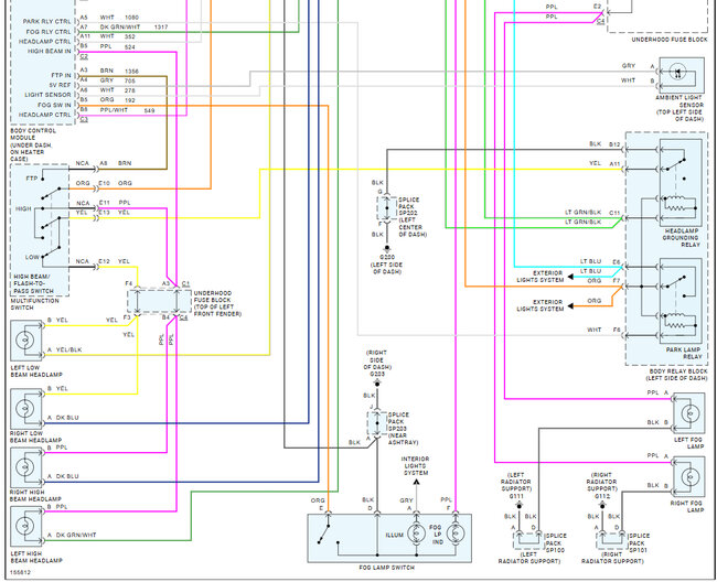
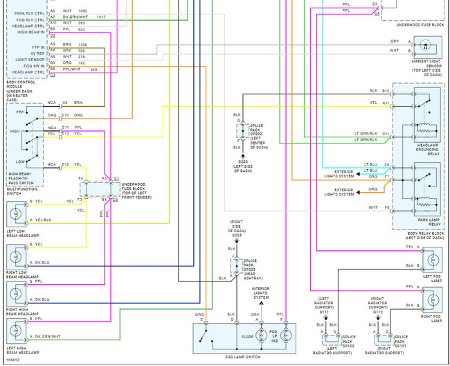
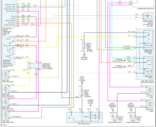
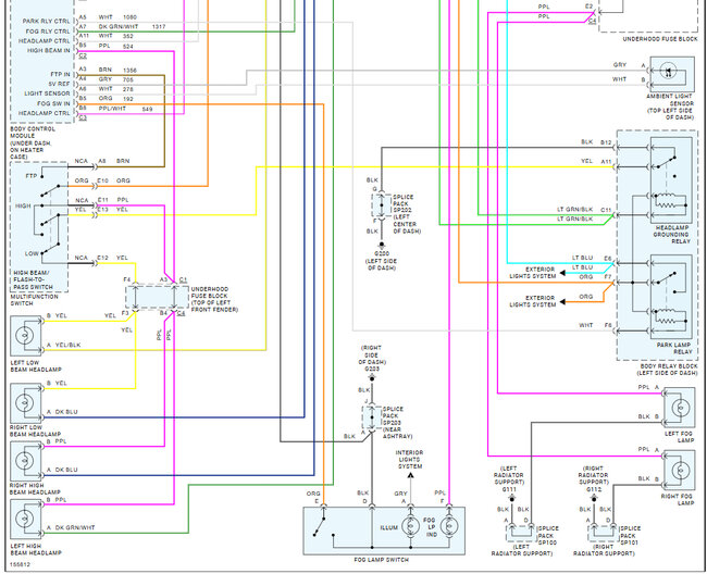
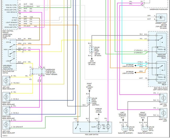
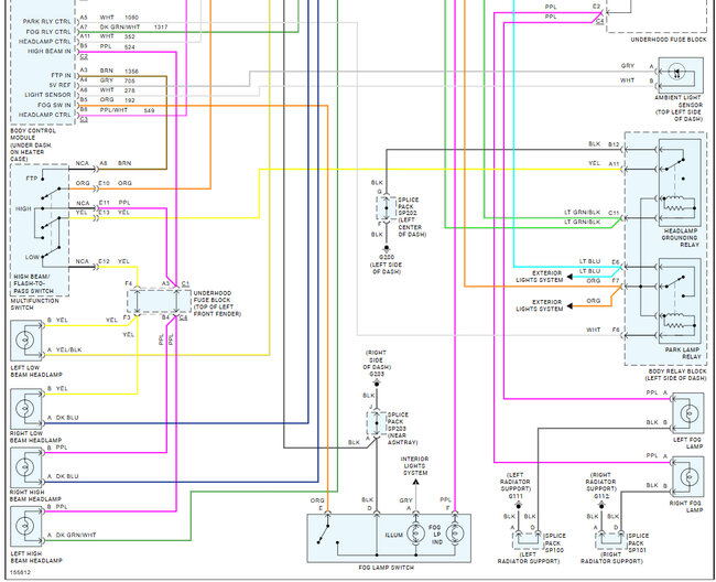
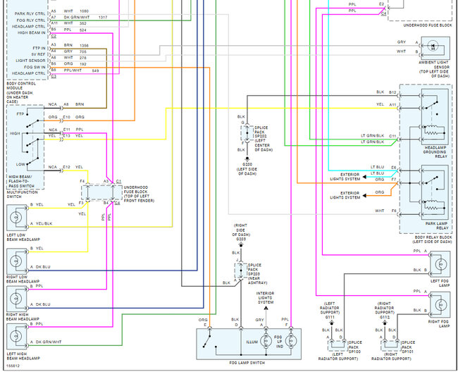
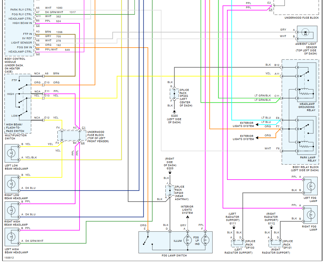
When the headlamps are on the low setting, they all work correctly, the headlamps and the daylight driving lights are all on, but when I switch to the bright setting the left high beam lamp doesn’t illuminate and the daylight driving light on the left goes out. I’ve discovered that if I hold the multi-dimmer switch lever halfway all the lights are on and working correctly, but as soon as I let go of the dimmer switch lever and it returns to the resting position the left lights go out. I’ve installed a new headlamp switch, a new dimmer, turn signal, cruise control multi-switch on the steering column, all new headlamps and bulbs, and I’ve checked all the grounds. I used to repair and restore Corvettes for 30 years and I’m a decent mechanic, but I’ve checked everything that goes to the lights. It’s acting as if the dimmer switch is bad, but I’ve replaced it, so as far as I can tell there’s no other switches on the column other than the multi-switch that I’ve already replaced. So, I would really love it if someone could tell me if there’s a switch I don’t know of, or if it’s something else that I’m missing.




