Head lamp, low and high beam, not working?

Tiny
SENGA
  • MEMBER
  • 2007 DODGE CALIBER
  • 1.8L
  • 4 CYL
  • 2WD
  • MANUAL
  • 85,000 MILES
Hello, I would like to ask about head lamps high and low beams. They are not working. I tested all fuses and found that all are okay, no blown fuse.

How can I test which cause the problem?

I need wiring diagram for that situation.

thanks
Monday, February 10th, 2025 AT 5:36 AM

10 Replies

Tiny
AL514
  • MECHANIC
  • 5,562 POSTS
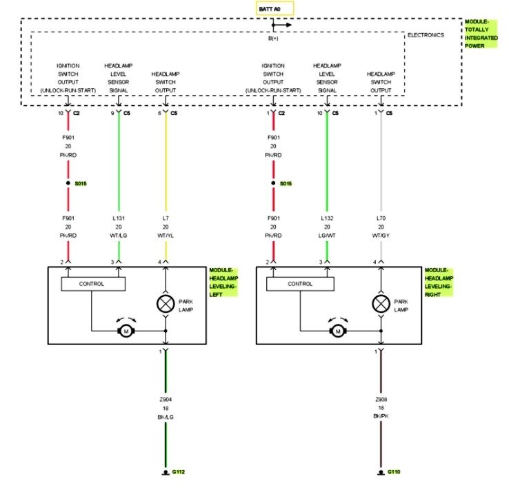
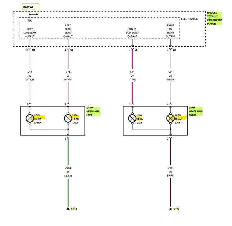
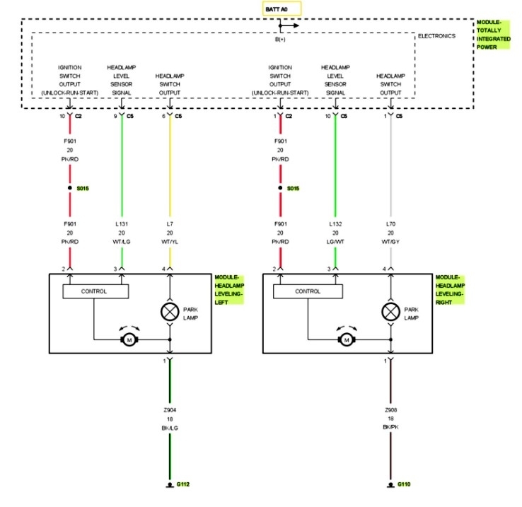
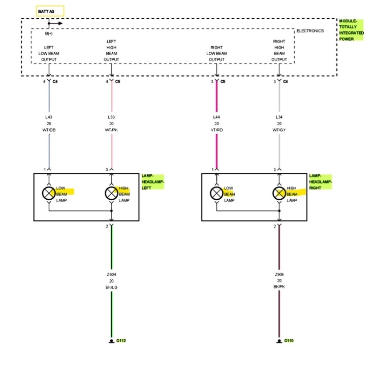
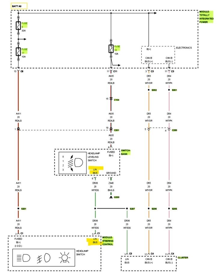
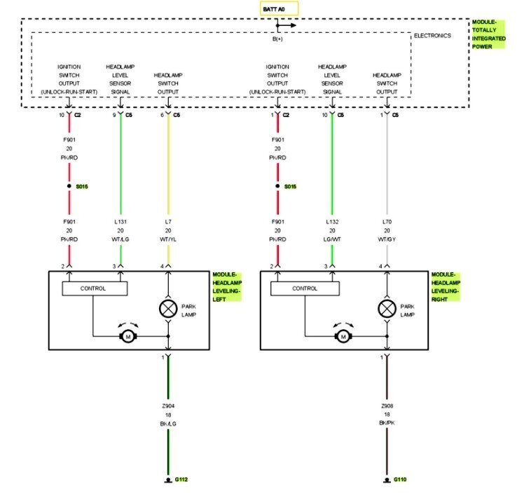
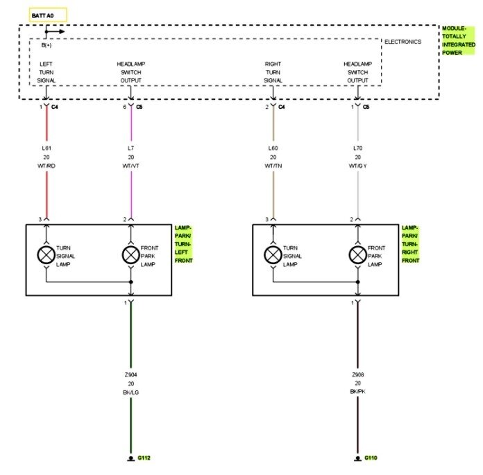
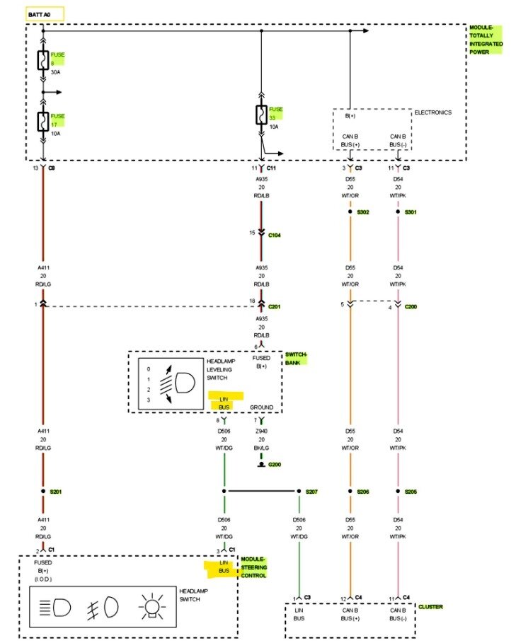
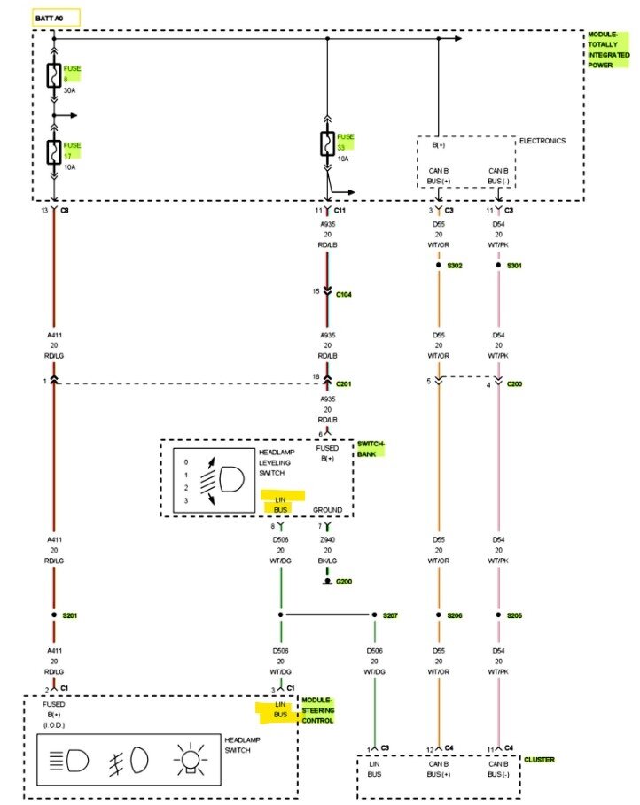
Hello, both head lamps (high and low beam) are fed power from the TIPM (totally integrated power module), will post the wiring diagrams for both, but the input for the headlamps is done by the switch being on a LIN bus network (one of the vehicles data networks) so when testing, it would be necessary to check the inputs and see what the control module is seeing via a scan tool and live data. That would be one of the steps would be when checking to see if the module is receiving the correct input, and depending on that, it would give further direction when diagnosing these types of issues. The LIN bus is a pretty simple network, it's one wire communications, so anything effecting that wire can take down the Bus, effecting also any modules on it. Most LIN buses have only a couple modules on them.
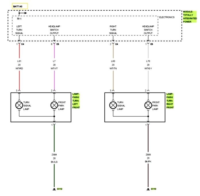
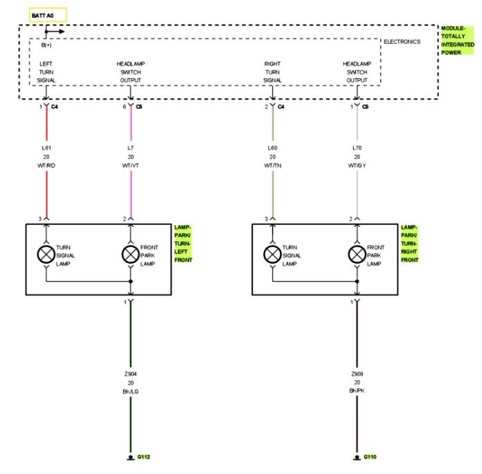
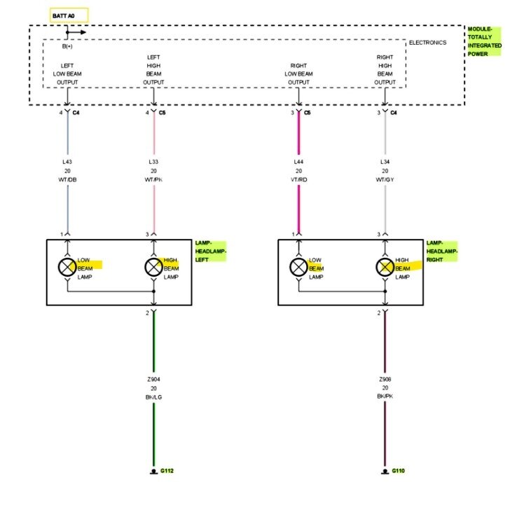
Each Head lamp assembly is on a different Ground location, you could try checking for power using a test light at the headlamp connectors, but I don't think you're going to see any power there if both are not working. But I will post the wiring diagrams so you have that service info and can see how the circuits work.

https://www.2carpros.com/articles/how-to-use-a-test-light-circuit-tester
Was this
answer
helpful?
Yes
No
Monday, February 10th, 2025 AT 8:41 AM
Tiny
AL514
  • MECHANIC
  • 5,562 POSTS
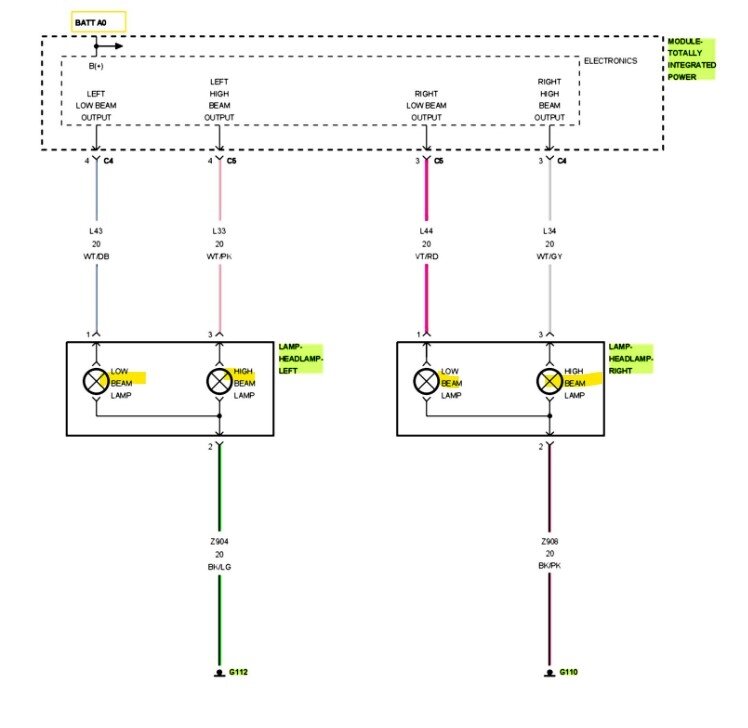
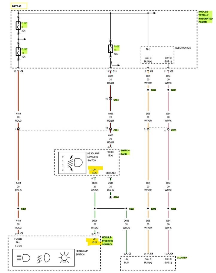
The first diagram is the aftermarket diagram, and 2-6 are the OEM wiring diagrams, but the 1st one simplifies the circuit, you can see the voltage comes directly from the TIPM, it is a known failure point, but testing and verifying the inputs is necessary to make sure its receiving a command to turn the headlamps on.
Was this
answer
helpful?
Yes
No
Monday, February 10th, 2025 AT 8:48 AM
Tiny
SENGA
  • MEMBER
  • 33 POSTS
I have checked the left head lamp is working well but the right-side head lamp is not working. I have checked at connector there power for all low and high beams, even ground is okay. So, what is the real problem causing the bulb no lighting?
Was this
answer
helpful?
Yes
No
Friday, February 14th, 2025 AT 7:01 AM
Tiny
AL514
  • MECHANIC
  • 5,562 POSTS
What did you use to check for power at the head lamp connector? The power and ground can't be okay if it's not working. Are the pins loose inside the harness connector at the headlamp? Depending on the testing method, it may not be accurate.
Was this
answer
helpful?
Yes
No
Friday, February 14th, 2025 AT 8:38 AM
Tiny
SENGA
  • MEMBER
  • 33 POSTS
I used a testing light. I checked harness connector at the headlamp and the test light showed the presence of 12v.
Was this
answer
helpful?
Yes
No
Tuesday, February 18th, 2025 AT 12:30 AM
Tiny
AL514
  • MECHANIC
  • 5,562 POSTS
If the right headlamp is not working, and a meter is showing 12volts, then either the bulb/socket is bad, the ground is bad, or the power wire can't carry enough current. A regular test light is not enough of an electrical load, they pull only 250ma max, you're missing something in your testing. Each side uses a different Ground location, the Fog lamps use the same ground as the left headlamp, but the right head lamp uses a different ground. Are you sure the pins are not spread apart inside the connector also, not making contact with the bulb's pins.
The black/pink wire is the ground for the right side headlamp circuit, try hooking your test light to battery negative and with the bulb plugged in, back probe the ground wire and see if you get any reaction from the headlamp bulb, or run another wire for the ground to battery negative verify it's not a bad ground. Just make sure you're only attached to the black/pink wire, so you don't short out the circuit.
Theres only a couple things it can be if your test light is lighting up, check with a meter as well to make sure it's a full 12-volts. Headlamps pull a lot of current, if the wire cannot handle the current flow, a regular test light can be misleading, this is why we load test circuits.
Was this
answer
helpful?
Yes
No
Tuesday, February 18th, 2025 AT 3:52 PM
Tiny
SENGA
  • MEMBER
  • 33 POSTS
Thanks.
Was this
answer
helpful?
Yes
No
Thursday, February 20th, 2025 AT 12:35 AM
Tiny
AL514
  • MECHANIC
  • 5,562 POSTS
Okay, let us know what you find and if you need more help with testing.
Was this
answer
helpful?
Yes
No
Friday, February 21st, 2025 AT 11:06 AM
Tiny
SENGA
  • MEMBER
  • 33 POSTS
I have found that the problem is with high beam wire does not receive power, but the ground and low beam wires are okay show the presence of 12 v so I need to know why the bulb is not lighting at low beam level.
Was this
answer
helpful?
Yes
No
Monday, March 3rd, 2025 AT 11:55 PM
Tiny
AL514
  • MECHANIC
  • 5,562 POSTS
Have you checked to see if the TIPM has any codes stored in it? There may be a "B" code stored for Exterior lighting, the TIPM should be able to store Left or Right Low beam Control circuit Low codes. But you will need to use a scan tool that can scan all the modules in the vehicle. The TIPM has the ability to shut down circuits that are shorted to ground.
With a meter set to Ohms, with key off, see if the power wire you are testing has continuity to ground, use battery negative for ground. If there is a circuit shut down due to a short to ground a code will be set.
Have you monitored the voltage level with the head lamp plugged in? That's still a loaded test, you will need to back probe the headlamp connector power wire to check if voltage is being lost when its plugged in.
Was this
answer
helpful?
Yes
No
Wednesday, March 5th, 2025 AT 3:53 PM

Please login or register to post a reply.