Wednesday, August 17th, 2022 AT 3:46 PM
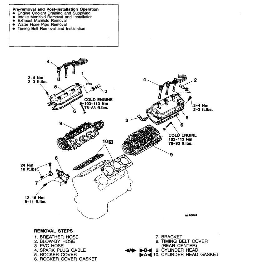
Follow up to the manifold questions. If you could provide any diagrams, advice, torque specs etc. For the rest of the project. I'm down to the exhaust manifolds and ready to remove them. It was just too hot to work on it yesterday so I will be working on it at night due to the heat. Anything you can provide would be greatly appreciated. I really wish I had found you guys sooner lol, I'm sure you would've saved me some time, money and headaches. While I'm decent at working on cars I'm not a master at it and have my moments of what the heck man! Thank you again for providing an invaluable service. Every other place you ask a question they send you to a credit card reader for pay. Thank you again. You guys' rock!









