Head gasket removal and replacement

Tiny
WIKDWILLY
  • MEMBER
  • 2002 ACURA TL
  • 3.2L
  • 6 CYL
  • 2WD
  • AUTOMATIC
  • 215,000 MILES
I need sequential diagrams, pictures, video, images, drawings. I learn through my eyes viewing the procedure, rather than just words.
A step-by-step procedure on what tools to use on what parts, first to remove to get to the head gasket and so on, with diagrams, pictures, so I know that it's the same car as mine. I can't afford to take my car to a mechanic. Can someone out there help me, please?
Monday, January 14th, 2019 AT 11:06 PM

7 Replies

Tiny
JACOBANDNICKOLAS
  • MECHANIC
  • 110,194 POSTS
Hi and thanks for using 2CarPros.

Here are the directions. They are extensive. You will need to remove the timing belt in addition to the cylinder heads. The first set of directions are for cylinder head removal.

Cylinder Head Removal
Vehicle Engine, Cooling and Exhaust Engine Cylinder Head Assembly Service and Repair Procedures Cylinder Head Removal
CYLINDER HEAD REMOVAL
Cylinder Head Removal

NOTE:
Use fender covers to avoid damaging painted surfaces.
To avoid damage, unplug the wiring connectors carefully while holding the connector portion.
To avoid damaging the cylinder head, wait until the engine coolant temperature drops below 100°F (38°C) before loosening the cylinder head bolts.
Mark all wiring and hoses to avoid misconnection. Also, be sure that they do not contact other wiring or hoses, or interfere with other parts.

1. Make sure you have the anti-theft code for the radio, then write down the frequencies for the radio's preset buttons.
2. Disconnect the negative cable from the battery.
3. Drain the engine coolant.
4. Remove the alternator belt.

See picture 1

5. Loosen the adjusting nut (A), and remove the locknut (B) and mounting bolt (C), then remove the Power Steering (P/S) pump belt (D) and pump without disconnecting the P/S hoses.
6. Remove the ground cable (E) ('00-03 models).
7. Remove the alternator.
8. Relieve fuel pressure.

See picture 2

See picture 3

9. Remove the fuel feed hose (A) and fuel return hose (B).

10. Remove the intake manifold.
11. Remove the timing belt.
12. Remove the engine wire harness connectors and wire harness clamps from the cylinder head.
Six injector connectors
Engine Coolant Temperature (ECT) sensor connector
Radiator fan switch A connector
Radiator fan switch B connector Coolant temperature gauge sending unit connector ('99 model) Crankshaft Position (CKP) sensor connector Camshaft Position (CMP) (Top Dead Center (TDC)) sensor connector Exhaust Gas Recirculation (EGR) valve connector
VTEC solenoid valve connector VTEC oil pressure switch connector Oil pressure switch connector

See picture 4

13. Remove the vacuum hoses (A) from the intake air bypass control valve (B).

See picture 5

See picture 6

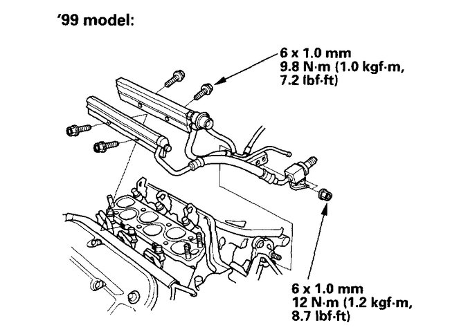
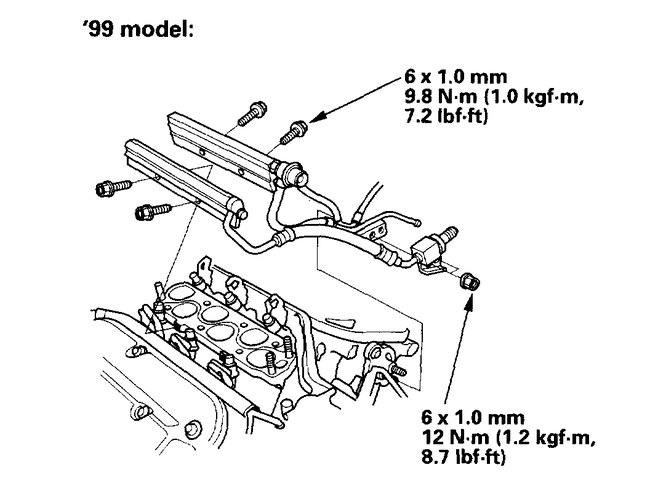
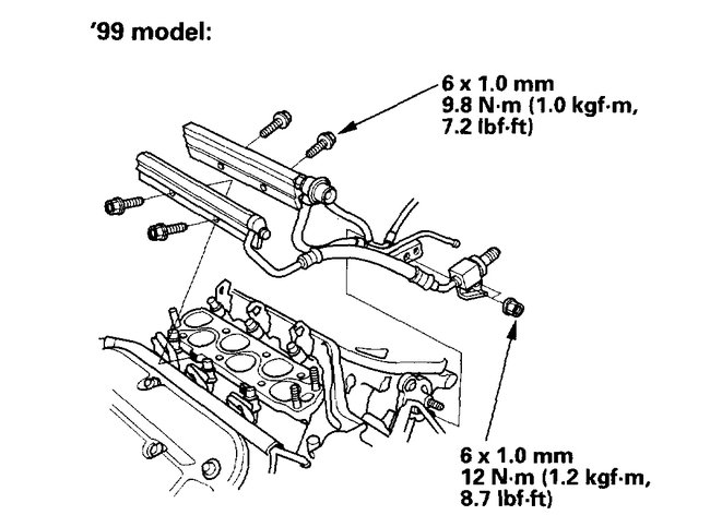
14. Remove the fuel rails.

See picture 7

See picture 8

15. Remove the heater hoses.

See picture 9

16. Remove the upper radiator hose (A) and lower radiator hose (B).
17. Remove the front and rear exhaust manifolds.

See picture 10

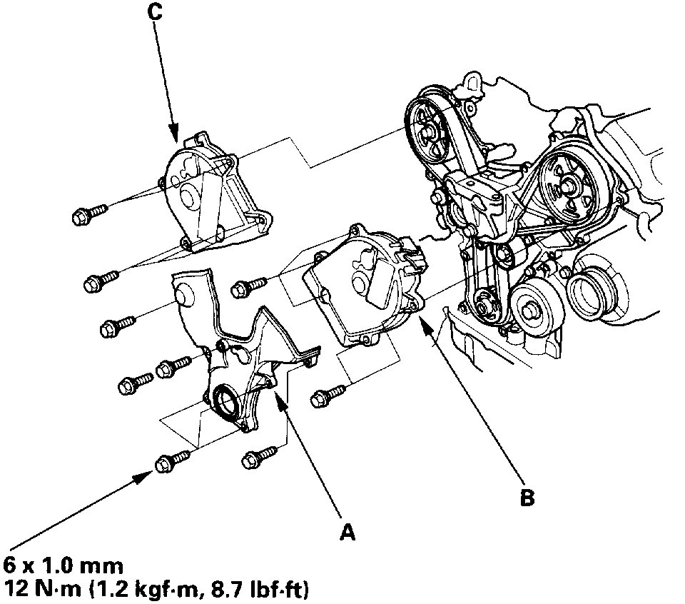
18. Remove the water passage.

See picture 11

19. Remove the camshaft pulleys (A) and back covers (B).
20. Remove the cylinder head covers.

See picture 12

21. Remove the cylinder head bolts. To prevent warpage, unscrew the bolts in sequence 1/3 turn at a time; repeat the sequence until all bolts are loosened.
22. Remove the cylinder heads.

___________________________________________________

Cylinder head replacement

Cylinder Head Installation
Install the cylinder head in the reverse order of removal:
1. Clean the cylinder head and block surface.

See picture 13

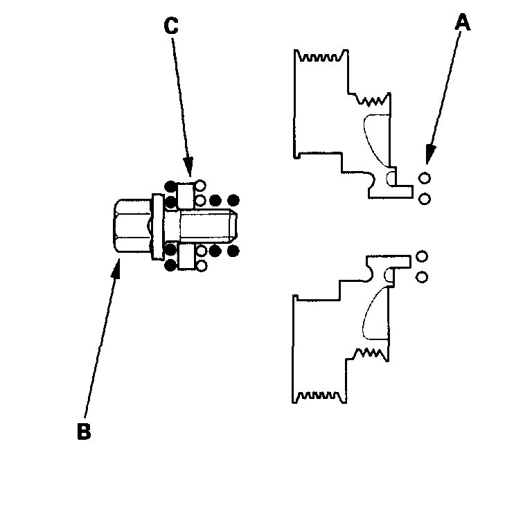
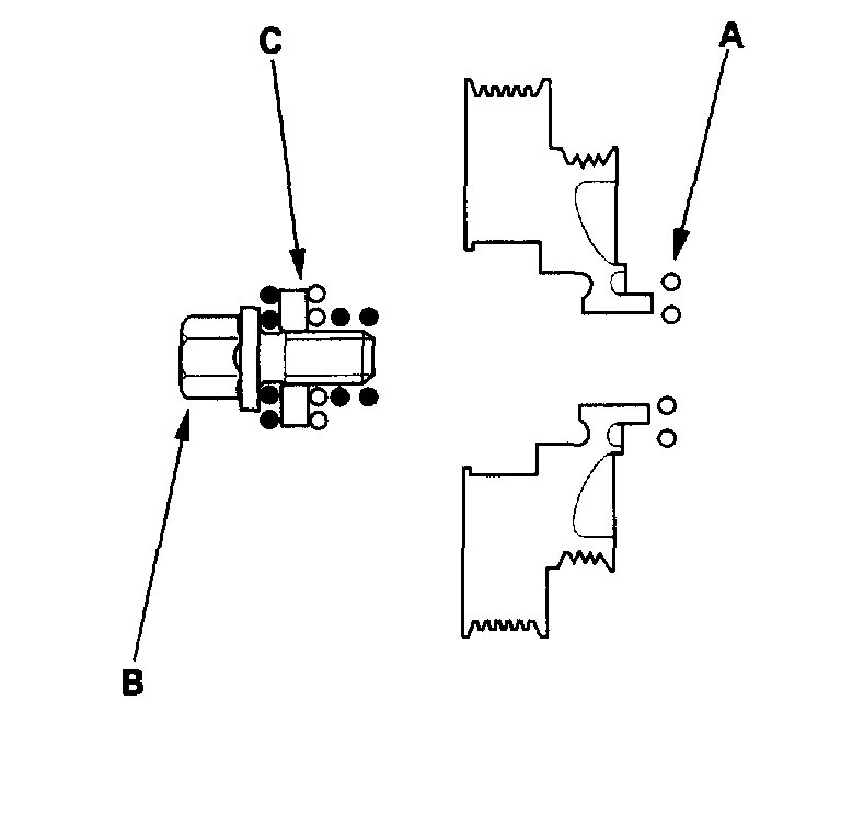
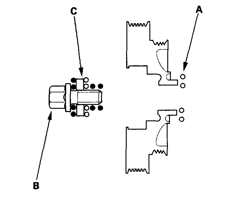
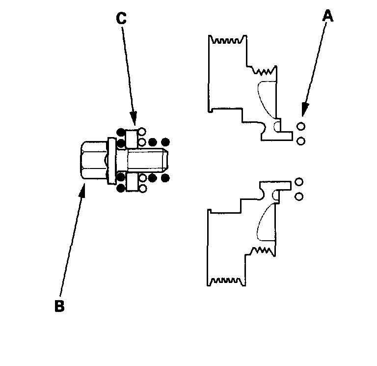
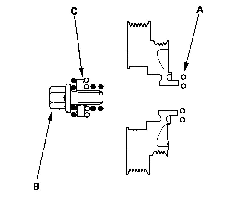
2. Clean and install the oil control orifices (A) with the new O-rings (B).
3. Install the dowel pins (C) and new cylinder head gaskets (D).
4. Clean the timing belt drive pulley.

See picture 14

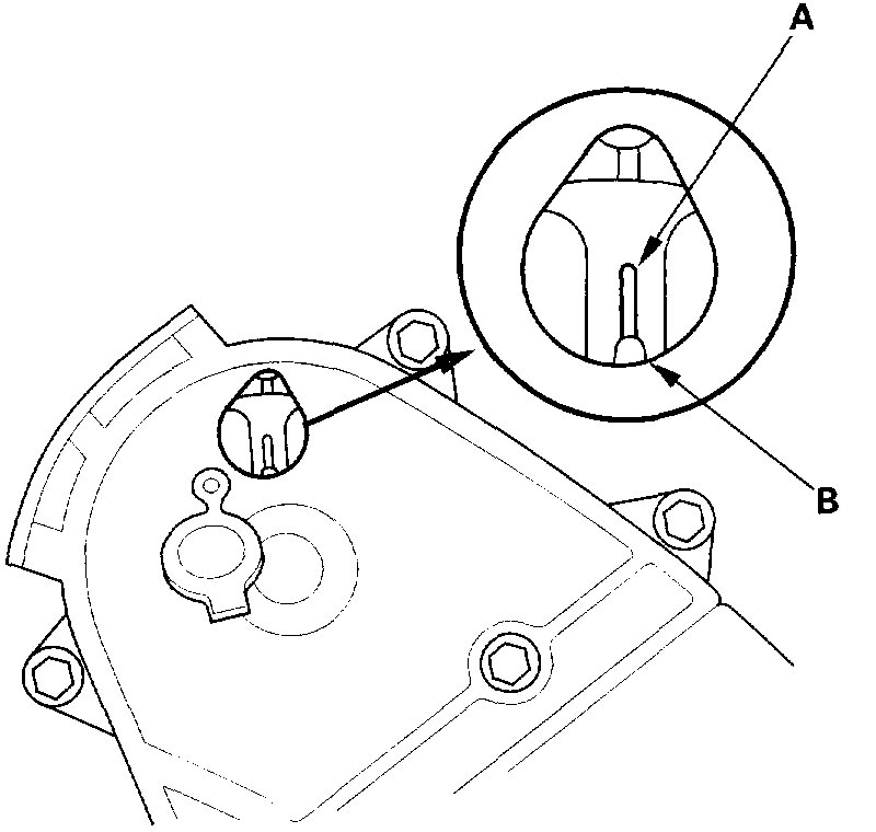
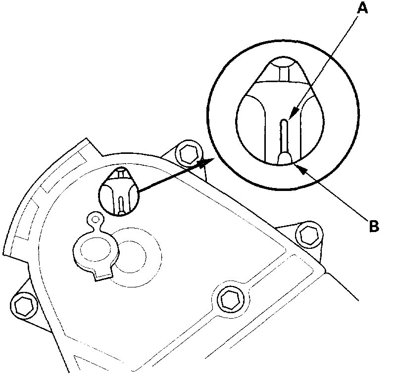
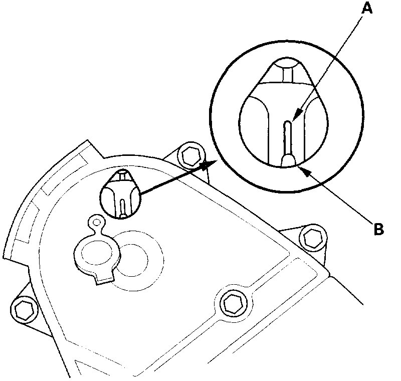
5. Set the timing belt drive pulley to Top Dead Center (TDC) by aligning the TDC mark (A) on the tooth of the timing belt drive pulley with the pointer (B) on the oil pump.

See picture 15

See picture 16

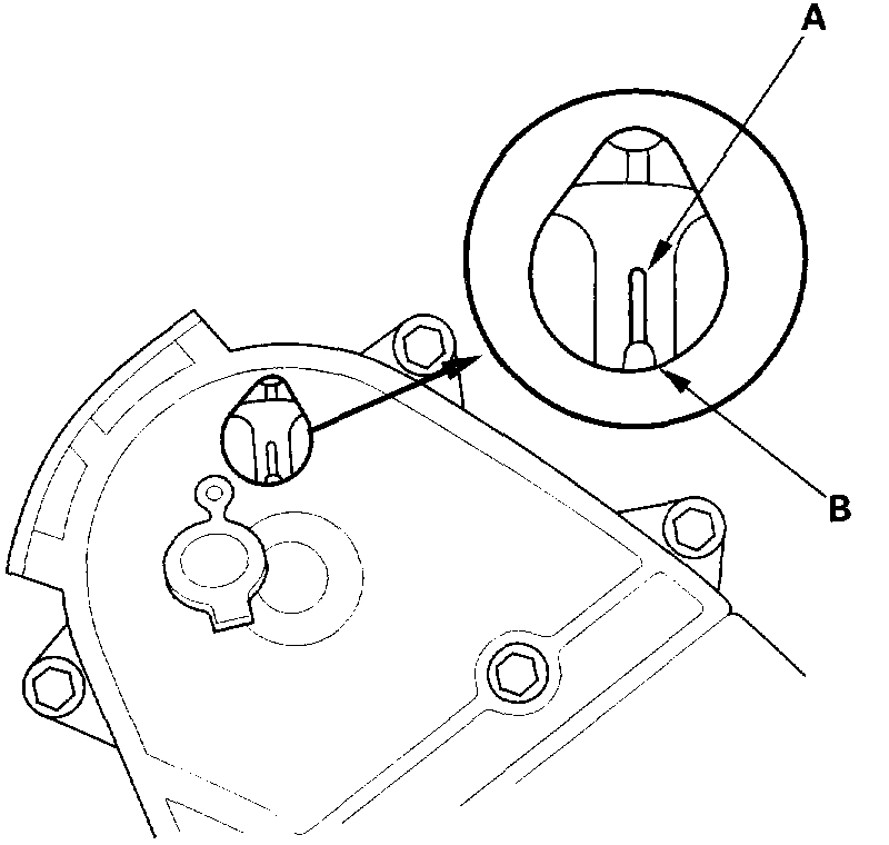
6. Clean the camshaft pulleys. Set the camshaft pulleys to TDC by aligning the TDC marks (A) on the camshaft pulleys with the pointers (B) on the back covers.
7. Apply clean engine oil to the threads and flanges of the cylinder head bolts.

See picture 17

8. Tighten the cylinder head bolts sequentially in three steps.

NOTE: Perform each step twice.

1st step torque: 39 Nm (4.0 kgf-m, 29 ft. Lbs.)
2nd step torque: 69 Nm (7.0 kgf-m, 51 ft. Lbs.)
3rd seep torque: 98.1 Nm (10.0 kgf-m, 72.3 ft. Lbs.)
Use a beam-type torque wrench. When using a preset-type torque wrench, be sure to tighten slowly and not to overtighten. If a bolt makes any noise while you are torquing it, loosen the bolt, and retighten it from the 1st step.
9. Install the timing belt.
10. Adjust the valve clearance.
11. Install the cylinder head cover.
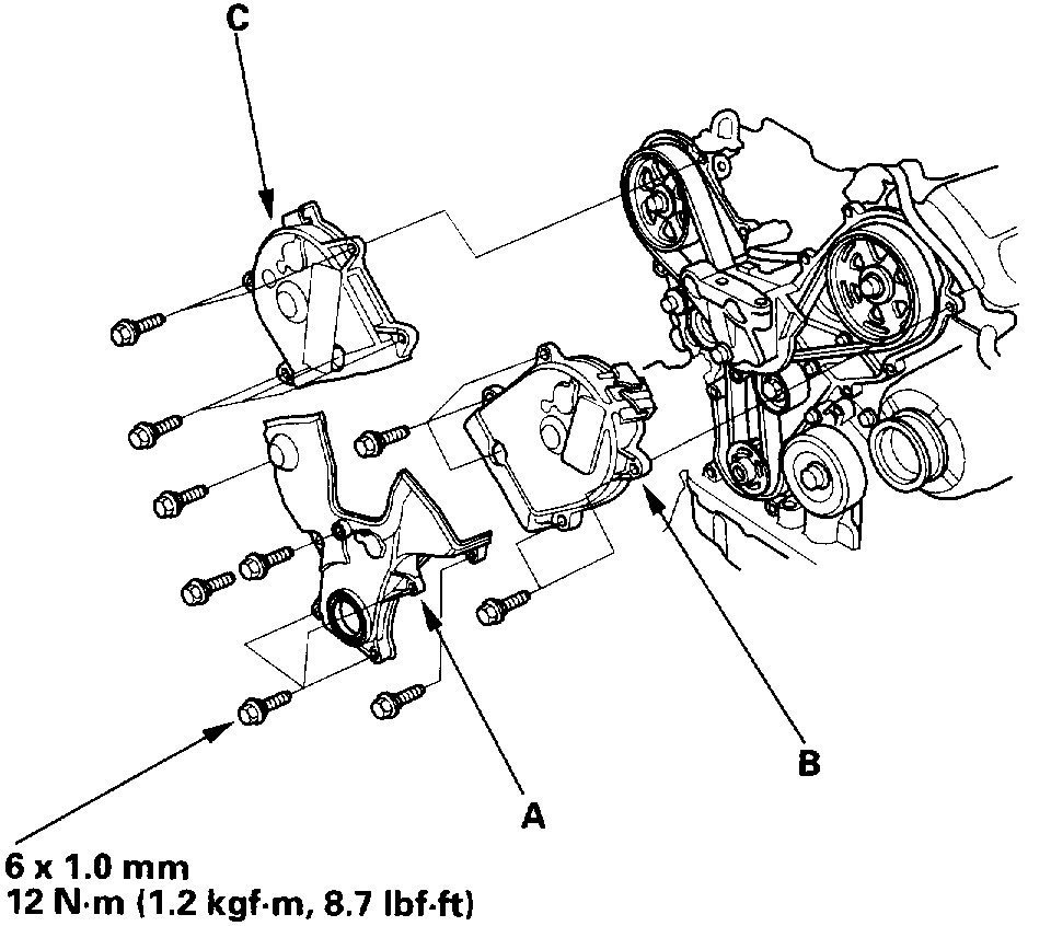
12. Install the exhaust manifold and tighten the nuts in a crisscross pattern in two or three steps, beginning with the inner nut. Always use new exhaust manifold gasket.
13. Install the nuts securing the exhaust pipe A and exhaust manifold, then install the cover on the exhaust manifold.

See picture 18

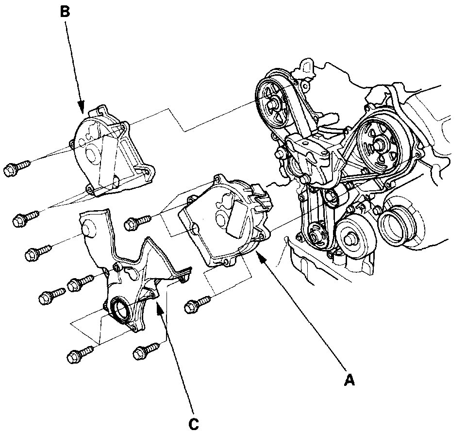
14. Install the water passage (A). Always use a new O-ring (B) and new gaskets (C).

See picture 19

See picture 20

15. Install the fuel rails.

See picture 21

16. Install the vacuum hoses (A) on the intake air bypass control thermal valve (B).

See picture 22

See picture 23

17. Install the heater hoses.

See picture 24

18. Install the upper radiator hose (A) and lower radiator hose (B).
19. Install the intake manifold.
20. Loosely install the P/S pump and P/S pump belt.
21. Adjust the P/S pump belt.
22. Install the alternator.
23. Install the alternator belt.

See picture 25

See picture 26

24. Install the fuel feed hose (A) and fuel return hose (B), using new washers (C).
25. Clean the battery posts and cable terminals with sandpaper, then assemble them and apply grease to prevent corrosion.
26. After installation, check that all tubes, hoses and connectors are installed correctly.
27. Inspect for fuel leaks. Turn the ignition switch ON (II) (do not operate the starter) so the fuel pump runs for about 2 seconds and pressurizes the fuel line. Repeat this operation two or three times, then check for fuel leakage at any point in the fuel line.
28. Refill the radiator with engine coolant, and bleed air from the cooling system with the heater valve open.
29. Perform the Powertrain Control Module (PCM) idle learn procedure.
30. Perform the power window control unit reset procedure ('02-03 models).
31. Inspect the idle speed.
32. Inspect the ignition timing.

____________________________________________________________________________________

Here are the directions for removing and replacing the timing belt. The first set of directions are for removal and will need to be done before head removal.

Timing Belt Removal
Vehicle Engine, Cooling and Exhaust Engine Timing Components Timing Belt Service and Repair Procedures Timing Belt Removal
TIMING BELT REMOVAL
Timing Belt Removal

Special Tools Required
Holder Handle 07JAB-001020A
Holder Attachment, 50 mm, Offset 07MAB-PY3010A Socket, 19 mm 07JAA-001020A or a commercially available 19 mm socket

Picture 27

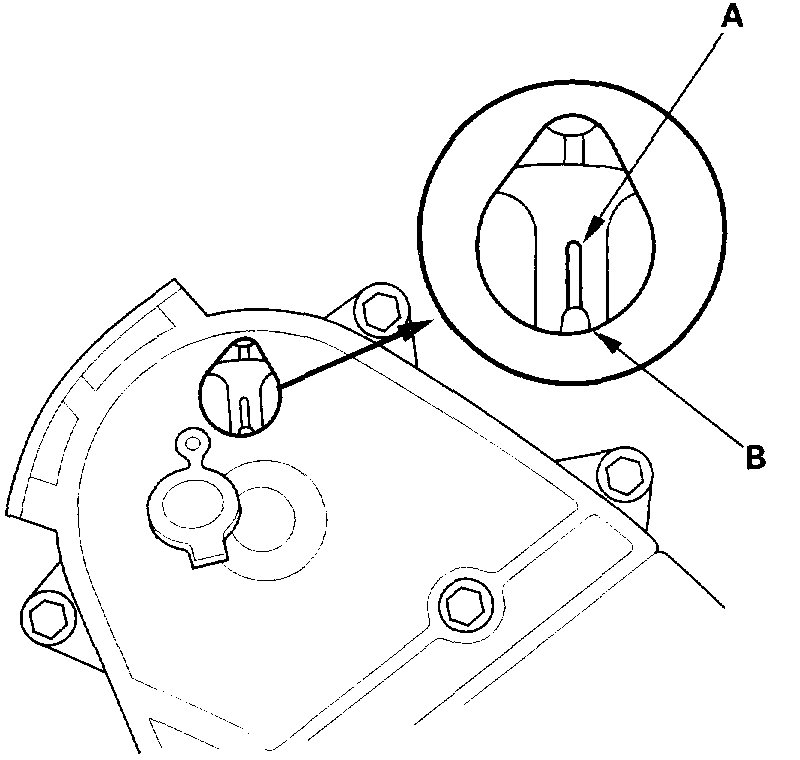
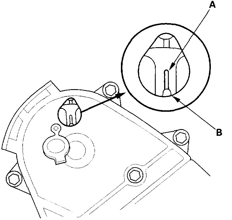
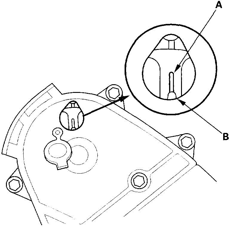
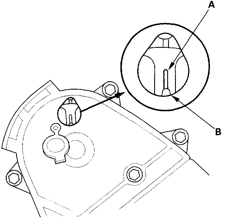
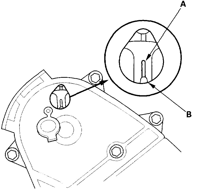
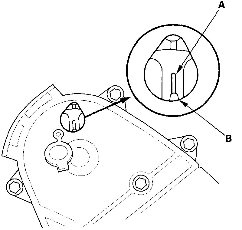
1. Turn the crankshaft so its white mark (A) lines up with the pointer (B).

Picture 28

2. Check that the rear camshaft pulley mark (A) and rear upper cover mark (B) are aligned.
3. Remove the front tires/wheels.

Picture 29

4. Remove the splash shield.

Picture 30

5. Move the auto-tensioner (A) to remove tension from the alternator belt (B), then remove the alternator belt.

Picture 31

6. Loosen the adjusting nut (A), locknut (B) and mounting bolt (C), then remove the Power Steering (P/S) pump belt (D).
7. Support the engine with a jack and wood block under the oil pan.

Picture 32

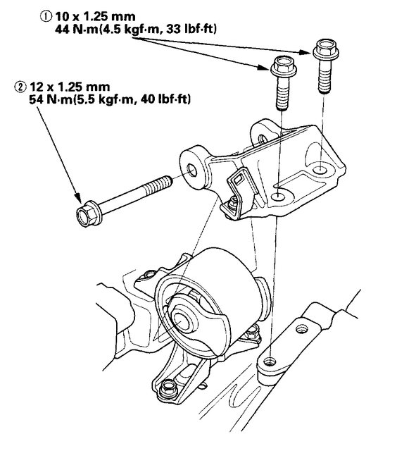
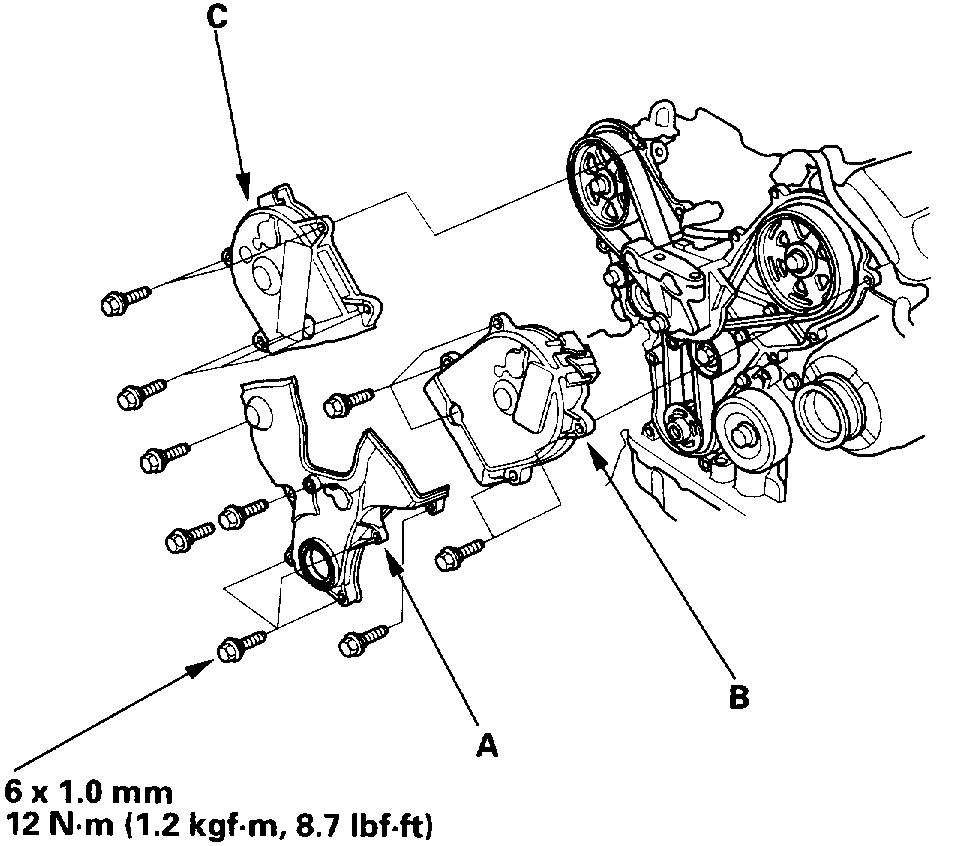
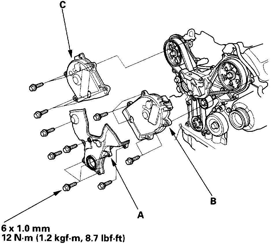
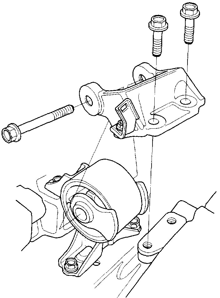
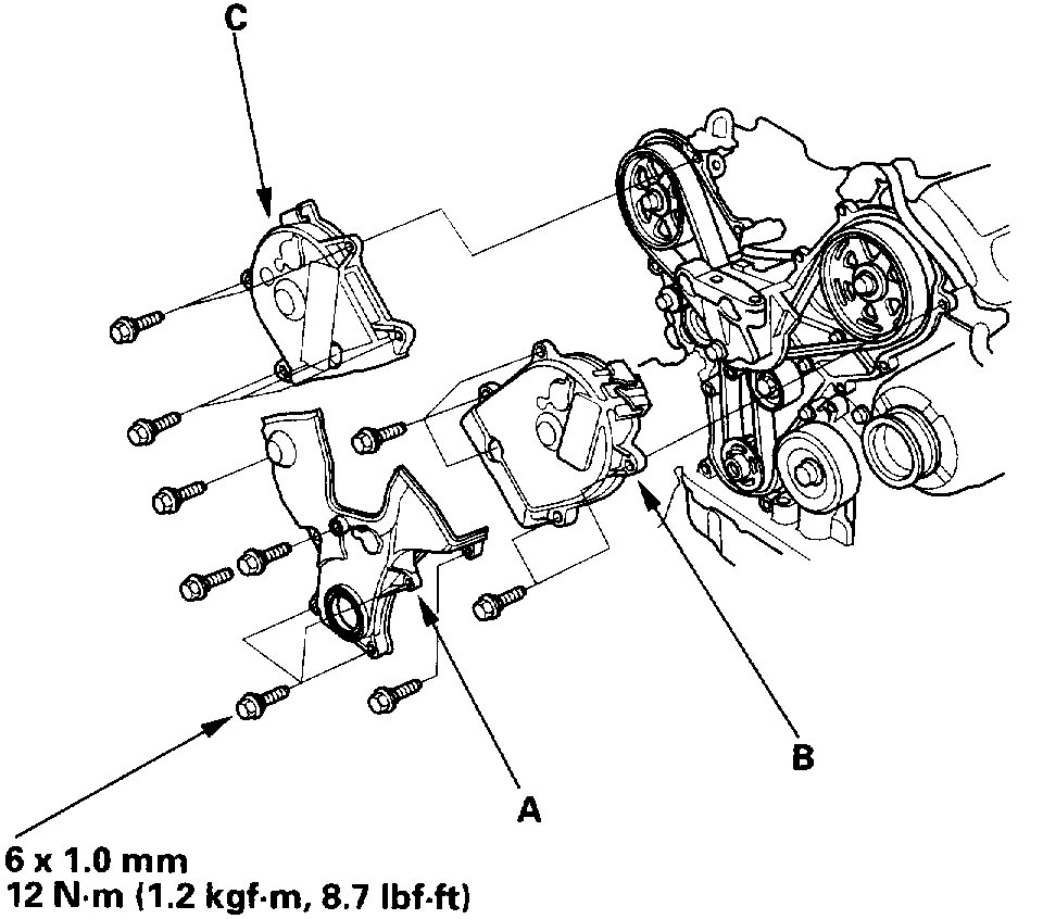
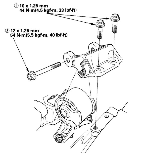
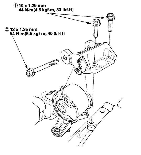
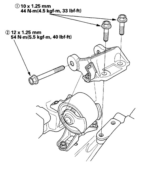
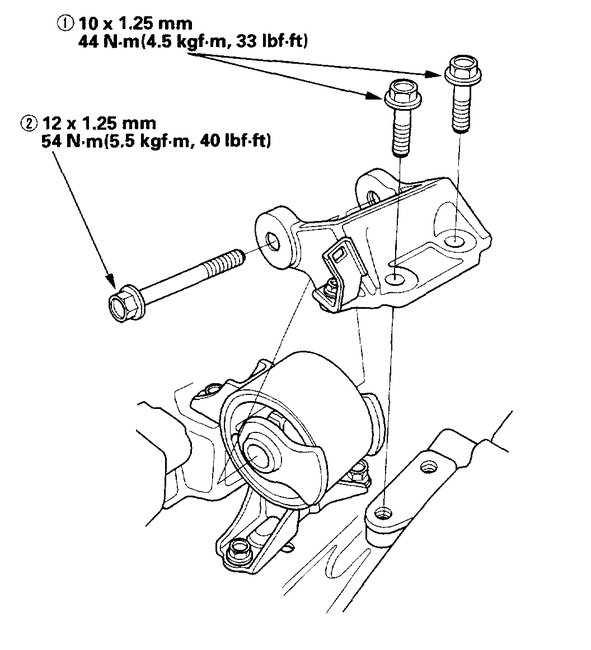
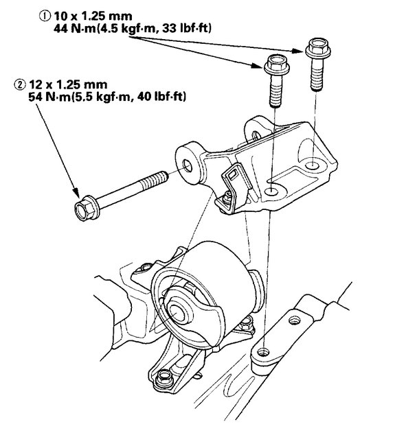
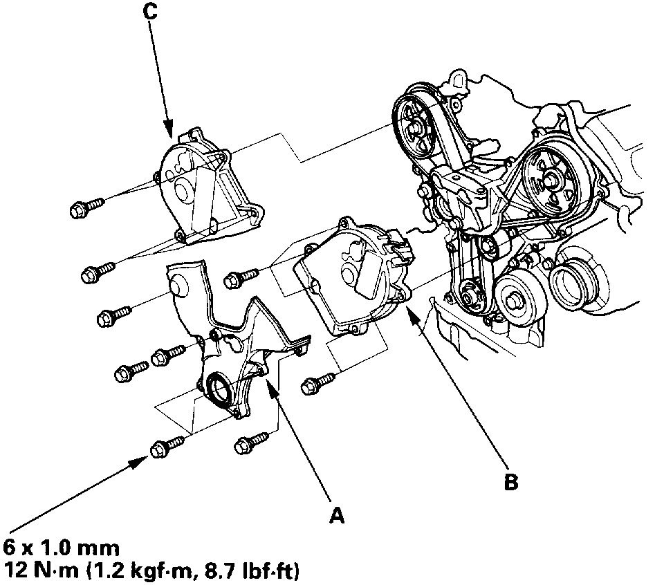
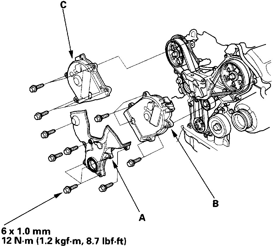
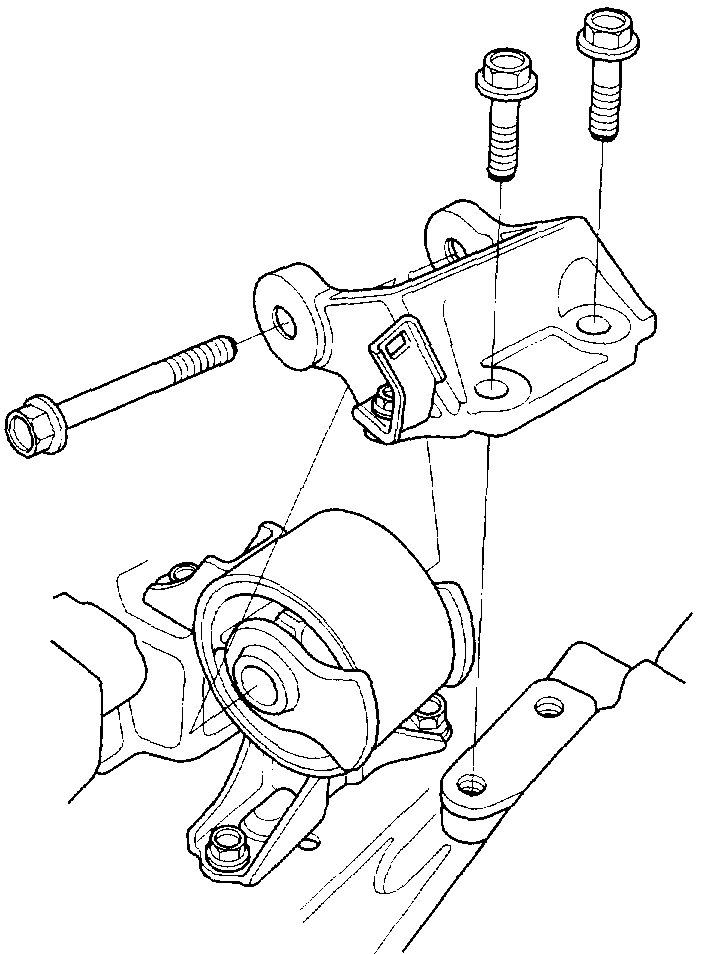
8. Remove the side engine mount bracket.

Picture 33

9. Remove the dipstick and tube (A); Discard the O-ring (B).

Picture 34

10. Hold the pulley with the holder handle (A) and holder attachment (B).
11. Remove the bolt with a heavy duty 19 mm socket (C) and breaker bar.

Picture 35

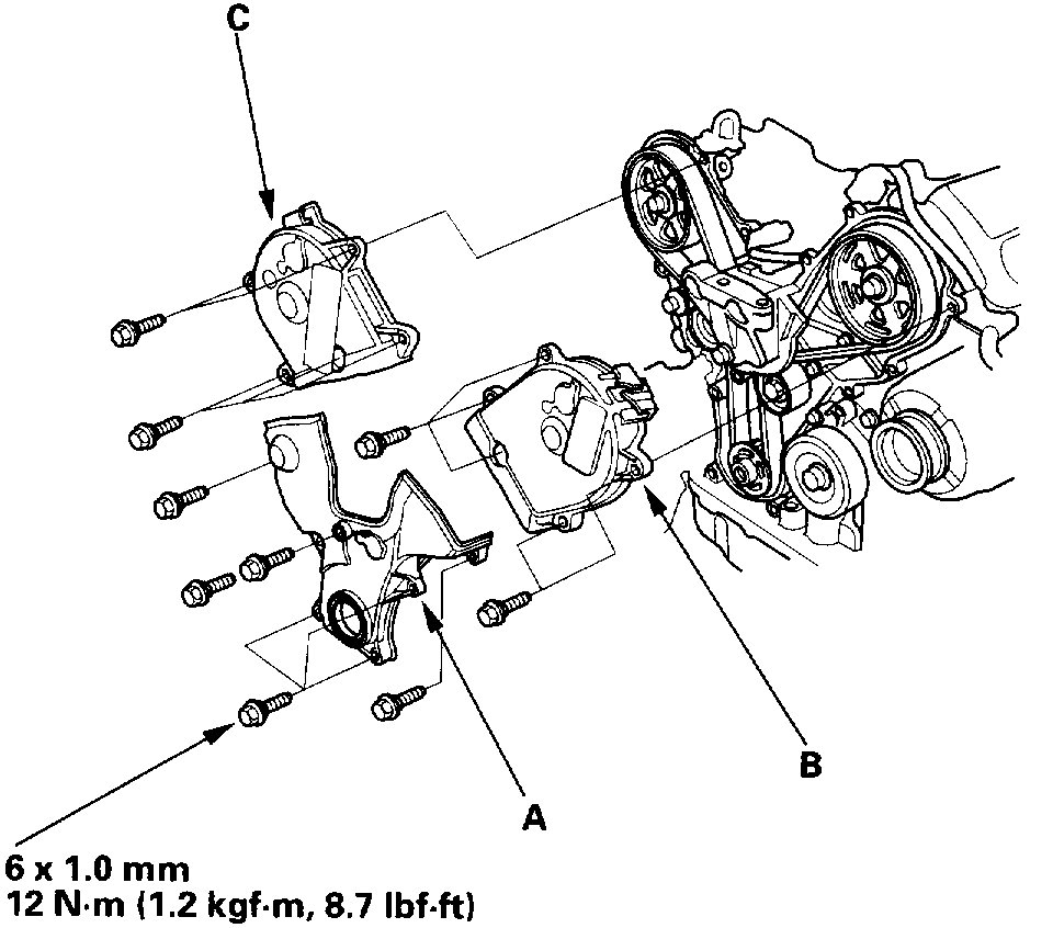
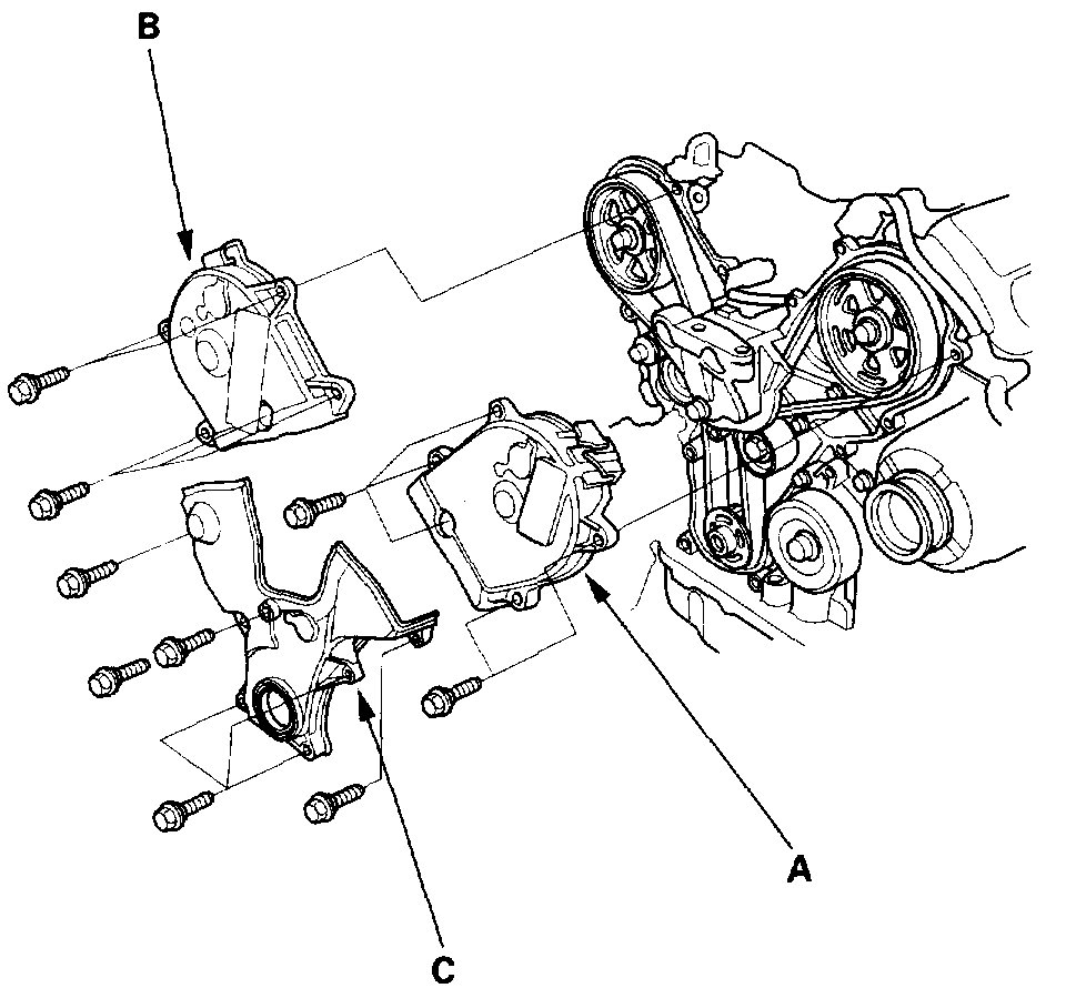
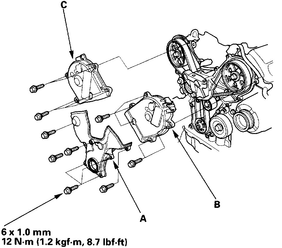
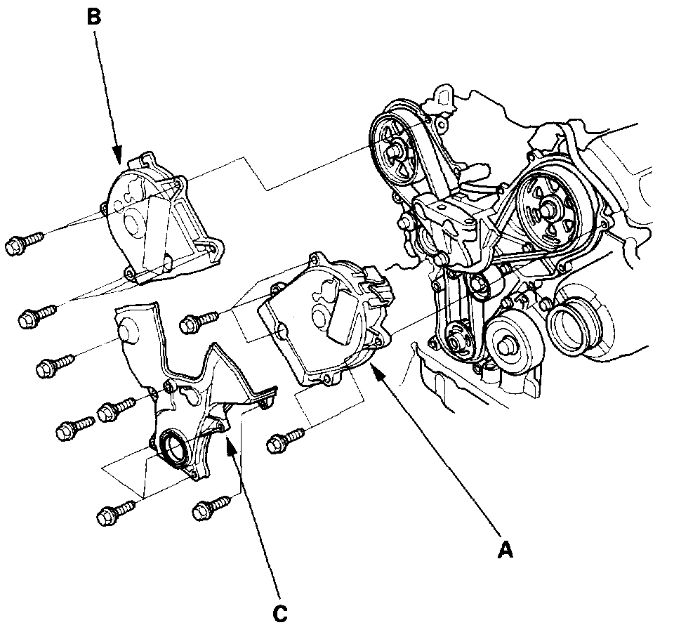
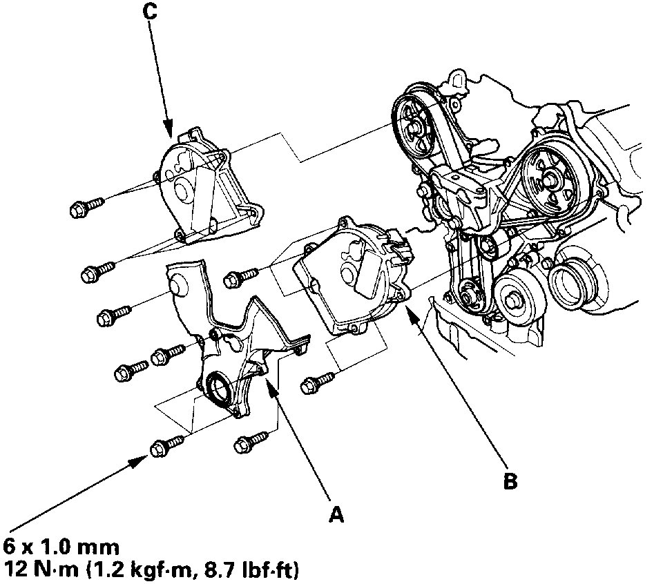
12. Remove the front upper cover (A), rear upper cover (B) and lower cover (C).

Picture 36

13. Remove one of the battery clamp bolts from the battery tray. And Grind the end of it as shown.

Picture 37

14. Screw the battery clamp bolt in as shown to hold the timing belt adjuster in its current position. Tighten it by hand, do not use a wrench.

Picture 38

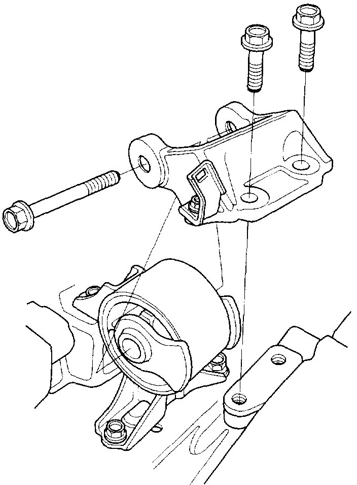
15. Remove the engine mount bracket.

Picture 39

16. Loosen the idler pulley bolt (A) about five or six turns, then remove the timing belt.

____________________________________________________________________________________

Here are the directions for timing belt installation. It is very important you are certain the timing is correct prior to trying to restart the vehicle.

Timing Belt Installation
Vehicle Engine, Cooling and Exhaust Engine Timing Components Timing Belt Service and Repair Procedures Timing Belt Installation
TIMING BELT INSTALLATION
Timing Belt Installation

NOTE: The following procedure is for installing a new timing belt. If you are installing a used timing belt, refer to the next procedure.

New Belt
1. Clean the timing belt pulleys, and upper and lower covers.

Picture 40

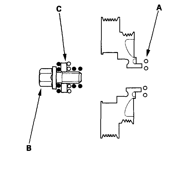
2. Set the timing belt drive pulley to Top Dead Center (TDC) by aligning the TDC mark (A) on the tooth of the timing belt drive pulley with the pointer (B) on the pulley.

Pictures 41 and 42

3. Clean the camshaft pulleys. Set the camshaft pulleys to TDC by aligning the TDC marks (A) on the camshaft pulleys with the pointers (B) on the back covers.
4. Remove the battery clamp bolt from the back cover.
5. Remove the auto-tensioner.

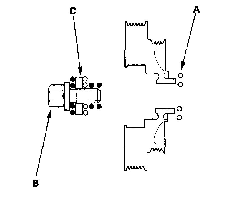
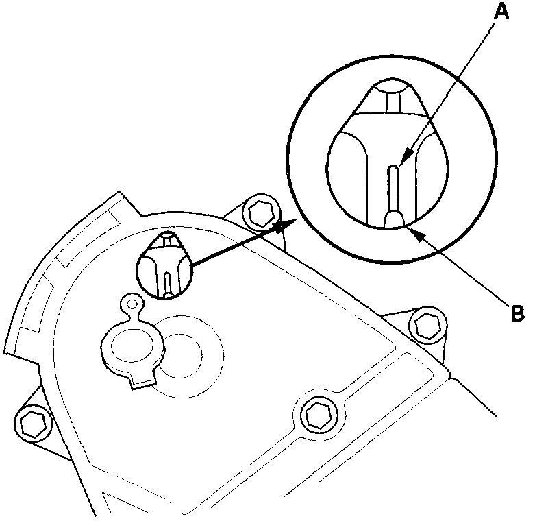
Picture 43

6. Hold the auto-tensioner (A) with the maintenance bolt pointing up. Loosen and remove the maintenance bolt (B) ('99 model).

NOTE: Handle the auto-tensioner carefully so the oil inside does not spill or leak. If any of the oil has spilled or leaked out of the auto-tensioner, refill it with 5W-30 motor oil. The total capacity is 6.5 ml (0.22 fl oz).

7. Clamp the boss of the auto-tensioner in a soft-jawed vise. Do not grip the housing of the autotensioner ('99 model).

Picture 44

8. Insert a flat blade screwdriver (C) into the maintenance hole. Place the retainer (D) (P/N 14540-P8A-A01) on the auto-tensioner while turning the screwdriver clockwise to compress the bottom ('99 model).

NOTE: Take care not to damage the threads or the gasket contact surface with the screwdriver.

9. Reinstall the maintenance bolt (A). Always use a new casket (B) ('99 model).
10. Make sure no oil is leaking around the maintenance bolt.

Picture 45

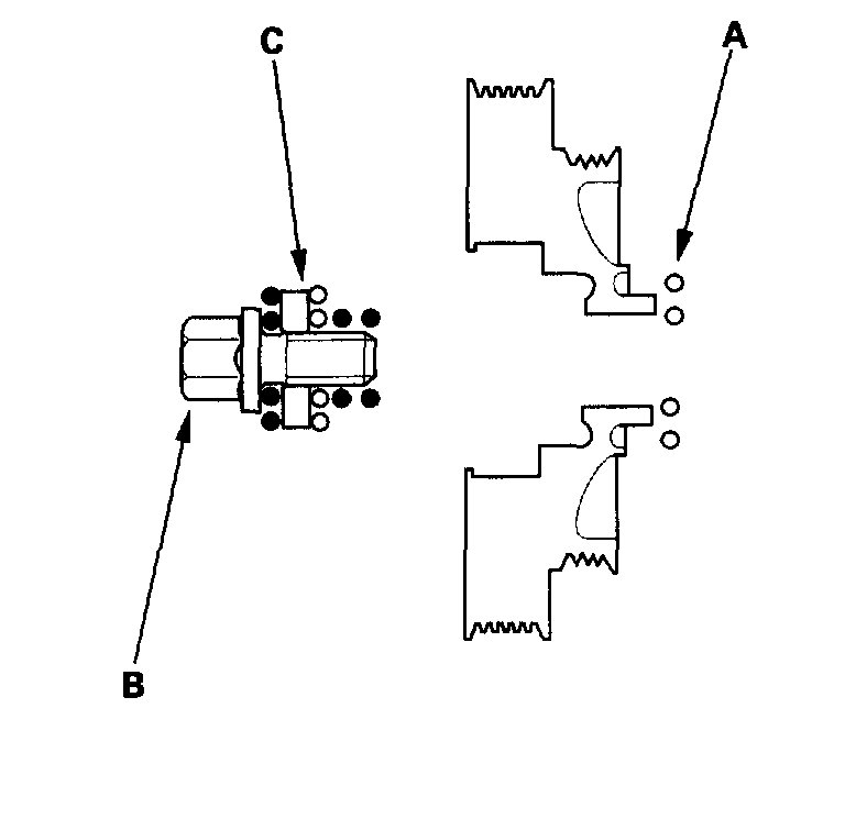
11. Align the holes on the rod and housing of the autotensioner with a pin (A)('00-03 models).
12. Set the auto-tensioner on the hydraulic press, then slowly compress the auto-tensioner. Insert a pin of 2.0 mm (0.08 inch) diameter through the housing and the rod ('00-03 models).

NOTE: The compression pressure should not exceed 9,800 N (1,000 kgf, 2,200 lbs.).

Pictures 46 and 47

13. Install the auto-tensioner.

NOTE: Make sure the retainer or pin stays in place.

Picture 48

14. Install the timing belt in a counter clockwise sequence starting with the drive pulley.

Picture 49

15. Tighten the idler pulley bolt.

Pictures 50 and 51

16. Remove the retainer or pin from the auto-tensioner.

Picture 52

17. Install the engine mount bracket.

Picture 53

18. Install the lower cover (A), front upper cover (B) and rear upper cover (C).
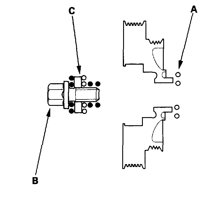
19. Clean the crankshaft pulley bolt and washer.

Picture 54

20. Clean all oil off the inside face (A) of the crankshaft pulley, and apply lubricant to the pulley bolt (B) and washer (C).

Picture 55

21. Install the crankshaft pulley, and tighten the bolt to 245 Nm (25.0 kg-cm, 181 ft. Lbs.). Do not use an impact wrench.
22. Rotate the crankshaft pulley about five or six turns clockwise so the timing belt positions on the pulleys.

Picture 56

23. Turn the crankshaft pulley so its white mark (A) lines up with the pointer (B).

Picture 56

Picture 57

24. Check the camshaft pulley marks.
If the camshaft pulley marks are at TDC, go to step 25.
If the camshaft pulley marks are not at TDC, remove the timing belt and repeat steps 2 through 21.

Picture 58

25. Install the dipstick and tube (A) with a new O-ring (B).
26. Install and adjust the P/S pump belt.
27. Install the alternator belt.

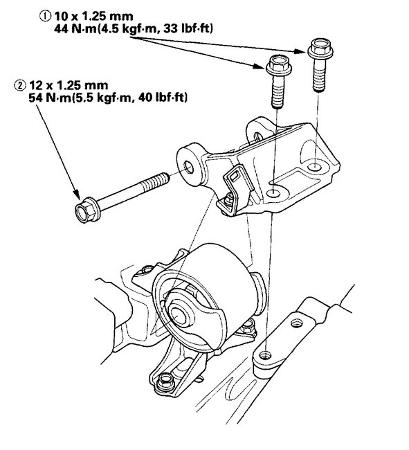
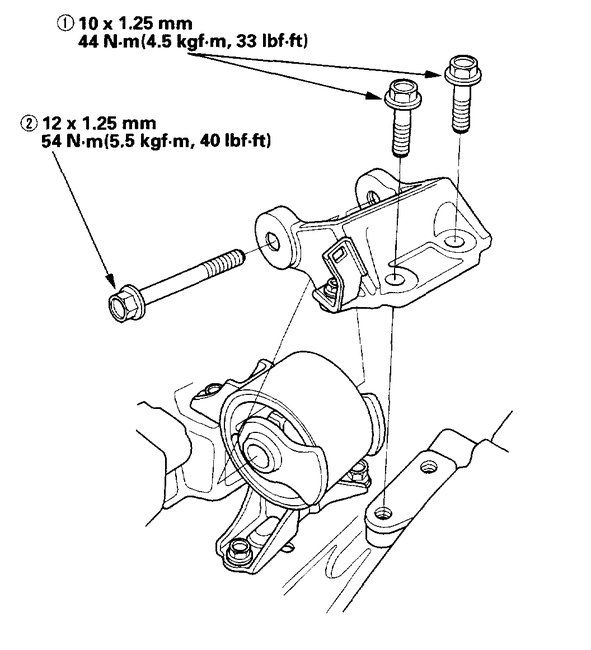
Picture 59

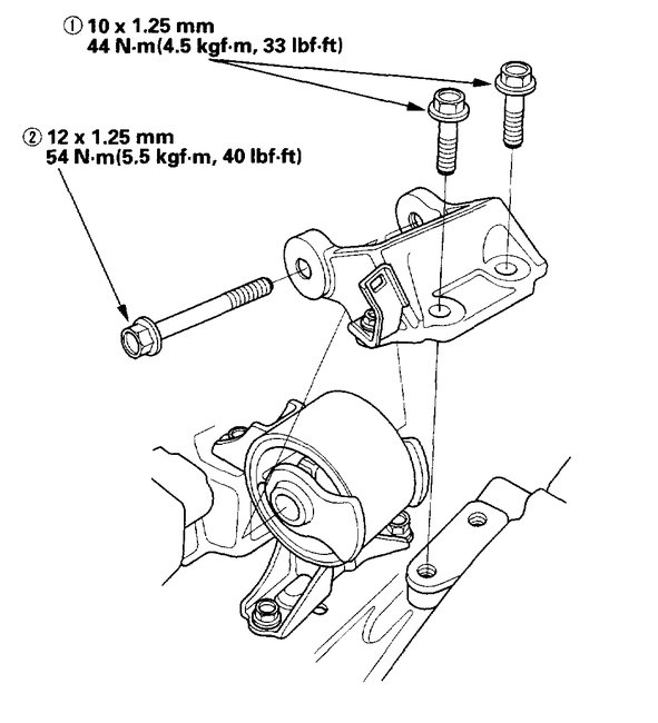
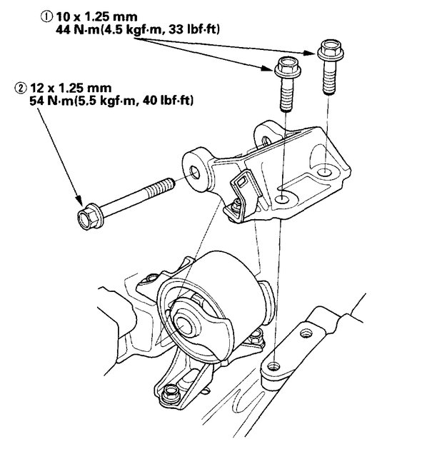
28. Install the side engine mount bracket, then tighten the mounting bolts in the numbered sequence shown.

Used Belt
Follow this procedure when installing a used timing belt.
1. Clean the timing belt pulleys, and upper and lower covers.

Picture 60

2. Set the timing belt drive pulley to TDC by aligning the TDC mark (A) on the tooth of the timing belt drive Pulley with the jointer (B) on the oil pump.

Pictures 61 and 62

3. Clean the camshaft pulleys. Set the camshaft pulleys to TDC by aligning the TDC marks (A) on the camshaft pulleys with the pointers (B) on the back covers.
4. If the auto-tensioner has extended and the timing belt cannot be installed, remove and compress the auto-tensioner.

Picture 63

5. Install the timing belt in a counterclockwise sequence starting with the drive pulley. Take care not to damage the timing belt when installing it.

Picture 64

6. Tighten the idler pulley bolt.

Picture 65

7. Remove the battery clamp bolt from the back cover.

Picture 66

8. Install the engine mount bracket.

Picture 67

9. Install the lower cover (A), front upper cover (B) and rear upper cover (C).
10. Clean the crankshaft pulley bolt and washer.

Picture 68

11. Clean any oil off the inside face (A) of the crankshaft pulley, and apply lubricant to the pulley bolt (B) and washer (C).

Picture 69

12. Install the crankshaft pulley, and tighten the bolt to 245 Nm (25.0 kgf-cm, 181 ft. Lbs.). Do not use an impact wrench.
13. Rotate the crankshaft pulley about five or six turns clockwise so the timing belt positions on the pulleys.

Picture 70

14. Turn the crankshaft pulley so its white mark (A) lines up with the pointer (B).

Pictures 71 and 72

15. Check the camshaft pulley marks.
If the camshaft pulley marks are at TDC, go to step 16.
If the camshaft pulley marks are not at TDC, remove the timing belt and repeat steps 2 through 11.

Picture 73

16. Install the dipstick and tube (A) with a new O-ring (B).
17. Install and adjust the P/S pump belt.
18. Install the alternator belt.

Picture 74

19. Install the side engine mount bracket, then tighten the mounting bolts in the numbered sequence shown.

______________________________________________

These are very extensive and not an easy job. If you need help or have questions, let me know. Also, let me know if this helps and is what you needed

Take care,
Joe
Was this
answer
helpful?
Yes
No
+3
Tuesday, January 15th, 2019 AT 7:32 PM
Tiny
WIKDWILLY
  • MEMBER
  • 13 POSTS
I appreciate your efforts. I am 64 years old, a veteran and most of my life I've been a white collar worker. I worked on my cars before, so I know my way around the tools and parts. I'm having trouble putting the diagrams in the right order which I'm not sure if this, is in the right order from getting all the tools, parts and materials needed to do the work, beginning to end. I guess I'm asking again for help but it might be better if I follow a video instead of looking at diagrams, so I can hear the person say what order, the parts that comes off the car, first, second, etc. And I can see the person actually doing the work, so it gets done right with no problems after everything gets put back together. I am doing this all by myself because no one wants to help me. I asked several people, but they are too busy. I'm on my own, I hope that's enough to get the job done. Thank you for answering my first question.
Was this
answer
helpful?
Yes
No
Wednesday, January 30th, 2019 AT 2:31 PM
Tiny
JACOBANDNICKOLAS
  • MECHANIC
  • 110,194 POSTS
Welcome back:

I have or know of no videos. I can try to help if you tell me where you are having trouble. What part are you struggling with. And yes, I understand it isn't easy, but if I can help, let me know.

Joe
Was this
answer
helpful?
Yes
No
+1
Wednesday, January 30th, 2019 AT 5:58 PM
Tiny
WIKDWILLY
  • MEMBER
  • 13 POSTS
I am having trouble with removing the number six head bolt. I have the others loosen, but can't get the last one loosen. Now the head of the bolt is partially rounded and I can't get a good grip on it to remove. I admit, that it was very difficult for a first timer, taking all the different parts off the car with little knowledge and not all the right tools. I don't want to call defeat. Especially after this past week. I took my wallet out at an AutoZone store, I was so over whelmed with this bolt issue that I did not notice at the time when I paid for a tool that the person behind me in line did not have anything in his hands to purchase when another register opened but he stayed behind me. I have never been in this particular AutoZone store before, so I went home, rested awhile and decided to go to a different auto store for the same tool but did not have my wallet. I lost all my money, which was about $500.00. That was my car money. I know you didn't ask, but I want you to know how I am feeling about this situation I am having. I don't think that I am capable of finishing my car and I need a car to drive. I have to drive I need to drive, that's all I have is my car and to drive. So, I am asking again for some help, please. I hope you can. Thank you again for answering my first question, I really appreciate it very much.
Was this
answer
helpful?
Yes
No
Saturday, March 9th, 2019 AT 1:32 PM
Tiny
JACOBANDNICKOLAS
  • MECHANIC
  • 110,194 POSTS
Wow! I'm really sorry to hear that. Does AutoZone have cameras set up so you could at least notify the police and provide a picture?

As far as the bolt, can you upload a picture so I can see how bad it is? Also, please take a picture of the socket you have been using. They may 12 point and 6 point sockets. A 6 point is much less likely to strip the bolt. If I can see the bolt, I can try to determine what you will need to use to remove the bolt. They also make sockets to remove stripped bolts.

If you can, send the pictures I requested.

Joe
Was this
answer
helpful?
Yes
No
Monday, March 11th, 2019 AT 3:48 PM
Tiny
WIKDWILLY
  • MEMBER
  • 13 POSTS
Thank you for answering my question. I really appreciate it. But I no longer need the bolt removed, it took myself and two other guys to get it off. I know that this was going to be an impossible job to do by myself but I had no choice because I had no one else to help me. And thank you for asking about my situation, yes I called the police and someone came to the house. I asked him if he would be able to go and look at their video and he said that they even have trouble with businesses getting their cooperation in letting them view the video footage. So my wallet is most likely a lost and for me to just let it go. If you don't mind helping me out just one more time, it would be greatly appreciated. I'm still having trouble getting the head off. The last part I took off was the exhaust and separated it from the muffler. And still don't know why I can't remove it. What am I doing wrong or what did I miss taking off? I am at my wits end(desperate). I need a step by step from this point on, how to remove the head on a 2002 Acura tl 3.2L? Help me, please.
Was this
answer
helpful?
Yes
No
Wednesday, March 27th, 2019 AT 12:00 AM
Tiny
JACOBANDNICKOLAS
  • MECHANIC
  • 110,194 POSTS
Welcome back:

I'm sorry to hear that. One would think you would get more cooperation. Ugh! Society has sure changed.

As far as the head, if you have the exhaust manifold removed, the timing belt, and all head bolts, there shouldn't be anything else holding it. Is it possible for you to upload a picture of what you are looking at? I may see something you missed.

Let me know.

Joe
Was this
answer
helpful?
Yes
No
Wednesday, March 27th, 2019 AT 7:30 PM

Please login or register to post a reply.