Wednesday, August 22nd, 2018 AT 1:15 PM
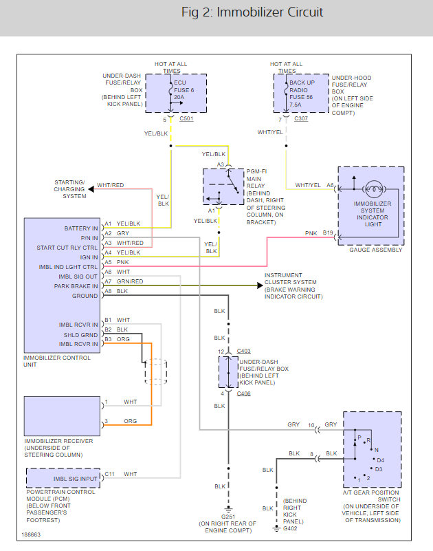
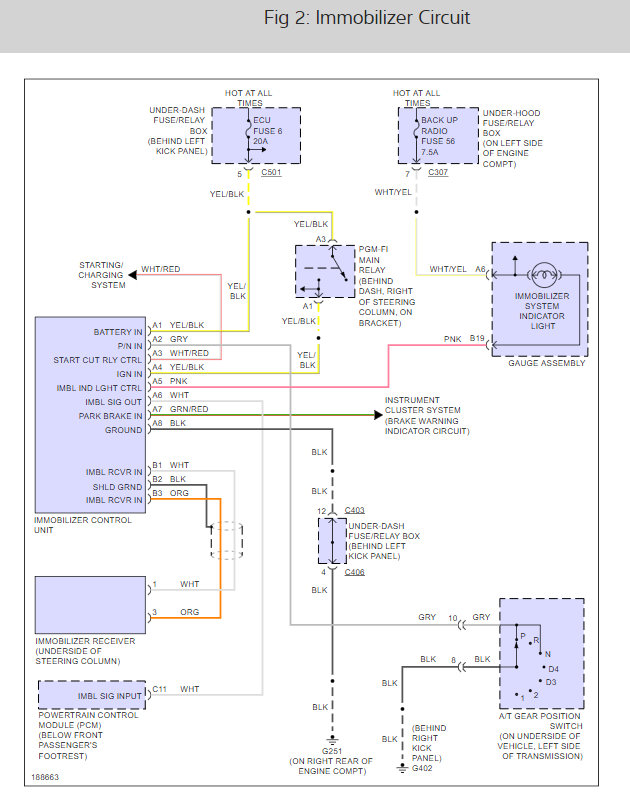
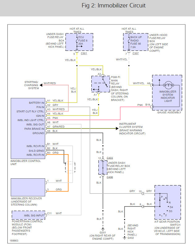
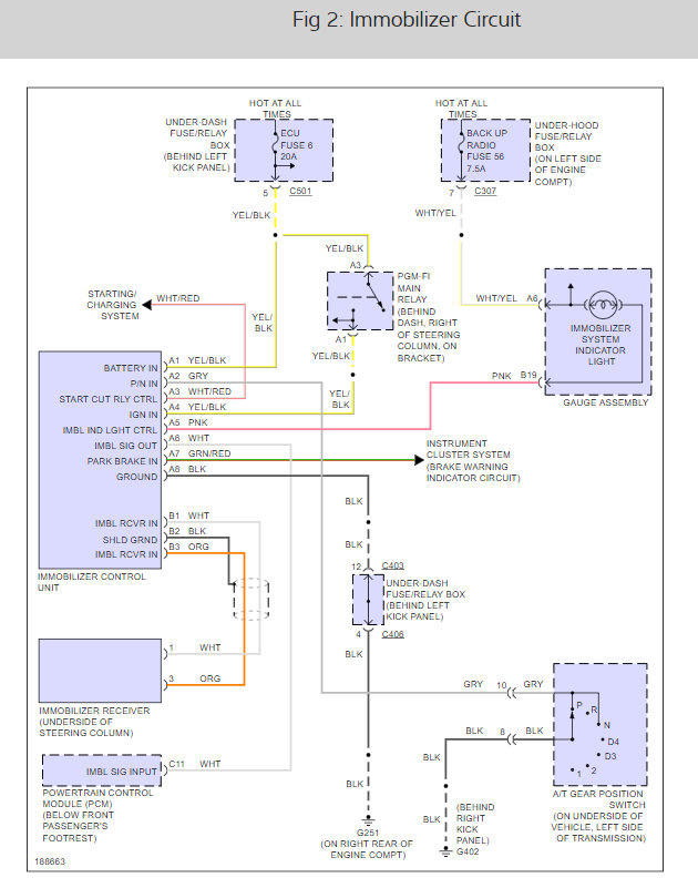
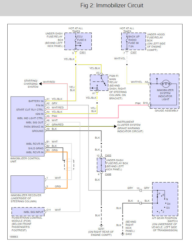
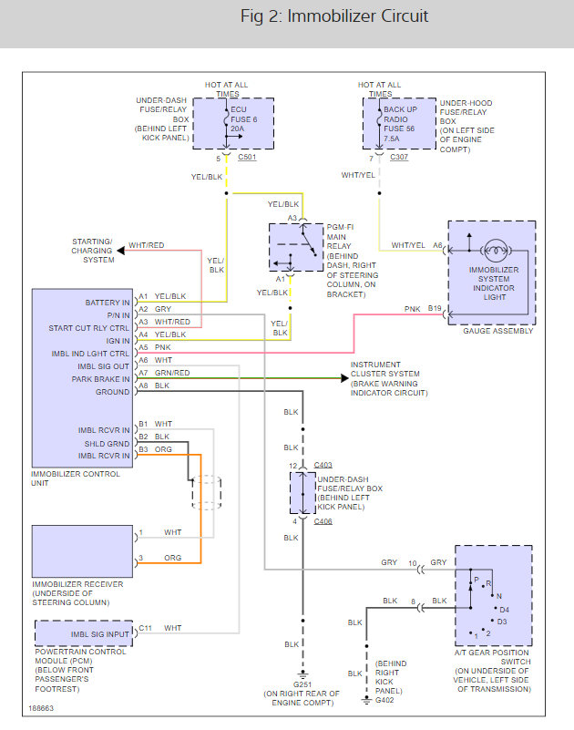
When I put the key the green light does not turn telling me that it recognize the key. In turn the security system turn on and shuts off fuel supply to car so it will not start. Had key replaced and it seemed to work fine, but it is doing the same thing again. Can I disable the security feature that shuts fuel system off? Or what do I replace the immobilizer?


