Wipers not working

Tiny
CHEVY DAVE
  • MEMBER
  • 2007 GMC SIERRA
  • V8
  • 4WD
  • AUTOMATIC
  • 34,500 MILES
The wiper motor wont shut off even w/ the ignition off, the intermittent speeds dont work, only a regular speed and high speed work. Washers work OK, directional and high beam works OK which are controlled on the same lever that controls the wipers. I took a 12V test light and connected to the connection that goes into the wiper motor. I got power from the black wire and the black/white wire but I got nothing from the Purple, DK Green or yellow. Should I get some power from any of these 3 colors when I have the ignition on and the wiper switch on one of the intermittent speeds or high speed? Also I can hear a relay making noise when I first put the high speed on. Where are the relays located for the wiper motor. I can only locate the 25A fuse for the wiper motor. Also there is a M located on the wiper motor diagram, is that M for the module that is built into the the wiper motor and could that be my problem?
Thank you
Monday, October 18th, 2010 AT 11:38 AM

8 Replies

Tiny
FACTORYJACK
  • MECHANIC
  • 4,159 POSTS
Is this vehicle equipped with, or still have heated washers? If it does, for starters check this bulletin that may apply for the failure. There was also a campaign issued to disable that system, so there are no longer parts available to repair it.

#PIT4298: Unwanted Wiper and/or Washer Operation - keywords erratic heated intermittent phantom spray unwanted washer windshield wipe wiper - (Feb 26, 2007)

Subject: Unwanted Wipe and/or Washer Operation

Models: 2007 Cadillac Escalade, ESV, EXT

2007 Chevrolet Avalanche, Silverado, Suburban, Tahoe

2007 GMC Sierra, Yukon, Yukon Denali, Yukon XL, Yukon Denali XL

The following diagnosis might be helpful if the vehicle exhibits the symptom(s) described in this PI.

Condition/Concern:
Some customers may comment that windshield wiper and/or washers will not shut off, when equipped with RPO XA7, heated windshield washer fluid. Root cause may be leak at o-ring connector (X2) at the windshield washer solvent heater pigtail that allows washer solvent to wick down the harness.

Recommendation/Instructions:
A production fix was implemented on February 12, 2007. For service, replace the windshield wiper heater module P/N 15897902

Please follow this diagnostic or repair process thoroughly and complete each step. If the condition exhibited is resolved without completing every step, the remaining steps do not need to be performed.

#10153B: Product Safety - Heated Windshield Washer Module Short Circuit - Permanently Disable and Remove Module - (Jul 20, 2010)

Subject: 10153A - Heated Windshield Washer Module Short Circuit - Permanently Disable and Remove Module

 A T labor code for customers who refuse to have the recall performed. This labor code will NOT close the recall. If a customer refuses to have the recall performed, dealers are to provide the customer with a copy of the "Notice to Customer" document contained in this bulletin, record on the repair order "customer declined recall repair" and, if possible, have the customer sign the repair order. Request that the letter be placed in the vehicle glovebox for future reference by subsequent owners. If at a later date the customer, or a new owner, decides to have the recall performed, perform the repair and submit the claim using the appropriate V labor code.

Condition
General Motors has decided that a defect, which relates to motor vehicle safety, exists in certain 2006-2009 model year Buick Lucerne; Cadillac DTS; HUMMER H2; 2008-2009 model year Buick Enclave; Cadillac CTS; 2007-2009 model year Cadillac Escalade, Escalade ESV, Escalade EXT; Chevrolet Avalanche, Silverado, Suburban, Tahoe; GMC Acadia, Sierra, Yukon, Yukon XL; Saturn OUTLOOK; and 2009 model year Chevrolet Traverse vehicles equipped with a heated washer fluid system (RPO XA7/CHW). A recall was implemented on some vehicles in 2008 to add a fuse to the HWFS control circuit harness to address the potential consequences of a printed circuit board electrical short. However, there have been new reports of thermal incidents on HWFS modules after this improvement was installed. These incidents resulted from a new failure mode attributed to the device's thermal protection feature. Their significance varies from minor distortion to considerable melting of the plastic around the HWFS fluid chamber. In some circumstances, it is possible for the heated washer module to cause a fire.

Correction
Dealers/retailers are to permanently disable and remove the heated washer fluid system and compensate the customer for the loss of the feature.

Vehicles Involved
Involved are certain 2006-2009 model year Buick Lucerne; Cadillac DTS; HUMMER H2; 2008-2009 model year Buick Enclave; Cadillac CTS; 2007-2009 model year Cadillac Escalade, Escalade ESV, Escalade EXT; Chevrolet Avalanche, Silverado, Suburban, Tahoe; GMC Acadia, Sierra, Yukon, Yukon XL; Saturn OUTLOOK; and 2009 model year Chevrolet Traverse vehicles equipped with a heated washer fluid system (RPO XA7/CHW), and built within these VIN breakpoints:

Important: Dealers/retailers are to confirm vehicle eligibility prior to beginning repairs by using the Investigate Vehicle History link. Not all vehicles within the above breakpoints may be involved.

For dealers/retailers with involved vehicles, a listing with involved vehicles containing the complete vehicle identification number, customer name, and address information has been prepared and will be provided to US and Canadian dealers/retailers through the GM GlobalConnect Recall Reports, or sent directly to export dealers. Dealers/retailers will not have a report available if they have no involved vehicles currently assigned..

The listing may contain customer names and addresses obtained from Motor Vehicle Registration Records. The use of such motor vehicle registration data for any purpose other than follow-up necessary to complete this recall is a violation of law in several states/provinces/countries. Accordingly, you are urged to limit the use of this report to the follow-up necessary to complete this recall.
Was this
answer
helpful?
Yes
No
-1
Monday, October 18th, 2010 AT 11:11 PM
Tiny
CHEVY DAVE
  • MEMBER
  • 5 POSTS
My 2007 GMC Sierra does not have or never did have the heated washer fluid nor does it have the rain sensor on it, It only have intermitant wipers on it.
Was this
answer
helpful?
Yes
No
+1
Tuesday, October 19th, 2010 AT 2:05 AM
Tiny
CHEVY DAVE
  • MEMBER
  • 5 POSTS
I got a check engine light on after I was checking around the fuses and relays under the hood cause I wanted to see which relay was controlling the wipers so I started pulling one relay out at a time to see if one would shut the wiper motor off. Didn't find that relay but after I put everything back together and pulled the truck back into the garage a check engine light was on that was never on before, so I ran over to Auto Zone. They put their code reader on it and it came up P1682 which is a ignition 1 switch circuit2 problem. The check engine light has since gone off and I'M not sure if that light came on because I was pulling the the relays off and on in the under the hood fuse box.
Was this
answer
helpful?
Yes
No
Tuesday, October 19th, 2010 AT 11:39 AM
Tiny
FACTORYJACK
  • MECHANIC
  • 4,159 POSTS
I would suspect the light and corresponding code was created by your checking. The relays in the underhood fuse block are WIPER CONTROL PCB, and WIPER SPEED PCB, and there should be a legend under the cover that illustrates the fuses and relays. It is possible that the relays are not serviceable and part of the fuse block, otherwise known as underhood bussed electrical center(UBEC). The wiper switch is a direct input to the body control module, and it is responsible for controlling the wipers based on requests, so it is a possible fault. With a scan tool, you could view BCM data, and determine if the BCM is showing that the wipers are being requested. You said in your first post, that you had power on the black/white wire, is that correct, and was the connector connected to the motor? If it was disconnected, you should not have had power on that wire, it is hard wired to ground. The purple wire should have had power, but only in high speed. You might be able to isolate this to a faulty UBEC, by either disconnecting the BCM, or removing power to it, here is what it shows for location;
Body Control Module (BCM)
On the lower left side of the I/P to the left of the steering column

Before disconnecting the BCM, try this first, It seizes to amaze me what it can correct. Disconnect both battery cables, and short them together either by touching or using a jumper wire. Leave it connected for a minute or so. Reconnect the battery, and check the operation. If nothing has changed, disconnect the BCM connector X1(light green) and see if the wipers stop. This houses the inputs from the wiper switch. Get back to me with the results.
Was this
answer
helpful?
Yes
No
+2
Wednesday, October 20th, 2010 AT 12:33 AM
Tiny
RRSCANNERS
  • MEMBER
  • 2 POSTS
I Have an 06 Chevy Silverado 3500 wipers stopped working a few weeks after they were coming on by themselves. I installed new wiper motor, swapped fuse and even installed new Stalk Cluster. I tried disconnecting both batteries and shorting them together at no avail. I'm lost from here.
Was this
answer
helpful?
Yes
No
Tuesday, June 11th, 2019 AT 12:37 PM
Tiny
KEN L
  • MASTER CERTIFIED MECHANIC
  • 55,322 POSTS
Hello,

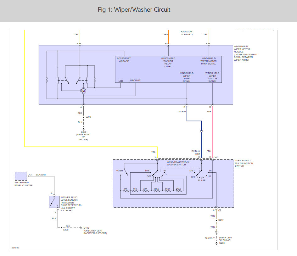
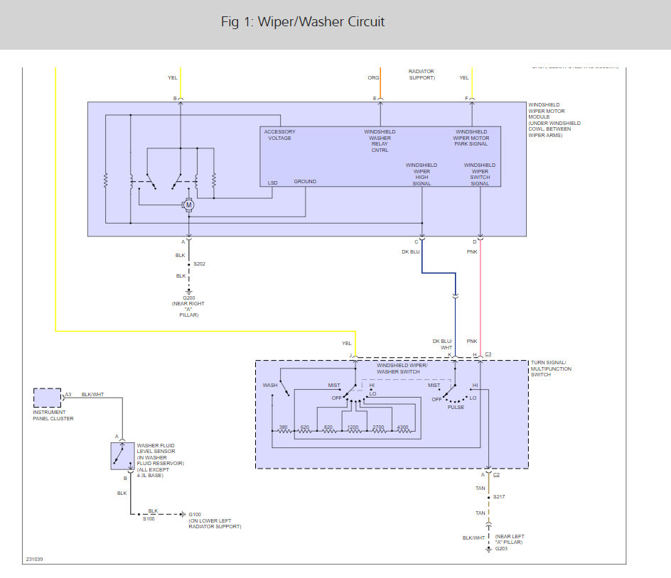
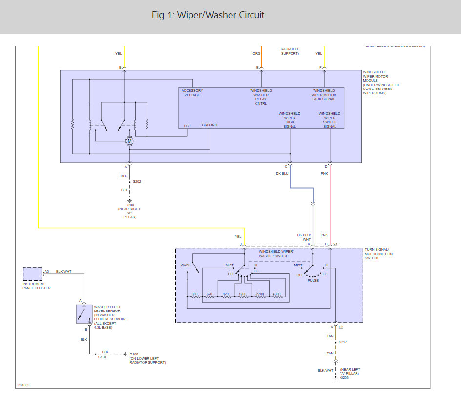
This is a common problem it sounds like the wiper module is not working correctly here is the location so you can swap it out and the wiper wiring diagrams so you can see how it works. Check out the diagrams (Below). Please let us know what happens.
Was this
answer
helpful?
Yes
No
+1
Monday, June 17th, 2019 AT 11:54 AM
Tiny
RRSCANNERS
  • MEMBER
  • 2 POSTS
Thanks Ken. I had Chevy diagnosis it and they found a corroded wire under the fuse block under the hood. (No power to the fuse) My bad for not checking properly. Thanks for the help
Was this
answer
helpful?
Yes
No
Monday, June 17th, 2019 AT 3:02 PM
Tiny
KEN L
  • MASTER CERTIFIED MECHANIC
  • 55,322 POSTS
Glad you could get it fixed, that kind of problem can be tough. Please use 2CarPros anytime we are here to help.
Was this
answer
helpful?
Yes
No
Tuesday, June 18th, 2019 AT 12:26 PM

Please login or register to post a reply.