Sunday, October 3rd, 2010 AT 3:12 PM
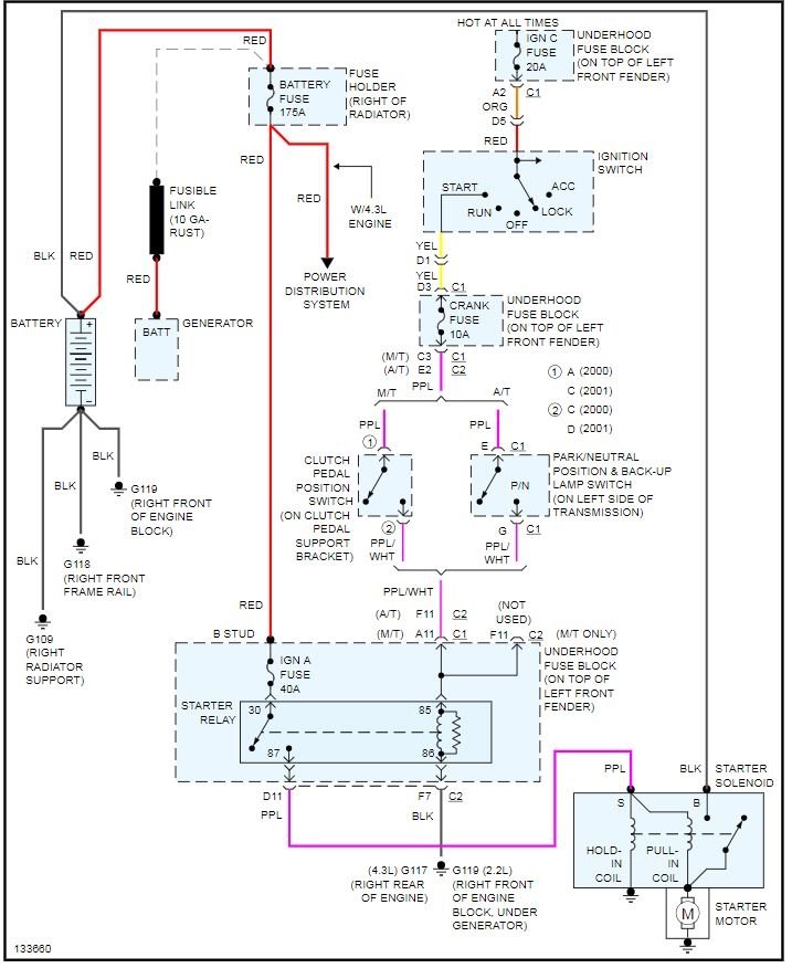
I had to replace lower intake manifold gasket. I replaced spider injection and upper intake plenum gaskets and valve cover gaskets. I cleaned everthing, it took me 2days. After carefully putting it back together, it would not start. The battery tested fine, the fuel pump is working and the fuel pressure is a little over 50psi. I replaced the starter relay fuse/switch and then the crank sensor and then the starter&solenoid. But still won't turnover, the solenoid doesn't even click. I had to replace the electrical connector to the starter, not the plug, the round metal eye (it was cracked & wasn't attached and nut was missing too--Is there a fuse that could have blown?). I tried to hook up my OBDII diagnostic but its not picking up any signals and the key is in and turned to start position and all lights & radio are working. I've had problems in the past with getting the key out of the ignition, sometimes giggling the handle of the automatic tranny lever while in park helps free it.

