HOME
ASK A QUESTION
REPAIR GUIDES
BECOME A MEMBER
LOG IN
Login with Facebook
OR
Remember me
NOT A MEMBER?
FORGOT PASSWORD?
CONTACT US
PRIVACY POLICY
TERMS AND CONDITIONS
☰
Home
GMC
Jimmy
Trouble Codes
P Codes (Powertrain)
P0100 - P0199
P0174
Codes PO171 and PO174 what are these codes for?
BBARRETO
MEMBER
1996 GMC JIMMY
4 CYL
2WD
AUTOMATIC
10,030 MILES
Please tell me what these codes stand for and the diagnosis.
Thursday, April 15th, 2010 AT 11:08 AM
1 Reply
SQM
MECHANIC
6,383 POSTS
Hello,
Here are the codes:
P0171 Fuel Trim System Lean Bank 1
P0174 Fuel Trim System Lean Bank 2
https://www.2carpros.com/articles/check-engine-light-clear-codes
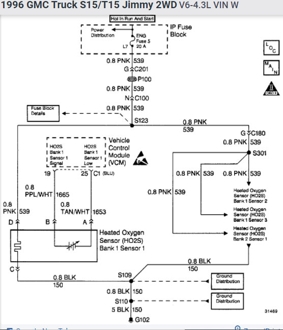
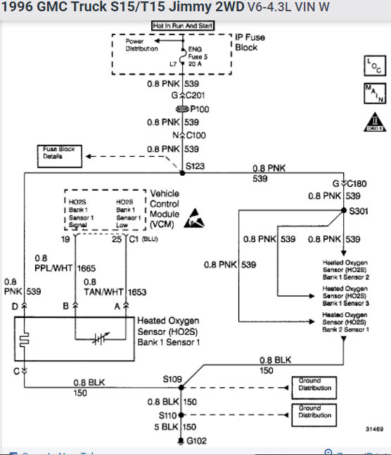
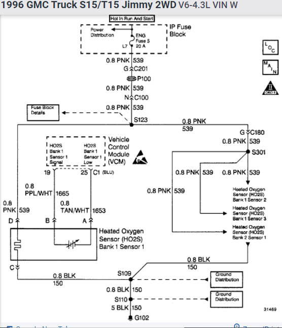
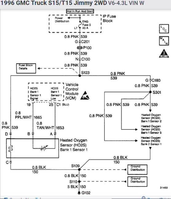
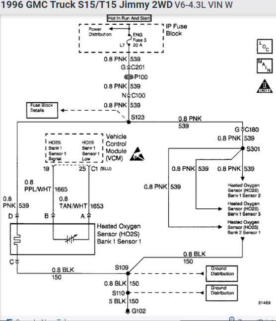
See attached for the diagnostics.
Thank you.
Images (Click to make bigger)
Was this
answer
helpful?
Yes
No
Thursday, July 15th, 2021 AT 8:43 PM
Please
login
or
register
to post a reply.
Related P0174 Content
Po171 And Po174 For 1998 Gmc Jimmy 4.3l Help
I Have Did The Following Changes. -fuel Filter=changed -fuel Pressure Regulator=changed -fuel Pump=changed -mass Air Flow Sensor=...
Asked by
roycar71
·
24 ANSWERS
7 IMAGES
1998
GMC JIMMY
Diagnosing Po171 And Po174 For 1998 Gmc Jimmy
How Do I Diagnose Po171 And Po174 After Mass Air Flow Replacement. I Had Mass Air Flow Sensor Dianosed By Mechanic And I Replaced To Save...
Asked by
roycar71
·
5 ANSWERS
5 IMAGES
1998
GMC JIMMY
Code 1997 Gmc Jimmy 4wd
What Does P0171 And P0174 Mean What Part Is It?
Asked by
espbrad
·
1 ANSWER
6 IMAGES
1997
GMC JIMMY
2002 Gmc Jimmy P0141
Hey Guy's I Have Replaced My O2 Sensor In All Banks And I Still Get A P0141 Code. I Am Not Sure Where To Go From Here. I Sprayed All...
Asked by
Jasonguay
·
5 ANSWERS
2002
GMC JIMMY
Ask a Car Question. It's Free!
Topdon OBD2 Scanner Review - This thing rocks
What to Do When a Check Engine Light?
Check Engine Light