Key stuck in ignition

Tiny
HUDTIME
  • MEMBER
  • 2004 GMC ENVOY
Electrical problem 6 cyl Two Wheel Drive Automatic 102000 miles

My key is stuck in the ignition, battery low and cannot get to the dealer. Options?
Saturday, March 13th, 2010 AT 10:40 AM

7 Replies

Tiny
KEN L
  • MASTER CERTIFIED MECHANIC
  • 55,281 POSTS
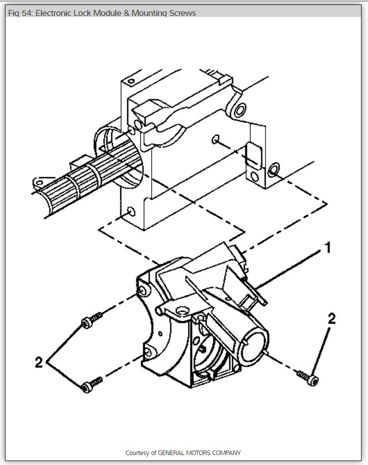
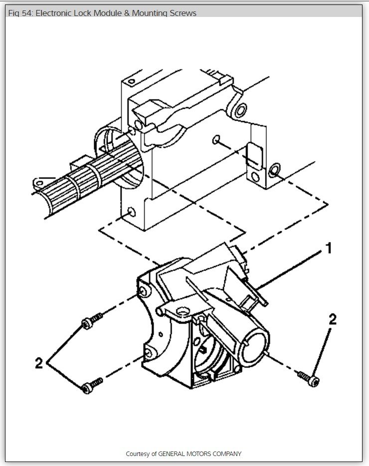
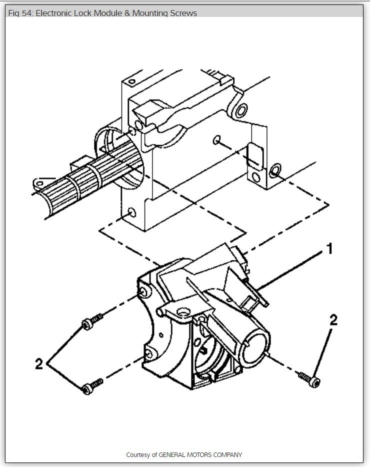
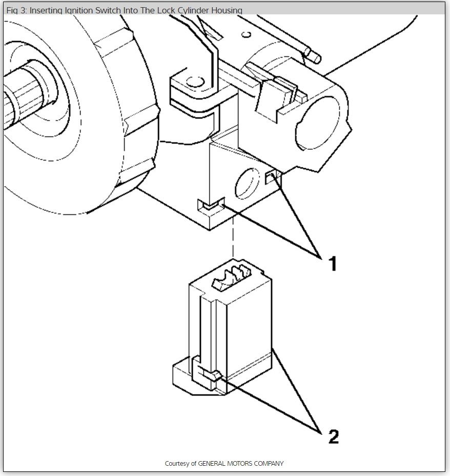
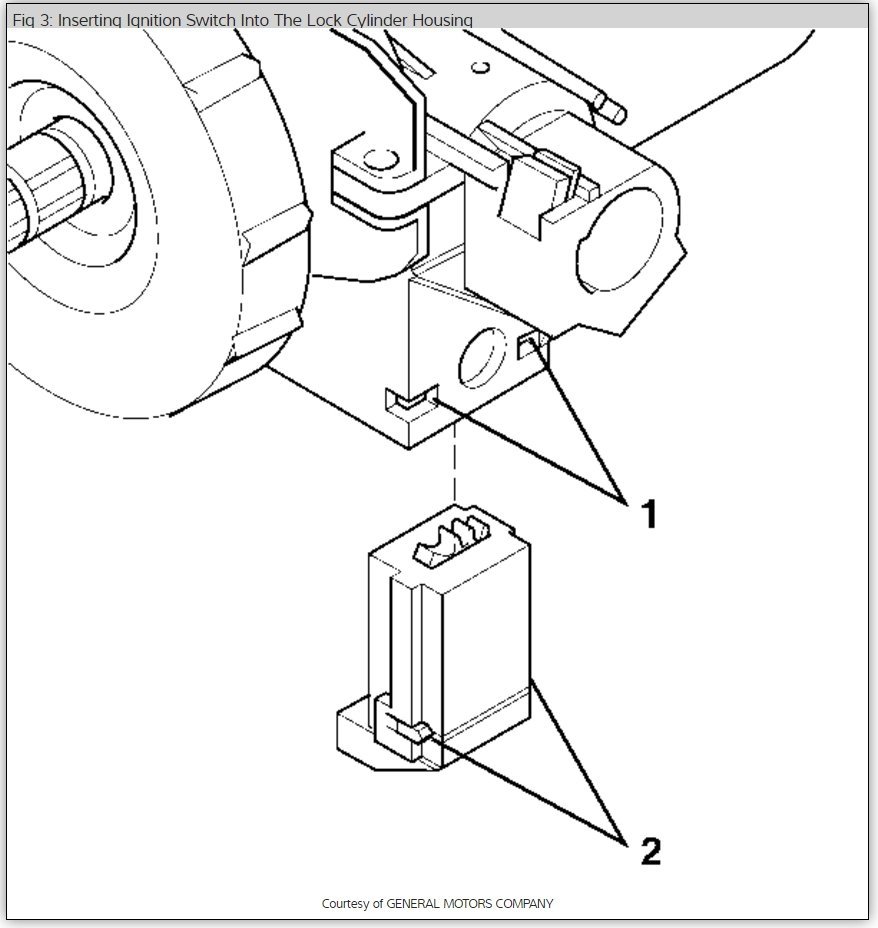
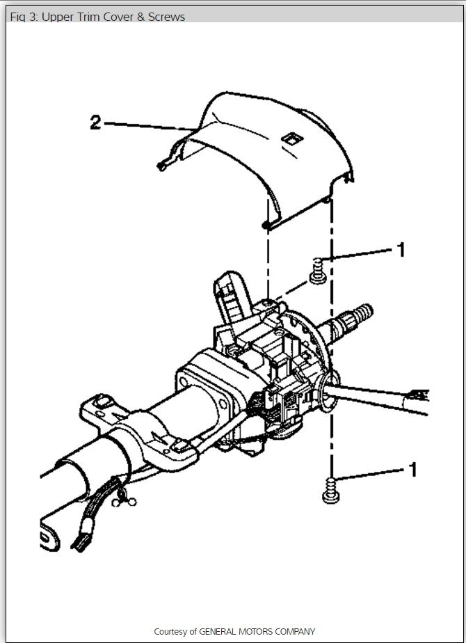
It sounds like the lock tumbler is bad and need to be replaced. This job will cost about $400.00 at the dealer. If you do it yourself you need to get the key and tumbler from the dealer so they can code it for you.

Here are the instruction on how to get it done. (Below)

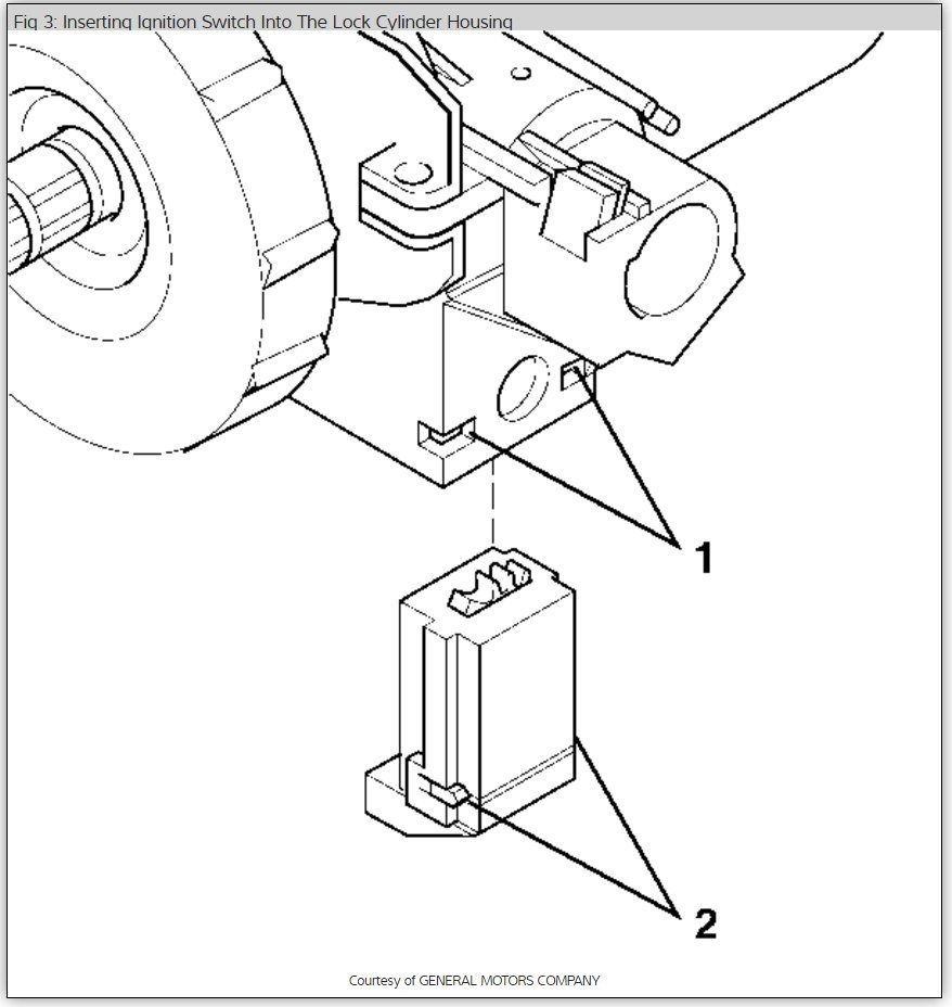
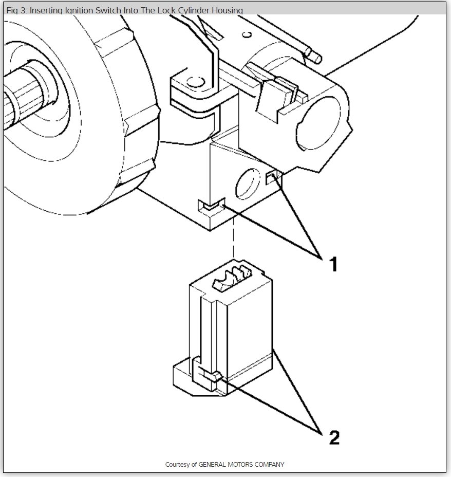
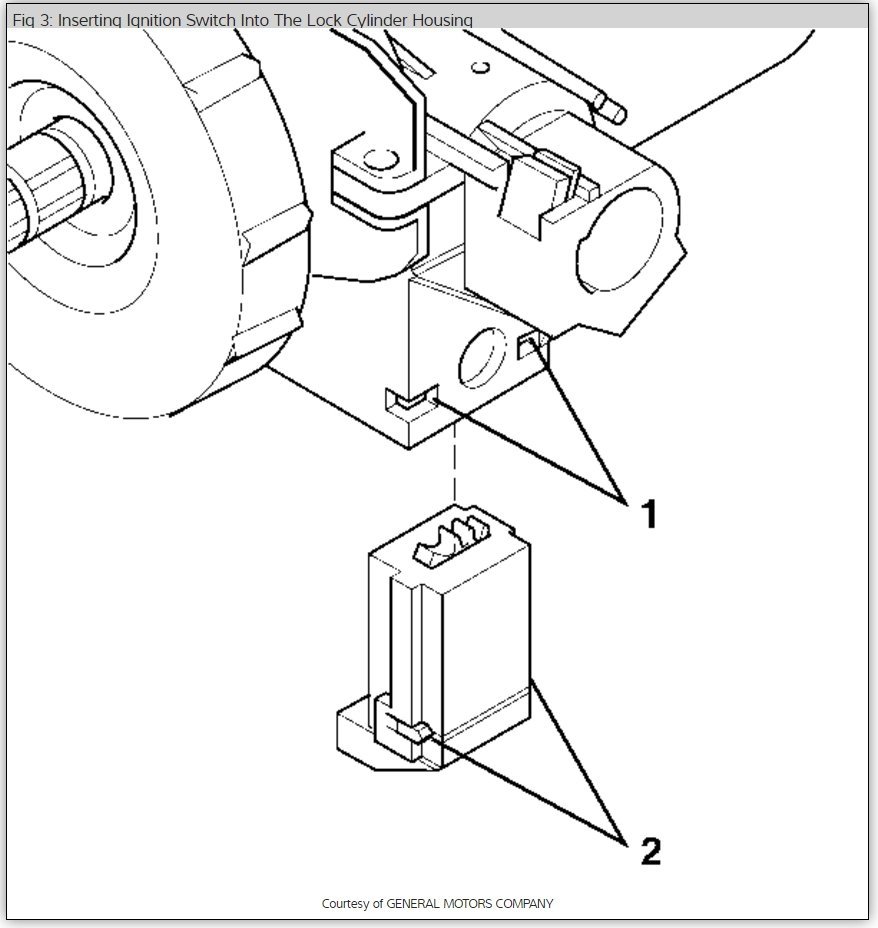
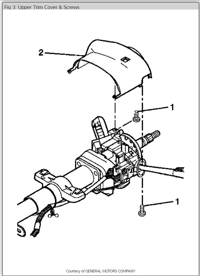
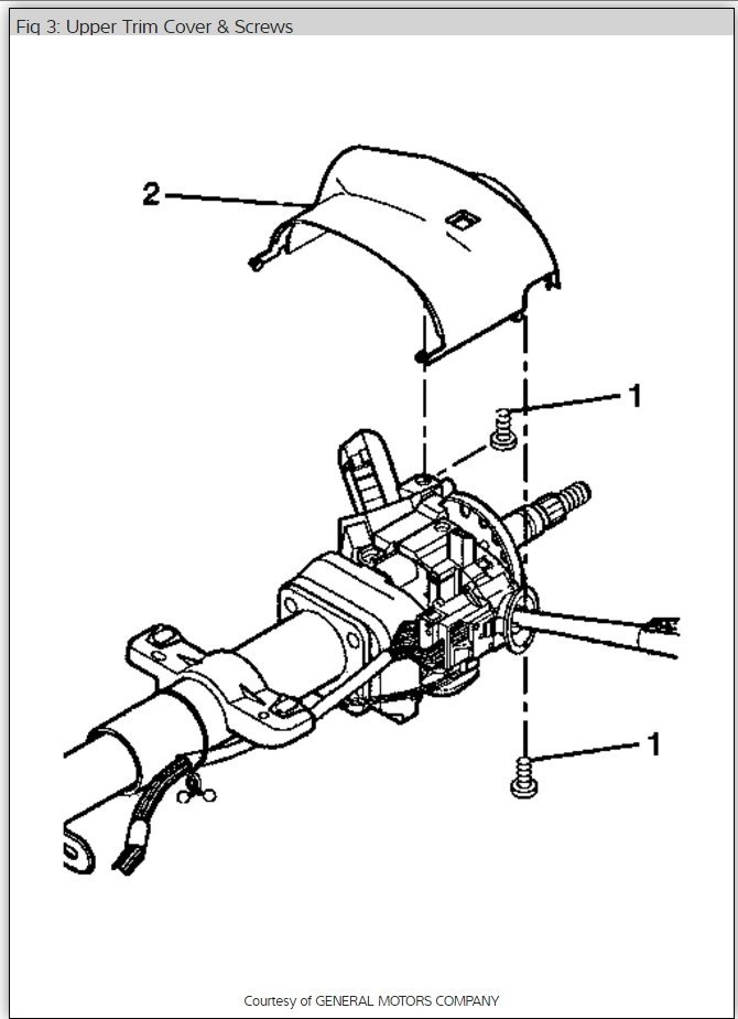
If you can turn the key, here is what you can do to remove the Ignition Lock Cylinder. Of course, the problem is likely in the column itself, you can take the Cylinder to a locksmith once you have it out if the cylinder itself is the problem:

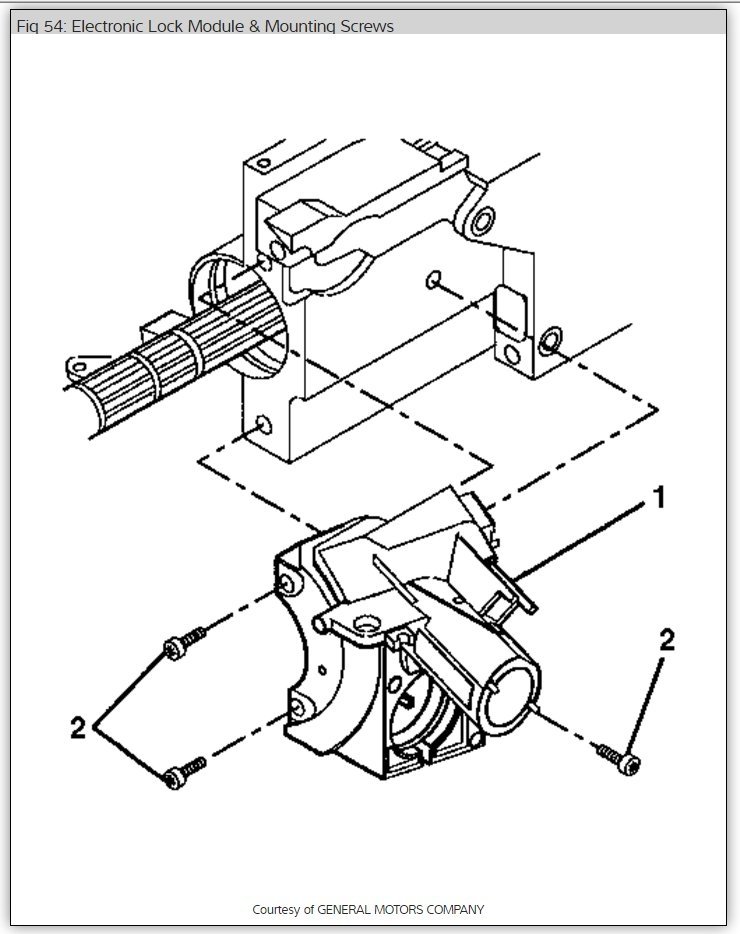
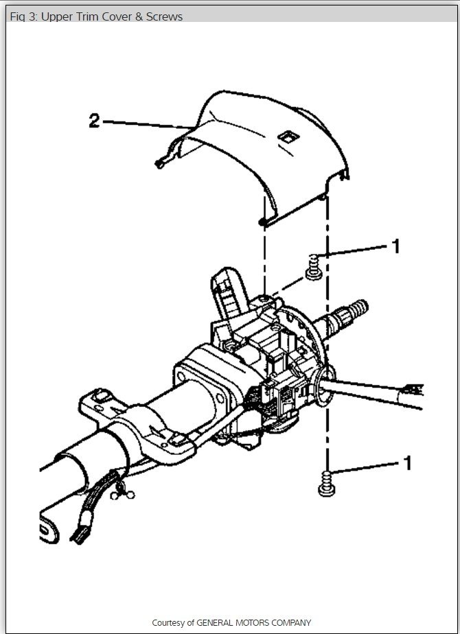
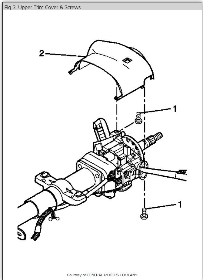
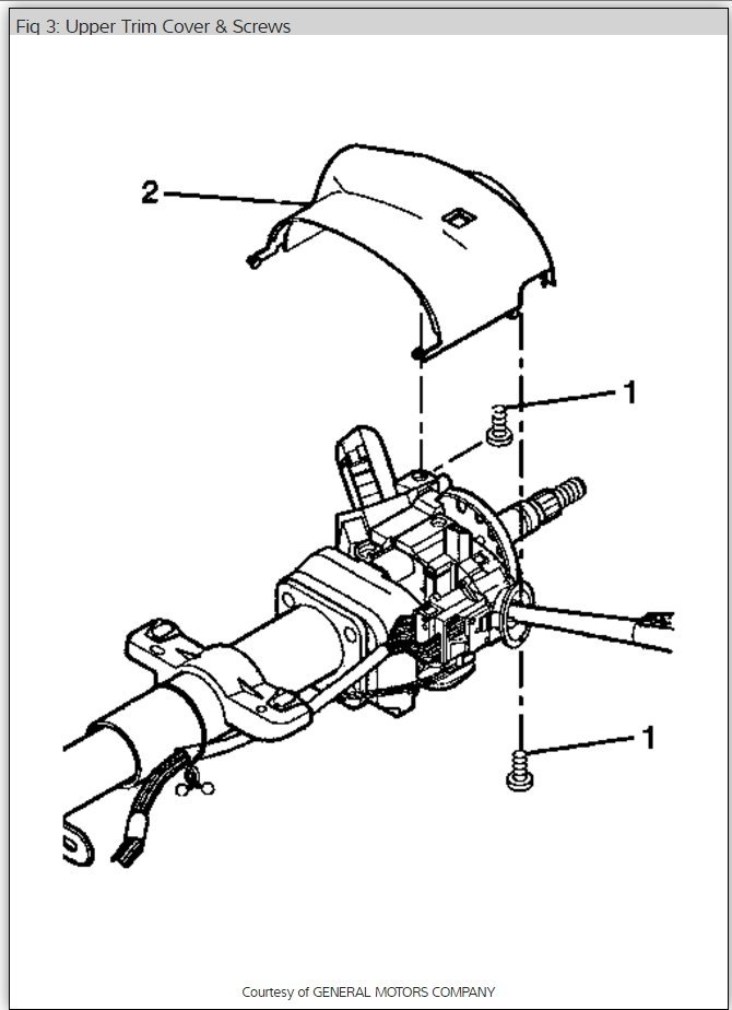
1. Loosen the Steering Column plastic (you will not be able to remove it with the key in) with 4mm sockets and torque-drivers (15-20 can't remember which).

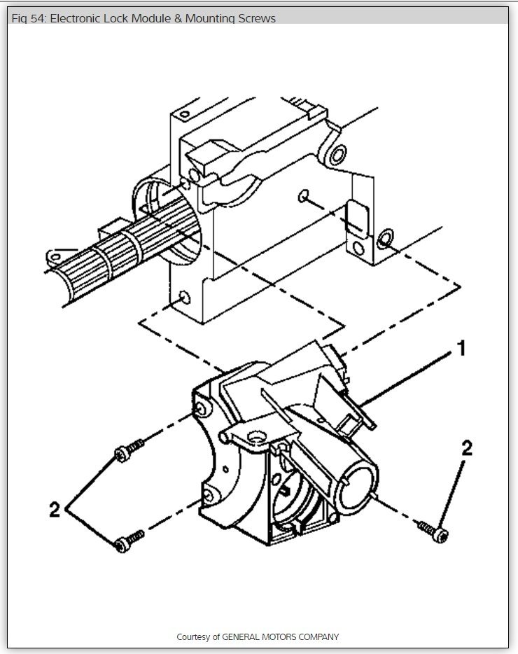
2. Locate a small hole (about 1/8 inch size) on the Cylinder Lock housing. This is called the Active Retainer.

3. Turn the key all the way to START and hold it. If your battery has a charge, set the parking brake and put the vehicle in reverse. The starter will not engage in reverse.

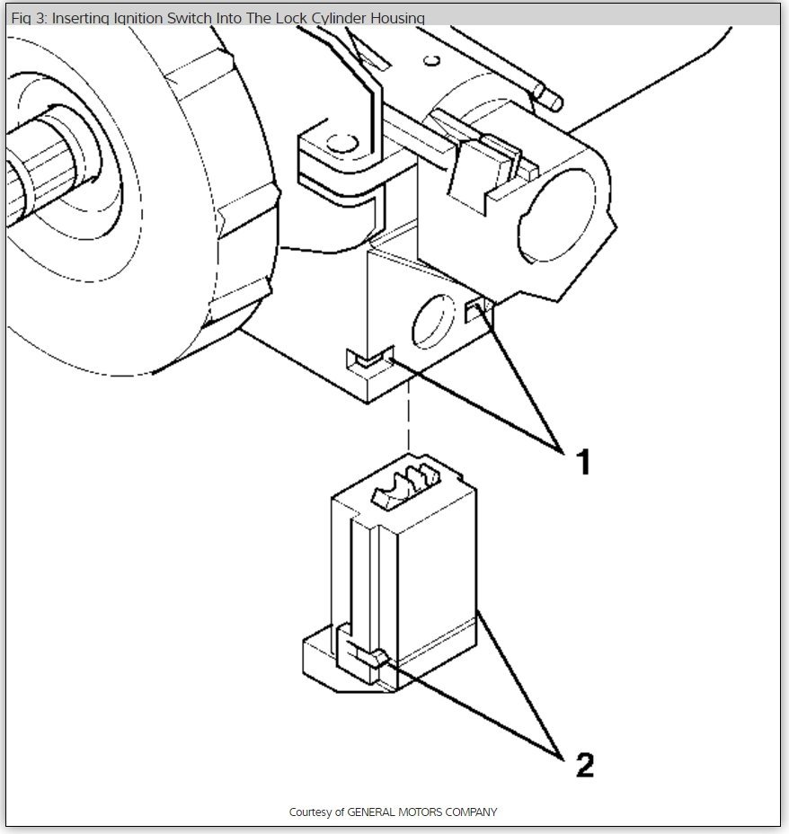
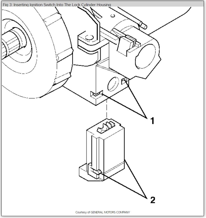
4. While holding the key in START, depress the Active Retainer with a hook pick or dental tool and pull the Ignition Lock Cylinder out.

Sometimes, when a wafer-tumbler in an ignition gets bent, the side bar will hang up in the ignition and cause problems.

Please let us know what happens so it will help others.

Cheers, Ken
Was this
answer
helpful?
Yes
No
Thursday, August 24th, 2017 AT 4:12 PM
Tiny
CHOCALATECITY2010
  • MEMBER
  • 1 POST
  • 2004 GMC ENVOY
Engine Mechanical problem
2004 GMC Envoy 6 cyl Four Wheel Drive Automatic N/A miles

MY KEY IS STUCK IN MY INGITION RUNNING MY BATTERY AND NOW ITS DEAD
Was this
answer
helpful?
Yes
No
Thursday, August 24th, 2017 AT 4:12 PM (Merged)
Tiny
MATHIASO
  • MECHANIC
  • 1,209 POSTS
Hello chocalatecity2010

The way to get your key out is to release the pressure off of the steering column. Turn your steering wheel in the opposite direction the tires are pointing. The pressure should release from the steering column and the key can be easily removed.
If this does not work, the shift lock control solenoid may not be working, and will require a trip to the dealer.
Was this
answer
helpful?
Yes
No
Thursday, August 24th, 2017 AT 4:12 PM (Merged)
Tiny
CHUCKAWUCKA
  • MEMBER
  • 1 POST
  • 2000 GMC ENVOY
  • 6 CYL
  • 4WD
  • AUTOMATIC
  • 125,000 MILES
Electrical problem
2000 GMC Envoy 6 cyl Four Wheel Drive Automatic 125000 miles

My son has a gmc that the key gets stuck in in the ignition from time to time. All he would do is let it sit for an hour or so and it would release itself. Last evening he came home from work and everything worked fine and when he used his remote starter to warm up the vehicle all was fine until he tried to drive it. The key will not come out of the ignition, but also will not start. The lights will come on, but the ignition does not engage.
Was this
answer
helpful?
Yes
No
Thursday, August 24th, 2017 AT 4:12 PM (Merged)
Tiny
MASTERTECHTIM
  • MECHANIC
  • 4,750 POSTS
I dont think its related to the remote starter. Id double check the ignition cylinder and or switch, both are common for failing. Hope this helps
Was this
answer
helpful?
Yes
No
Thursday, August 24th, 2017 AT 4:12 PM (Merged)
Tiny
JAMESG1982
  • MEMBER
  • 1 POST
  • 2002 GMC ENVOY
  • 6 CYL
  • AWD
  • AUTOMATIC
Key is stuck, battery dead, and try jumping and still won't start
Was this
answer
helpful?
Yes
No
+1
Thursday, August 24th, 2017 AT 4:12 PM (Merged)
Tiny
JACOBANDNICKOLAS
  • MECHANIC
  • 110,192 POSTS
If the key is stuck, try to lubericate the tumbler. As far as the no start, if your battery is completely dead, chances are you will not be able to jump it. Often times the distance of the jumpers cuts down too much power and the vehicle won't crank or will crank too slow. Another thought is this, even if the vehicle does start with jumping and your battery is completely dead, the alt will not keep it running and will not recharge a completely dead battery.

Remove your battery, fully charge it and have it load tested to make sure it is good. Most parts stores will do it for free. After that, it should crank the engine without jumping. Next, get a good lubericant from a parts store and spray it into the key tumbler and try working it to see if it releases the key.
Was this
answer
helpful?
Yes
No
Thursday, August 24th, 2017 AT 4:12 PM (Merged)

Please login or register to post a reply.