Tuesday, September 15th, 2009 AT 11:37 PM
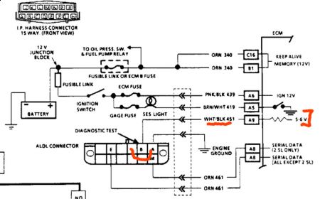
This truck has had the computer replaced with a new one(same prom) and it still doz this: high idle, pinging, dies check engine light is on and of the pinging is when you put your foot in it. And with the scanner reads no prob. Found. Can not get the light to blink code 12 if I could get the codes I could out of it then I could fix it HELP! And thanks. I cant afford to donate much to day.
