Saturday, August 8th, 2020 AT 7:37 AM
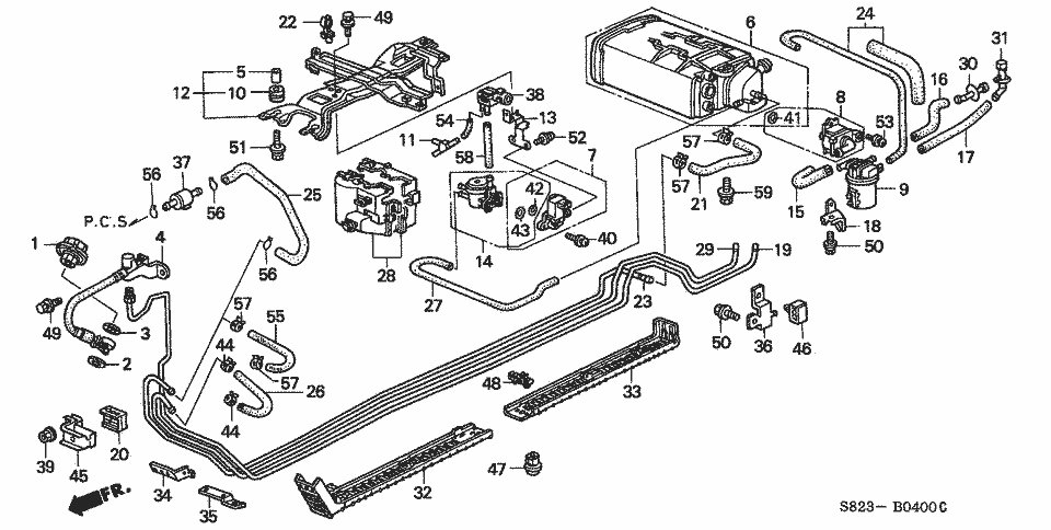
For the last week I've notice a gas odor coming from my car. I'm not sure if there's a leak because where I park my car, it's gravel/rocks. Someone looked underneath and thinks he saw slight dripping. Yesterday and today something new happened. I start my car, which starts right up. I go down my street (which is maybe 300 feet). After coming to a full stop at a stop sign, I step on the gas and nothing happens. It's like it's in neutral. After a few seconds it will slowly start to go until it's running normal again. At first I thought this was my transmission causing the problem until I remembered about the gas odor. One person suggested it could be the gas filter.


