Fuses and relays location also gauges

Tiny
#1SAINTSFAN
  • MEMBER
  • 2002 SAAB 9-5
  • 2.3L
  • 4 CYL
  • 2WD
  • MANUAL
  • 177,978 MILES
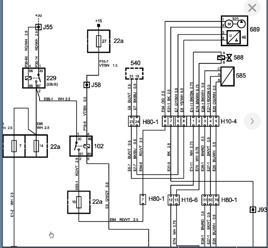
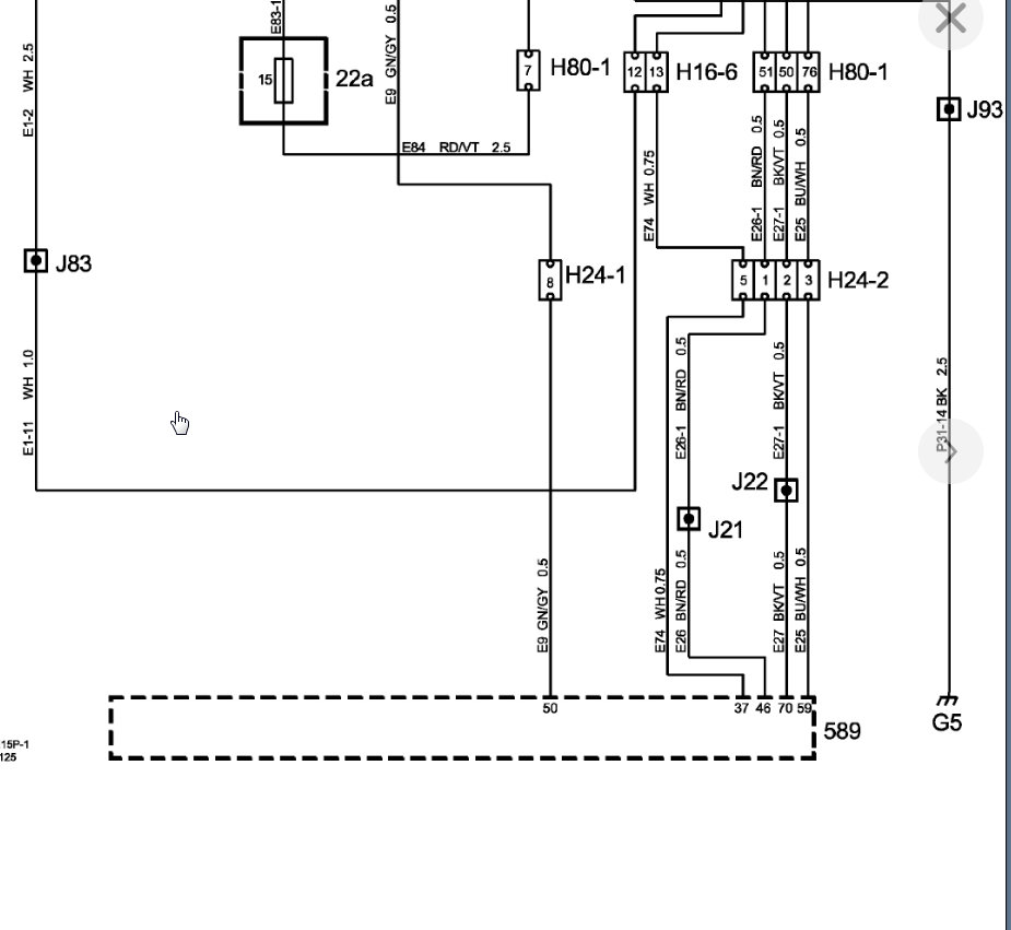
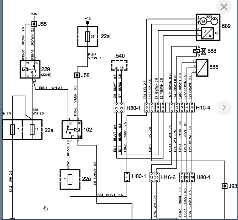
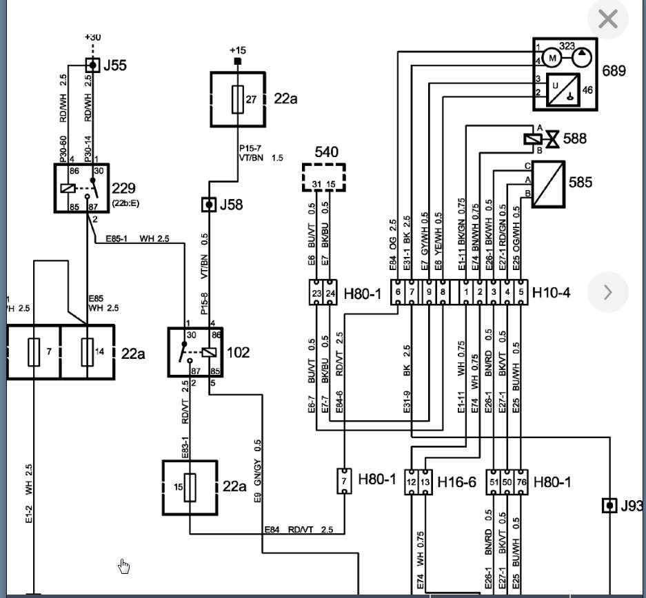
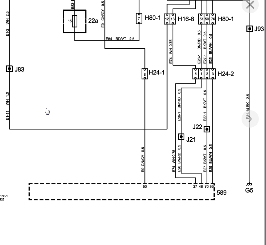
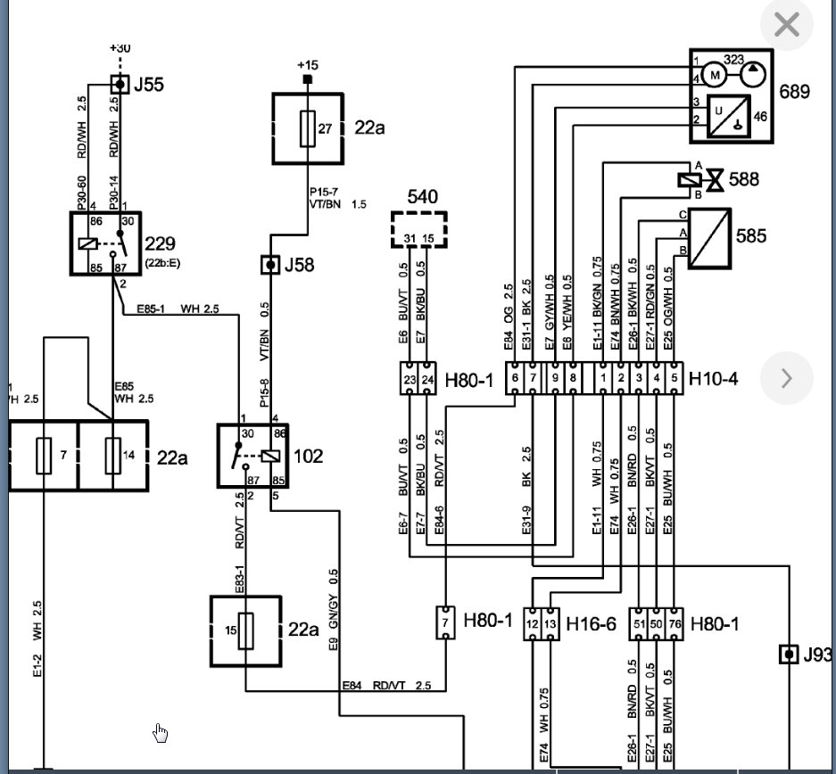
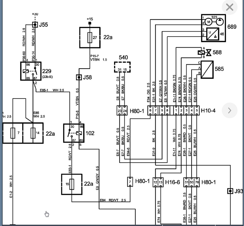
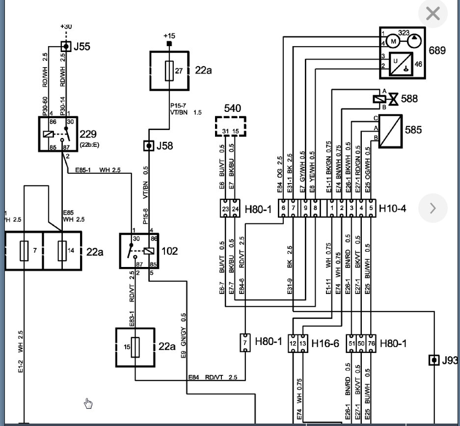
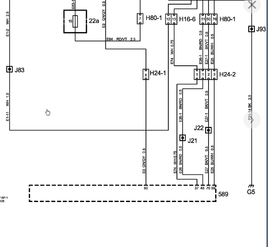
Trying to find out which fuse and relays govern the fuel system and locations.
Thursday, September 19th, 2019 AT 3:11 PM

1 Reply

Tiny
KASEKENNY
  • MECHANIC
  • 18,907 POSTS
Hi,

I attached the components of the fuel system. Unfortunately, they only have a diagram and the a description of where each are. It does not give a location view.

Let me know if this is not enough and I will see if I can find something via a Google search. Thanks
Was this
answer
helpful?
Yes
No
Thursday, September 19th, 2019 AT 6:30 PM

Please login or register to post a reply.