What do the em2 and em1 fuses go to?

Tiny
LINDSEYJGREGORY33
  • MEMBER
  • 1995 TOYOTA T-100
  • 3.4L
  • 6 CYL
  • 2WD
  • AUTOMATIC
  • 320,000 MILES
Em2 and em1 fuses?
Thursday, September 19th, 2024 AT 11:43 AM

1 Reply

Tiny
JACOBANDNICKOLAS
  • MECHANIC
  • 110,192 POSTS
Hi,

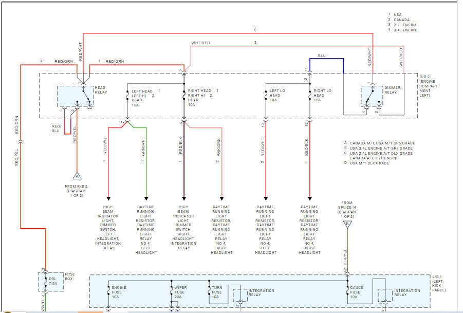
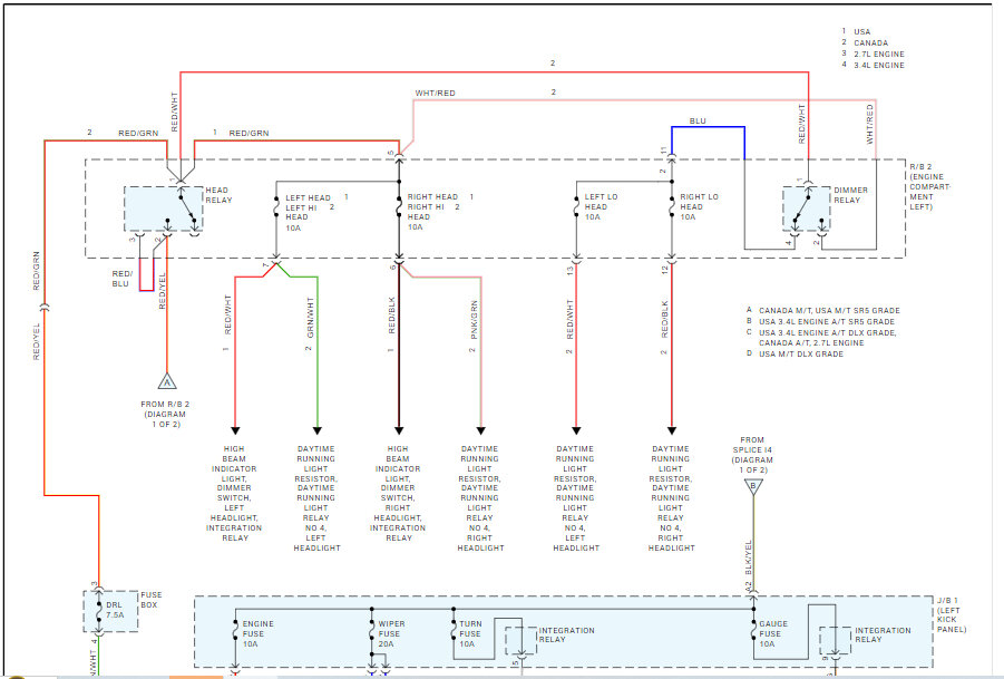
Are you referring to the AM1 and AM2 fuses located in the under-hood fuse / relay box? I not finding anything under EM1 or 2.

I attached the entire power distribution schematic below and highlighted the AM1 and AM2 fuses. The AM1 powers several things pre ignition switch. The AM2 goes directly to the ignition switch and then branches off in different directions.

Ultimately, both reach the ignition switch, but the AM1 powers several things before it reaches the switch. See schematic below.

Let me know if this helps or if you have questions.

Take care,

Joe

See pics below. Note the schematic was two pages long. I had to cut each page in half to make them readable. I did overlap them so you can follow from one to the next.
Was this
answer
helpful?
Yes
No
Thursday, September 19th, 2024 AT 7:15 PM

Please login or register to post a reply.