Windshield washer fuse location

Tiny
PALLOYD60
  • MEMBER
  • 2013 HYUNDAI SANTA FE
  • 4 CYL
  • 4WD
  • AUTOMATIC
  • 60,000 MILES
How to locate fuse for windshield washer system?
Monday, February 12th, 2018 AT 12:10 PM

3 Replies

Tiny
ASEMASTER6371
  • MECHANIC
  • 52,796 POSTS
Good afternoon.

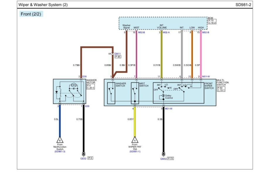
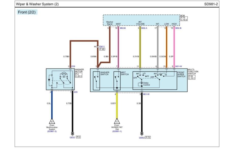
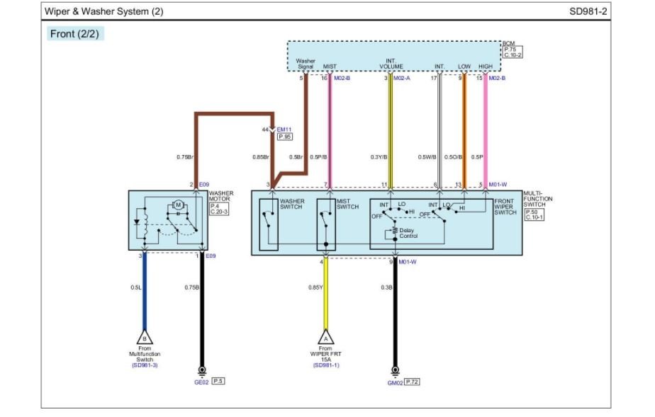
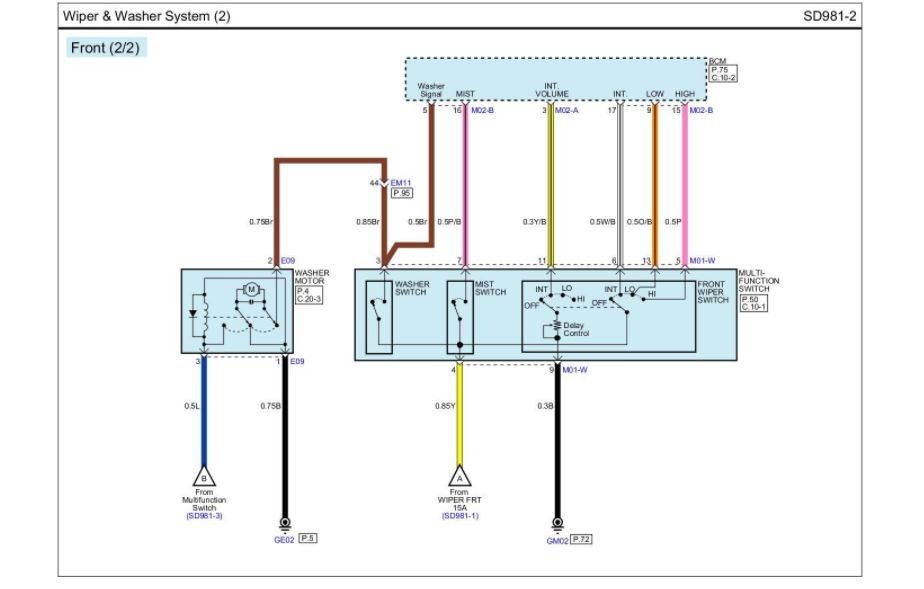
There is no fuse for this system. The power comes from the multi function switch and is monitored by the BCM.
Did you check for power to the motor?

Roy
Was this
answer
helpful?
Yes
No
-1
Monday, February 12th, 2018 AT 12:59 PM
Tiny
PALLOYD60
  • MEMBER
  • 2 POSTS
I cannot even see the washer pump let alone check for power, that will be after I pull a wheel and get the splash guards off, I hope. I was hoping it could have possibly been a fuse that I could not see. Your answer puts me in the right direction. I tried calling Hyundai service and I am still waiting for them to respond. So thanks, you have been a help.
Was this
answer
helpful?
Yes
No
Monday, February 12th, 2018 AT 1:24 PM
Tiny
ASEMASTER6371
  • MECHANIC
  • 52,796 POSTS
You are welcome. In most cases it is a failed motor. Even if the fuse is bad, they fail for a reason and that would be the cause, a bad washer motor.

Roy
Was this
answer
helpful?
Yes
No
+5
Monday, February 12th, 2018 AT 1:30 PM

Please login or register to post a reply.