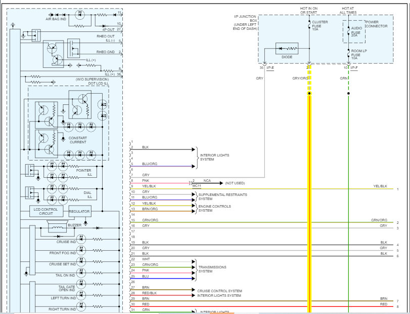
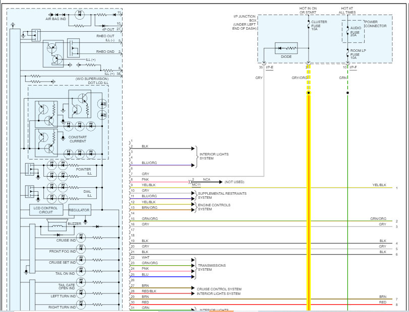
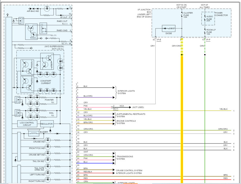
My 10 AMP fuse that is in the box under the dash keeps blowing. It is the "10A cluster" fuse. It controls the dash lights, A/C system and the seat temperature control. After a couple of trips to the shop, it was found that my aftermarket car starter was connected to that line and that was probably the reason why it was still blowing. So got the car starter removed and the fuse replaced. Now every once in a while, the fuse will blow but I have been able to just replace it on my own. The fuse has blown 2 times today and I have no idea why.
Wednesday, July 26th, 2023 AT 9:59 AM



