Fuse #33 blows immediately after being replaced

Tiny
AUTOTRONICS LLC
  • MEMBER
  • 2007 FORD TAURUS
  • 3.0L
  • V6
  • 2WD
  • AUTOMATIC
  • 150,000 MILES
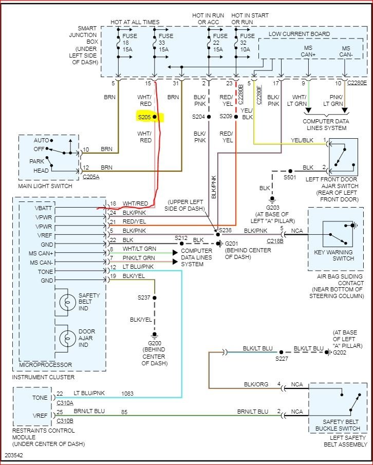
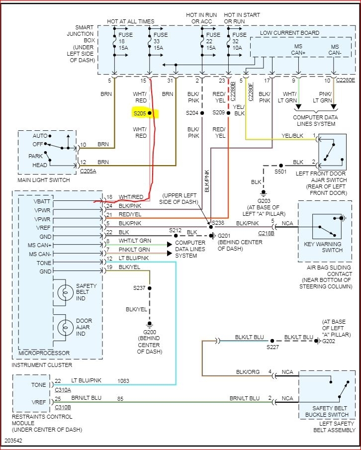
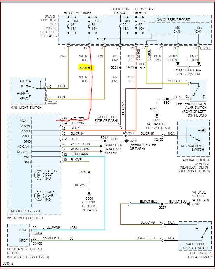
Fuse #33, responsible for the instrument cluster power, blows immediately after replacement. I'm thinking it's a short to ground condition. Where should I look first for wire damage?
Sunday, May 12th, 2019 AT 4:00 PM

1 Reply

Tiny
KASEKENNY
  • MECHANIC
  • 18,907 POSTS
Hi Autotronics,

You are correct. This is a straight power feed for the cluster. If it blows immediately then clearly the wiring is getting hot and the fuse pops. You can test the wire for a short to ground/power to confirm this.

The most likely cause is a faulty splice. Check S205 for a short to ground. However, if it were me and this is the only fuse that you have popping, I would just run a new wire from the fuse to the back of the cluster. This will eliminate a lot of searching. Plus once you cut the wire at both ends and run a new wire, you will eliminate any rub through by removing the power on the "bad" wire.

Of course once you do this, you will need to run the same power to the other items on that splice. Again, this is much easier then trying to trace wires to find it.
Was this
answer
helpful?
Yes
No
Sunday, May 12th, 2019 AT 5:30 PM

Please login or register to post a reply.