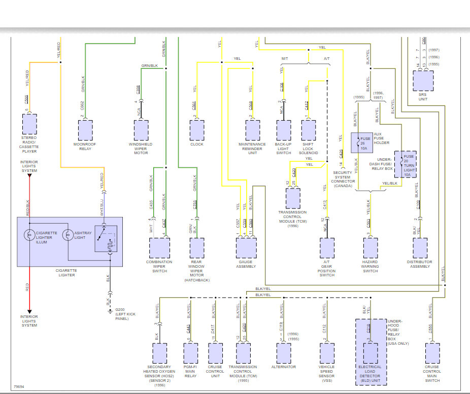
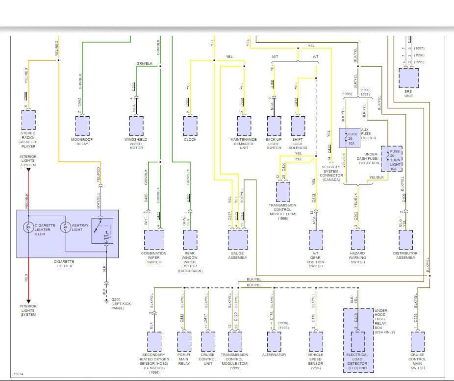
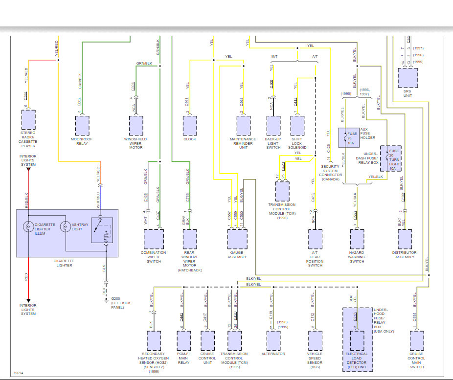
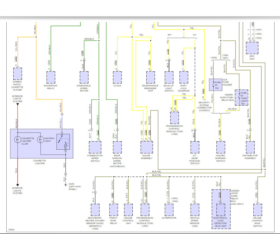
Saturday, September 8th, 2018 AT 4:42 PM
This fuse keeps blowing and I cannot figure out what it is. There is also fuse #12 that is not supposed to be used but my car will not run without a fuse in that slot. Help!




