Sunday, November 12th, 2023 AT 5:36 PM
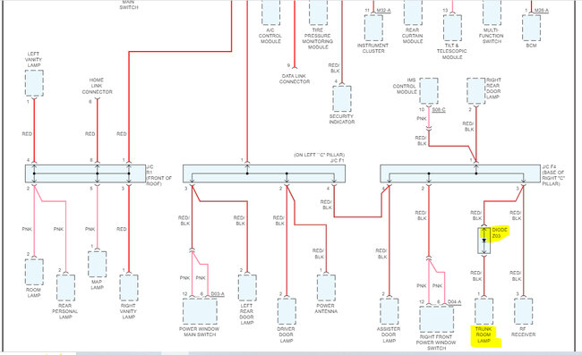
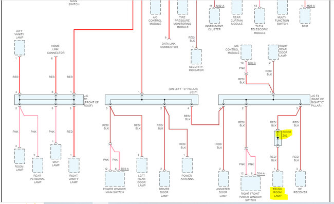
In the fuse panel inside the car there is a yellow thing that holds a 30amp fuse, then there is a funny looking white fuse, then there's a diode. Anyone know what the funky little fuse is and what it does and more importantly where I can get one of those?






