Monday, September 25th, 2023 AT 1:39 PM
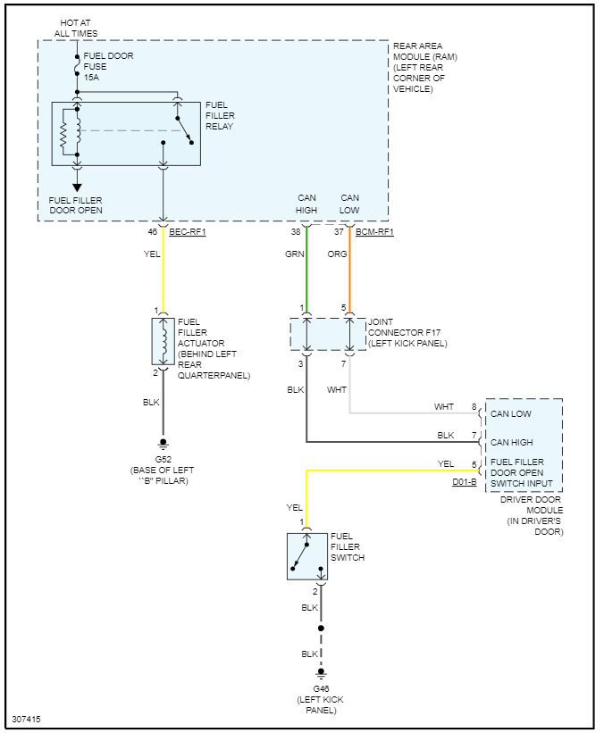
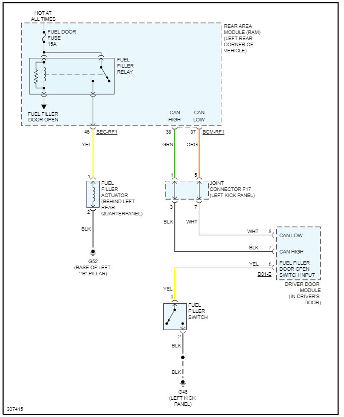
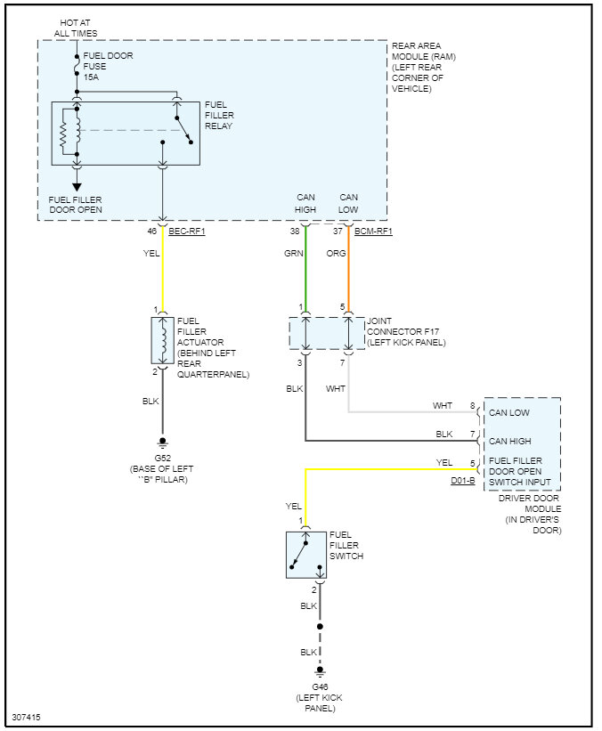
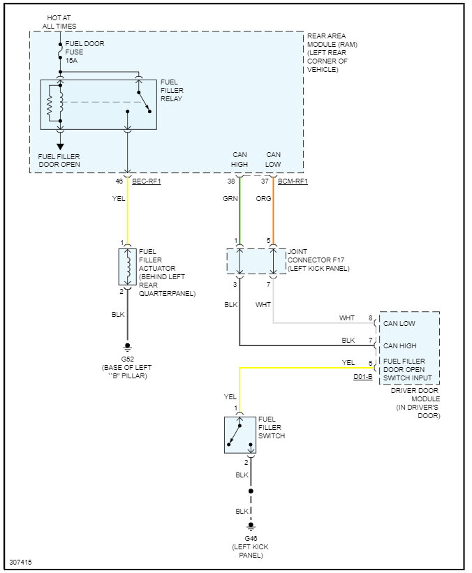
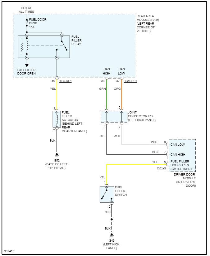
The interior button that releases the fuel door for refueling has broken. We cannot find a replacement part. It has literally fallen down inside the door. We can use the manual release pull in the trunk, but it's kind of inconvenient. LOL



