Friday, April 20th, 2018 AT 9:18 AM
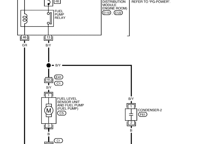
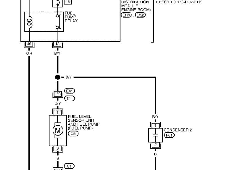
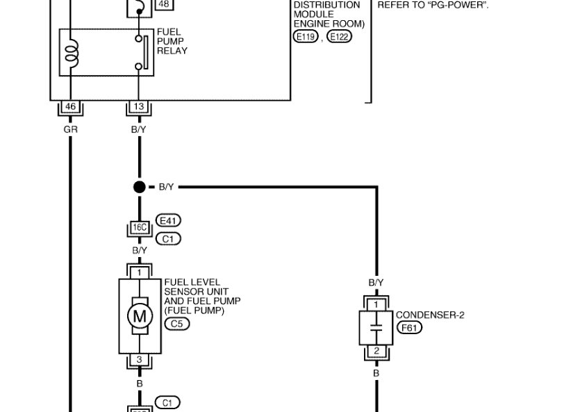
Pump will turn on but will not deliver fuel. I can run a hot wire to the pump and it will work. Installed new fuel pump new IPDM. All I can think is it is getting low voltage to the pump. What is is correct voltage for pump to work?


