Fuel pump not priming?

Tiny
TSECRIST
  • MEMBER
  • 2009 HYUNDAI AZERA
  • 3.3L
  • V6
  • 2WD
  • AUTOMATIC
  • 200,000 MILES
When I turn the key to the on position, the fuel pump does not turn on. The fuse is good, the relay has been replaced. I got a socket tester, and I am able to inject power to the pump and make it run, so my problem is on the control side.

Without the key, I have 12v at pin 30 and at pin 85.
Pin 86 and 87 are open, no ground no power.

When I turn the key to on, I still have 12v at 30 but pin 85, 86 and 87 are all open, no power, no ground.

when I go to start, I still have power at pin 30 but now pin 86 is grounded and pin 85 and 87 are open, no power, no ground.
Sunday, November 26th, 2023 AT 3:57 PM

1 Reply

Tiny
JACOBANDNICKOLAS
  • MECHANIC
  • 110,192 POSTS
Hi,

It sounds like you know what you are doing. Just in case, I'm going to explain how this works.

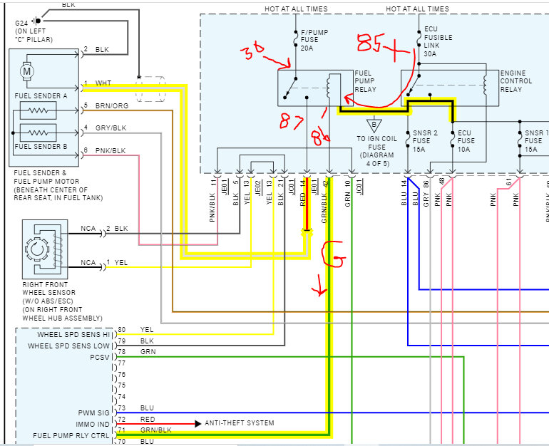
The relay has a primary side (pins 85 and 86) and a secondary side (pins 30 and 87). For the relay to work, power is sent to Pin 30 and is fused by the fuel pump fuse. It has power at all times, as you mentioned. When the relay is energized, power runs from pin 85 through the primary side to a ground provided by the ECU via pin 86.

Once the primary is energized, the switch closes in the relay, and power then is able to run from pin 30 to pin 87 and then to the fuel pump.

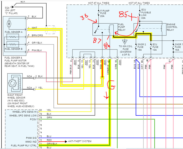
I attached a pic from the wiring schematic below. Here is where I'm getting confused. According to the schematic, the primary side (pin 85) should only get power when the engine control relay is activated. But you said there is power present with the key out and no power with it on. That is the opposite of what I would expect. However, if you have a weak connection or fusible link, maybe it can't handle the power draw. So make sure the link is good and all connections at the relay are good.

Next, when the key is on, you have ground to pin 86. That is exactly what should be happening. That is what completes the primary side, but without power from the ECU relay (pin 85), the relay isn't actuated.

Okay, now that I likely gave you a headache, I think we need to check the ECU relay's function. Something is preventing it from sending power to the fuel pump relay primary. Both relays are in the fuse/relay box under the hood. Switch the ECU relay with a different one having the same part number and see if that makes a difference. If it doesn't, it sounds like there is an issue within the fuse box itself. However, I suspect it has something to do with that relay.

Let me know what you find or if you have other questions.

Take care,

Joe

See pics below. I highlighted the relevant wiring in pic 1. I marked the pins with the numbers. Note where the power is coming from for pin 85.
Was this
answer
helpful?
Yes
No
Sunday, November 26th, 2023 AT 5:48 PM

Please login or register to post a reply.