Tuesday, August 20th, 2013 AT 9:45 AM
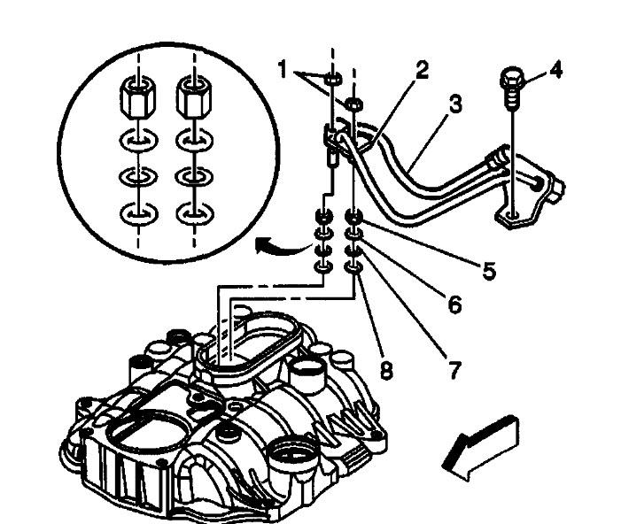
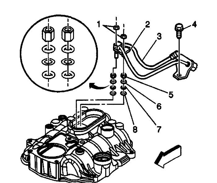
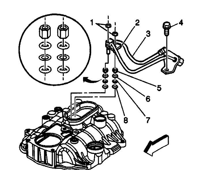
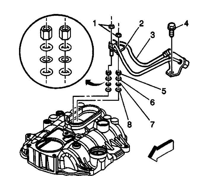
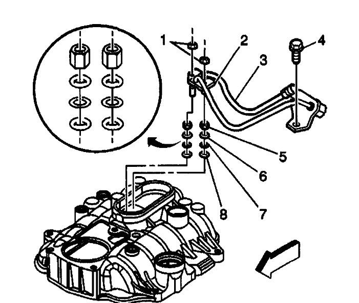
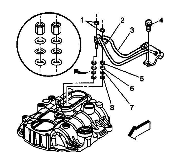
This vehicle is a four wheel drive 4.3 liter Vortec engine. I have a fuel leak where the two fuel lines go into the intake. It first started out with a fuel smell and hissing sound and a little fuel and now is getting worse. From the internet I have seen that it could be an o-ring issue so as it has been shown thus-far, one takes the two bolts lose and pulls the bracket off holding the lines securely. Then on that line should be a sleeve, o-ring, washer, another o-ring. Well, with mine you pull the fuel lines out and the sleeve and o-rings are stuck inside the whatever it is called. I called the dealer to check on this and they said it may not be the o-rings and it may be (thanks GM illustrious engineers) inside the intake. How would I get the sleeves and o-rings out? They seem to be stuck, as they did not come out attached to the fuel line like I saw on an online video. Is there a special tool to pull these sleeves out? When I pull up an down on the fuel lines, they move easily with no resistance, so I am suspecting the o-rings before a several hundred dollar job to remove the intake cover. A tight seal around the fuel line would be met with some resistance when trying to move that fuel line, correct? Any help is greatly appreciated. Oh, and the dealer tells me there is only one o-ring per line, where anywhere else I see two and a sleeve. Thanks.

