Front Suspension

Tiny
BASILHOFFMAN
  • MEMBER
  • 2004 LINCOLN NAVIGATOR
  • 90,000 MILES
What does the term "front suspension" refer to? Thank you.
Tuesday, May 24th, 2016 AT 7:18 AM

2 Replies

Tiny
HMAC300
  • MECHANIC
  • 48,601 POSTS
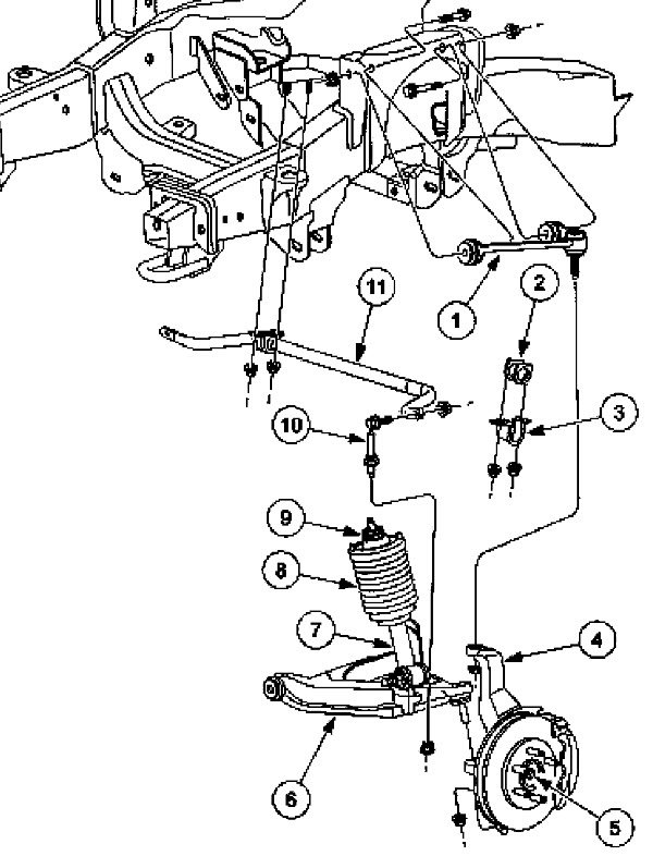
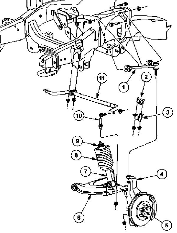
Pretty much the whole front end of car like; wheels, steering linkage, shocks ball joints etc. All the items in the picture with the exclusion of frame.
Was this
answer
helpful?
Yes
No
Tuesday, May 24th, 2016 AT 12:28 PM
Tiny
MAXIMILIAM
  • ADMIN
  • 436 POSTS
Thank you.

Basil Hoffman
Was this
answer
helpful?
Yes
No
Tuesday, May 24th, 2016 AT 10:28 PM

Please login or register to post a reply.