Front SAM wiring diagrams needed?

Tiny
SPEEDRACER33
  • MEMBER
  • 2012 MERCEDES BENZ R350
  • 3.0L
  • 6 CYL
  • 4WD
  • AUTOMATIC
  • 306,000 MILES
I recently found a swimming pool in the battery compartment of a '12 R350 CDI. I removed about 3L of water from there - which was coming in from the fresh air intake in the right front engine bay area - thanks to someone not installing all 3 nuts that secure the cowling. Thankfully, the brains at MB thought this was also the best area to mount an unprotected piece of electronics - the front SAM. I have a number of things that were going haywire, most of which have been resolved, but a couple of circuits are still screwy. The washer pump is still running continuously (when connected), the RF lower LED light still flickers (improvement, as both sides were flickering and the headlights were also randomly working/not working), and perhaps other things that I haven't noticed.
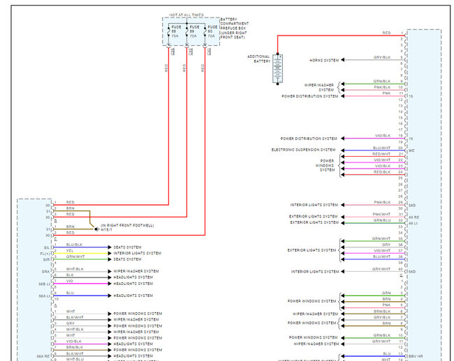
I am looking for the wiring diagram of the front SAM that shows the connectors so I can try and track these circuits down and make sure there are no other wiring faults. The water level was about halfway up the bottom connectors, so some things definitely shorted out. I was able to determine that the washer pump is on the 'D' connector. 'A' and 'D' were immersed in water. Also, does anyone know if an ML SAM would be plug and play or should I expect options differences and SDS programming? They have the same part number.
Monday, April 8th, 2024 AT 8:15 AM

3 Replies

Tiny
KEN L
  • MASTER CERTIFIED MECHANIC
  • 55,090 POSTS
Yep, water is not good for these computer modules, here is the wiring diagrams for the front SAM as requested, I would try a plug and play to see if it-self learns which I believe it does because there is no security system involved (rear SAM carries the security system). Here is additional information that I can find as well. Check out the images (below). Let us know if you need anything else.
Was this
answer
helpful?
Yes
No
Monday, April 8th, 2024 AT 11:13 AM
Tiny
SPEEDRACER33
  • MEMBER
  • 4 POSTS
Thanks for this. This is great. Do you by any chance have the wiring for the ones labelled 'headlight system' and 'wiper/washer system'?
Was this
answer
helpful?
Yes
No
+1
Monday, April 8th, 2024 AT 12:47 PM
Tiny
KEN L
  • MASTER CERTIFIED MECHANIC
  • 55,090 POSTS
You are welcome, can you create a new post for the additional system you need please?
Was this
answer
helpful?
Yes
No
Tuesday, April 9th, 2024 AT 9:39 AM

Please login or register to post a reply.