hook up trailer lights?

1995 FORD RANGER
195,000 MILES • 4 CYL • 2WD • MANUAL
Avatar
MEANORJR
  • MEMBER
  • 1 POST
How do you hook up trailer lights to this vehichle?
Jul 31, 2008 at 9:59 PM
Advertisement
Repair Safety Notice: This information is for general instructional purposes only. Vehicle repair can be dangerous. Verify all information, follow manufacturer service procedures, use proper tools and safety equipment, and consult a qualified repair shop when needed.
Avatar
JACOBANDNICKOLAS
  • AUTOMOTIVE REPAIR CONTRIBUTOR
  • 110,190 POSTS
Hi,

There are a couple of options when doing this. First, there is a basic setup where only the brake lights, signals, and parking lights. Also, there is a set up for those plus an electric brake.

In most cases, unless you are hauling a heavy load, the basic wiring is what is needed.

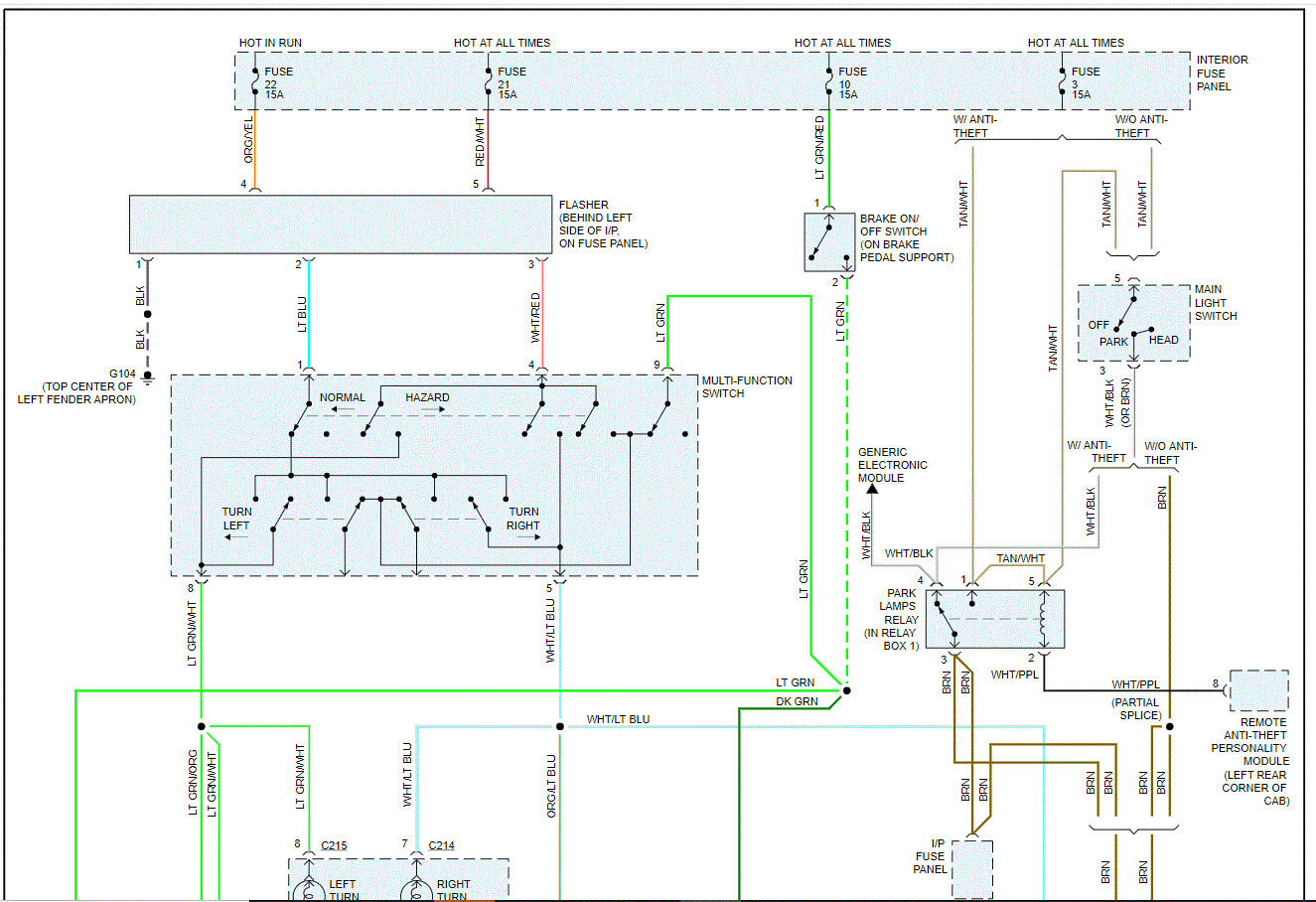
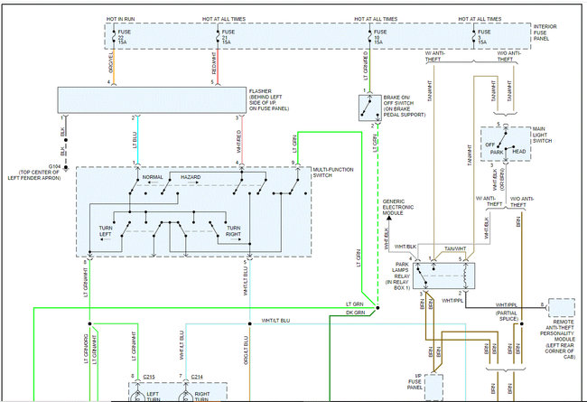
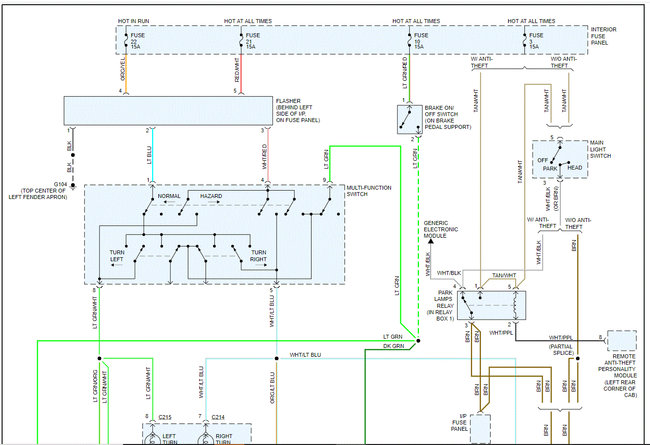
Most trailers follow a standard wiring color coding for each function, white is ground, brown is the parking lights, yellow is the left signal, and green is the right signal. What you need to do is first purchase the trailer plug wiring harness. I attached a pic below of what I'm referring to.

Next, pic 2 is to help guide you for what each wire does. Note pic 2 shows a female plug. Normally, that is the one that wires to the car. Pic 1 is the end for the trailer.

We have two options at this point, first, you can get just the wiring and splice it into the vehicle's harness (reason for the schematic), or Reese makes a plug-in connector where you unplug the wiring to the taillights, plug one end of their unit into the supply in the truck's harness, and the other end gets plugged into the tail lite end of the harness. Basically, the component is plugged in between the two connectors. The part number is 74424.

Now, if you look at pics 3 and 4, I attached the wiring schematic for your vehicle and highlighted the wires you need to locate in your harness. What you need to do is locate the wire colors in the schematic for the different functions and attach that wire to the color wire in the plug that will perform the correct function. I recommend soldering the harness in to the system, using shrink tubing to protect it, and then tape for added protection. However, a good butt connector will also work.

Let me know if this helps or if you have other questions.

Take care,

Joe

See pics below.
Sep 19, 2021 at 7:45 PM