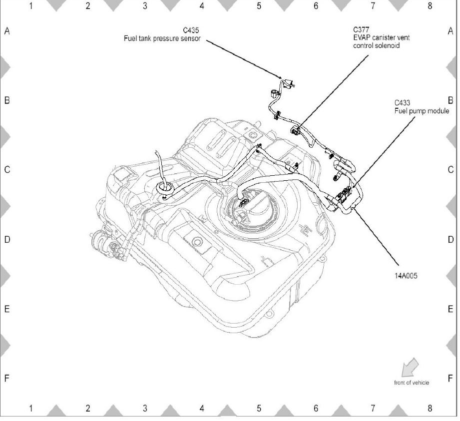
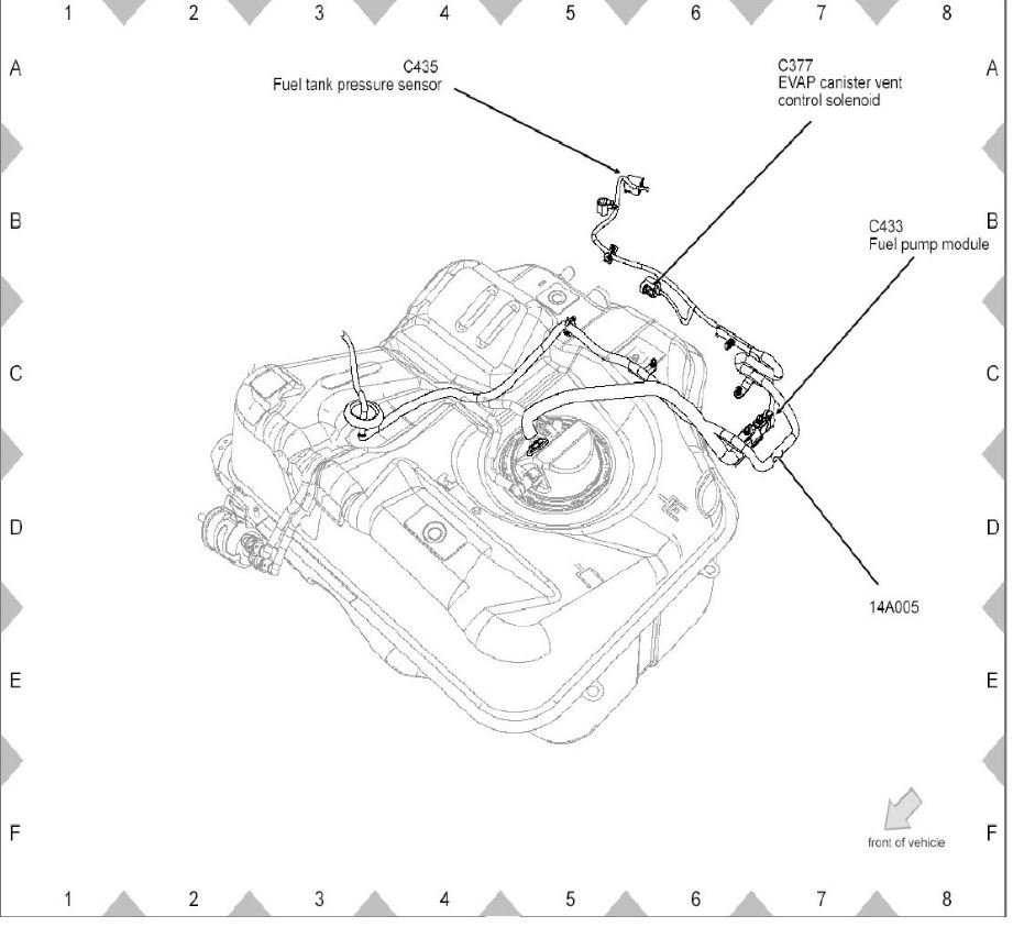
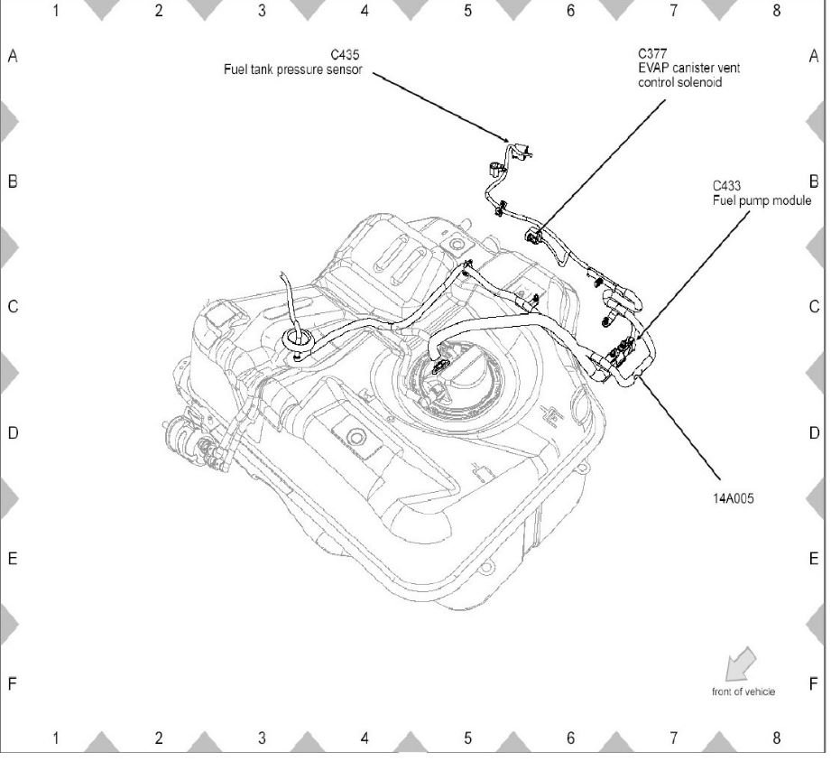
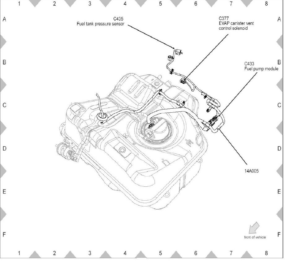
Some of this guide you can do, some you cant, but this is a visual inspection, look for any restriction in the filler pipe, and kinked or crushed hoses in the EVAP system, use this guide:
PINPOINT TEST A: SLOW TO FILL A1 CARRY OUT INSPECTION AND VERIFICATION à   Carry out inspection and verification. à   Was the cause of the concern found? YES : REPAIR or INSTALL new components to correct the concern. NO : Go to A2. A2 CHECK THE SYSTEM FOR ANY EVAP DTCs à   Connect the scan tool. à   Check the system for any of the following EVAP DTCs: P0446, P0451, P0452, P0453, P0454, P1443, P1450, P1451 and P260F. à   Are any of these DTCs present? YES : REFER to Introduction - Gasoline Engines article to diagnosis the EVAP system. NO : Go to A3. A3 MONITOR THE FUEL TANK PRESSURE (FTP) WHILE FILLING THE FUEL TANK à   Monitor the FTP reference value while filling the fuel tank. Refer to Introduction - Gasoline Engines article. à   Is FTP within specification? YES : Go to A5. NO : Go to A4. A4 MONITOR THE FTP WHILE FILLING THE FUEL TANK WITH THE EVAP SYSTEM DISCONNECTED à   Disconnect the fuel tank-to-EVAP canister quick connect coupling at the EVAP canister. Refer to Quick Connect Coupling . à   Monitor the FTP reference value while filling the fuel tank. Refer to Introduction - Gasoline Engines article. à   Is FTP within specification? YES : INSPECT the EVAP system for blockage or restrictions. REPAIR the blockage or restriction. If the restriction or blockage cannot be repaired, INSTALL new EVAP system components. NO : Go to A5. A5 CHECK THE FUEL TANK FILLER PIPE ASSEMBLY FOR BLOCKAGE OR RESTRICTION à   Remove the fuel tank filler pipe assembly. Refer to FUEL TANK AND LINES article. à   Inspect the fuel tank filler pipe and fuel tank filler pipe fresh air hose or recirculation tube (if equipped) for a blockage or restriction. à   Is the fuel tank filler pipe or fuel tank filler pipe fresh air hose or recirculation tube (if equipped) blocked or restricted? YES : If possible, REPAIR the blockage or restriction. If the blockage or restriction cannot be repaired, INSTALL a new fuel tank filler pipe. REFER to FUEL TANK ANDLINES article. NO : Go to A6. A6 CHECK THE FUEL TANK INLET CHECK VALVE à   Inspect the fuel tank inlet check valve for restriction or sticking. à   Is the fuel tank inlet check valve restricted or sticking? YES : If possible, REPAIR the restriction. If the restriction cannot be repaired, INSTALL a new fuel tank. REFER to FUEL TANK AND LINES article. NO : INSTALL a new fuel tank. REFER to FUEL TANK AND LINES article.
4/29/2010 ...
The fuel system consists of: à   a mechanical returnless fuel system. à   a standard fuel tank. à   fuel, vapor and brake tubes in an integrated bundle assembly attached to the underside of the vehicle by retaining clips. à   a fuel filter. à   a 1/4 turn-type fuel tank filler cap. à   an inertia fuel shutoff (IFS) switch. à   a fuel pump (FP) module containing: à † an electric FP, which provides pressurized fuel to the fuel rail. à † a serviceable fuel level sender. à † a check valve, which maintains system pressure after the FP is shut off. à † a pressure relief valve for overpressure protection in the event of restricted fuel flow. à   a fuel tank filler pipe containing: à † a recirculation tube. à † a fresh air hose. à † a restrictor plate to permit only unleaded fuel to be pumped into the tank. The fuel tank filler pipe cannot be modified in any way. The vehicle is equipped with electronic multiport fuel injection that is supplied by a mechanical returnless fuel system.




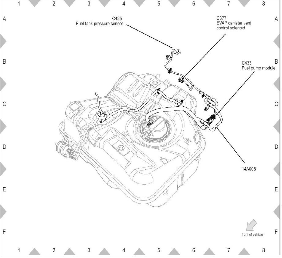
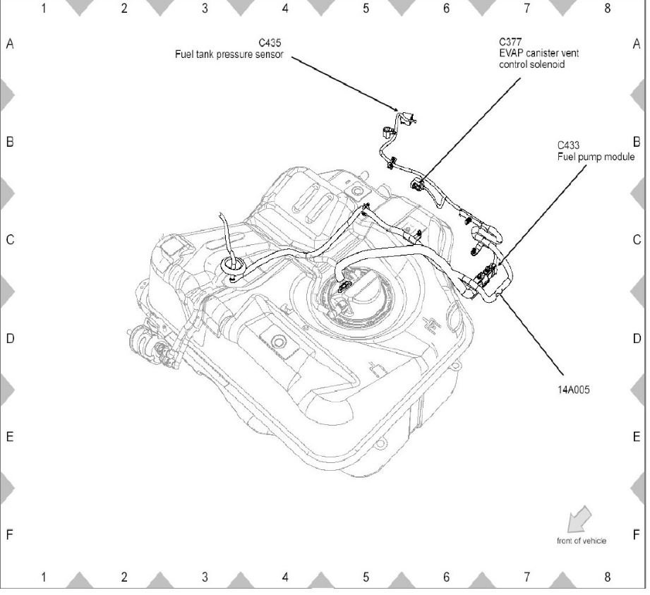
See the diagram below for clearer picture of location
Image (Click to make bigger)
Thursday, April 29th, 2010 AT 2:04 PM