Radio turned on by itself?

Tiny
REGUNO201
  • MEMBER
  • 2004 FORD FOCUS
  • 4 CYL
  • FWD
  • AUTOMATIC
  • 120,000 MILES
Hi, I was away on vacation, all the doors and rear hatch of the wagon were open. One of the rear door was closed and the radio started, turned on by itself. The key was in my pocked and I was about 30 feet away. I walked up to the car, played with the volume and it worked. I then inserted the key in the ignition and started the car, as normal the radio turns of until the engine started then it turned on again. I have not been able to duplicate the incident and I am worried that there is a short in the system.
What could it be?
thank you
Tuesday, June 30th, 2009 AT 5:14 PM

1 Reply

Tiny
SNOOP11
  • MEMBER
  • 3 POSTS
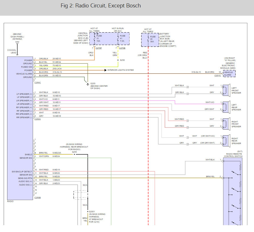
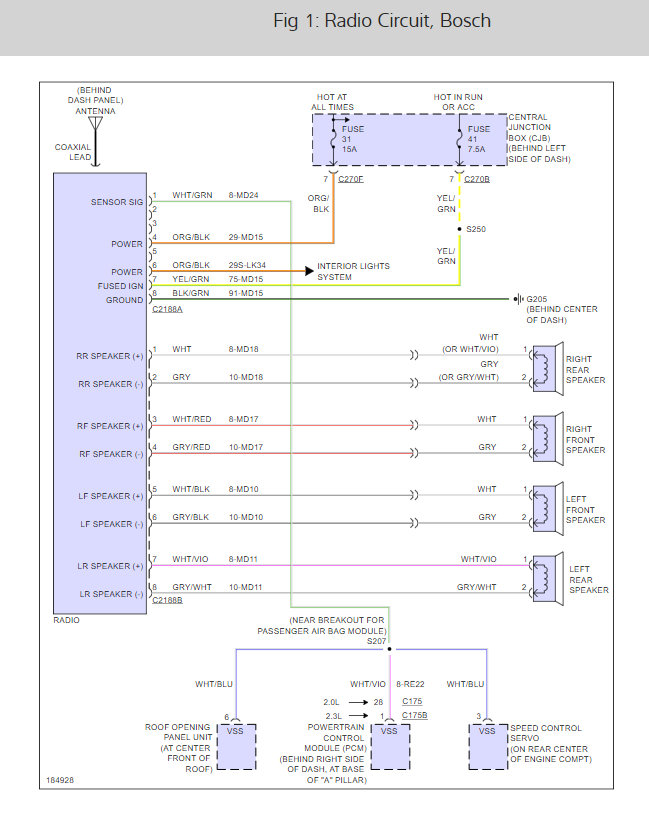
This sounds like a one time glitch which was done by the radio. I would disconnect the battery for 20 minutes and then reconnect it. This should reboot the system. If it does it again I would look at the radio electrical connector for corrosion. Here is the radio wiring diagrams so you can see how the system works. Check out the diagrams (Below). Please let us know what happens.

Cheers
Was this
answer
helpful?
Yes
No
Tuesday, July 14th, 2009 AT 3:48 PM

Please login or register to post a reply.