i have ford flex 2011 Limited. And unfourtnaly after 10 years now it's start overheating.
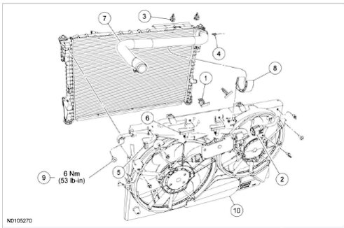
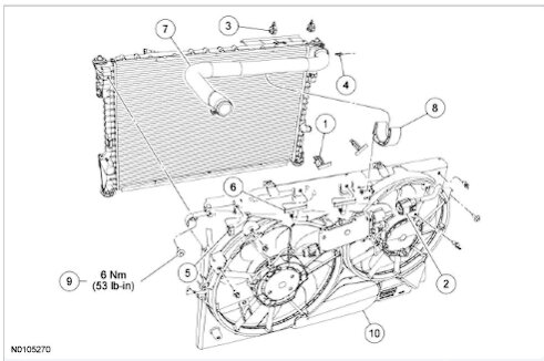
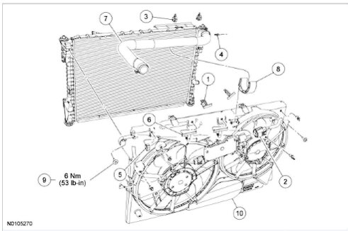
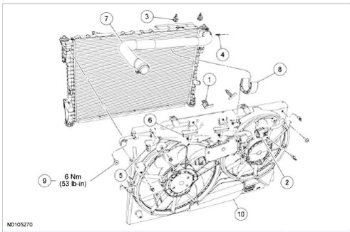
i changed the thermostat even that the old one is good as new and I replacesd WATER COOLANT ANTIFREEZ and I bought a new Radiator Fan Assembly with Cooling Fan Control Module(made in taiwan) from a company called dorman the reason why I didn't bought the orignal one because ford dealership told me the car is 10+ years old and I had to wait one month or more.
.
the issue is the fans sometimes stop running and then out of no where running again and that cuase the overheating. One more thing I notice that the fans when I leave the car off overnight and use it on the morning and use the AC the fans run without stopping and the issue come when I use the car for a long ride
i'm in suadi arabia and it's really gets hot here like +40c
and I cant even open the hood without getting sting from the heat.
i read that it might be the Coolant Temperature Sensor that cause fans sometimes not running
I dont want to be hasty to change it because I think the job for it, it will be expensive because the location of the Coolant Temperature Sensor
sorry for my bad english
Sunday, June 25th, 2023 AT 7:01 AM


