HOME
ASK A QUESTION
REPAIR GUIDES
BECOME A MEMBER
LOG IN
Login with Facebook
OR
Remember me
NOT A MEMBER?
FORGOT PASSWORD?
CONTACT US
PRIVACY POLICY
TERMS AND CONDITIONS
☰
Home
Ford
F-150
General
1999 Ford F-150 short in the system
MONOH
MEMBER
1999 FORD F-150
V8
2WD
AUTOMATIC
199,999 MILES
I have put in a new alternater still wont keep charge
Sunday, June 6th, 2010 AT 10:47 PM
1 Reply
RASMATAZ
MECHANIC
75,992 POSTS
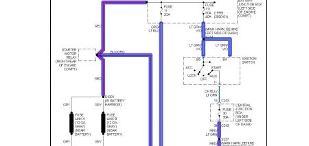
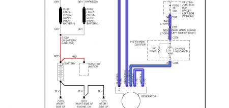
Get the alternator and battery load tested if okay test wiring and all fuses as you see below
Was this
answer
helpful?
Yes
No
Sunday, June 6th, 2010 AT 11:44 PM
Please
login
or
register
to post a reply.
Related General Content
GUIDE
Inquire Here
Ask a Car Question. It's Free!
Rebuilt or Refurbished?
Ten Questions to Ask a Repair Shop
Avoiding Car Repair Fraud