Scan it for codes if P0463 pops up, this is for you! It's a tech bulliten on erratic fuel gauge operation, and here's what you need done!
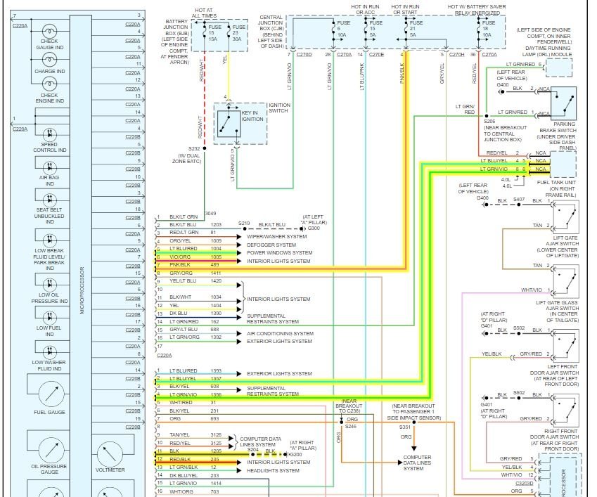
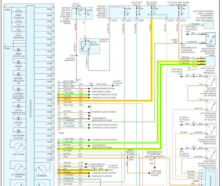
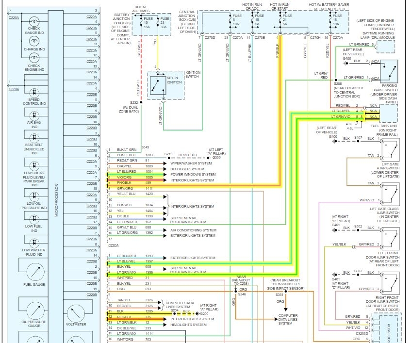
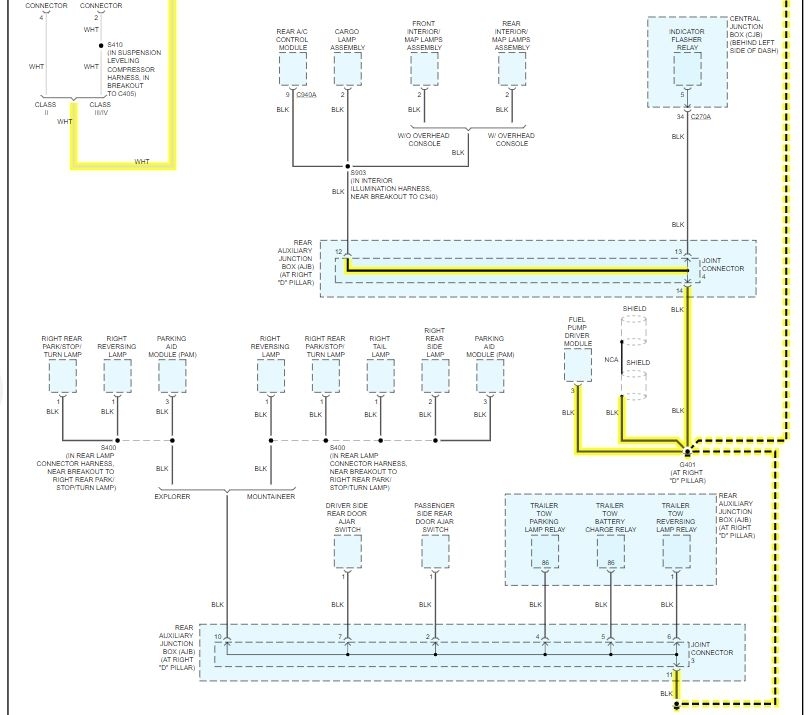
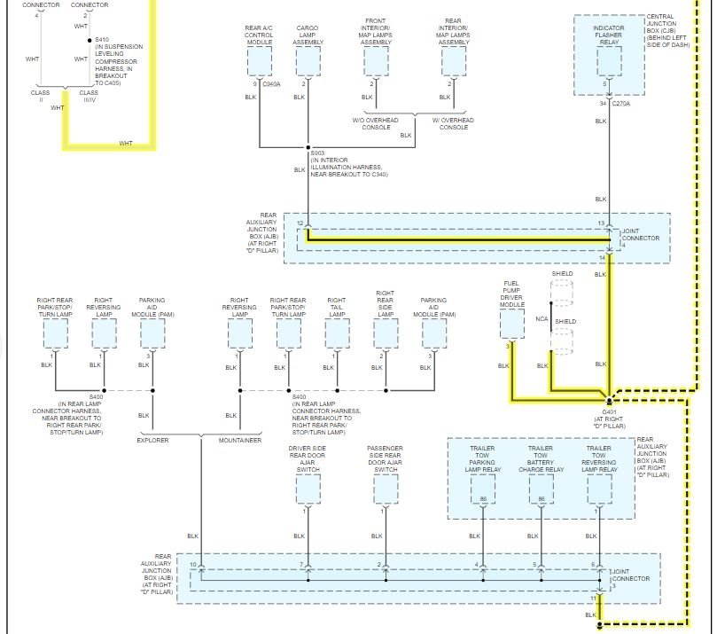
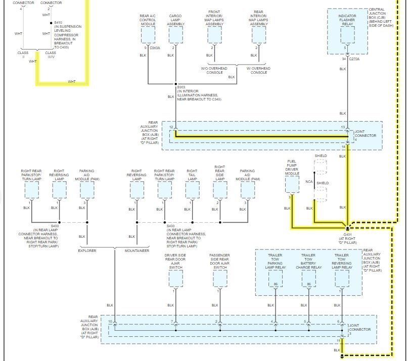
MIL ON WITH DTC P0463 OR ERRATIC FUEL GAUGE OPERATION TECHNICAL SERVICE BULLETIN Reference Number(s): 06-17-10, Â Date of Issue: Â September 4, 2006 Superceded Bulletin(s): 06-16-7, Â Date of Issue: Â August 21, 2006 Related Ref Number(s): 06-16-7, 06-17-10 ARTICLE BEGINNING ISSUE Some 2004-2007 Explorer 4dr/Mountaineer vehicles may exhibit the malfunction indicator lamp (MIL) on with diagnostic trouble code (DTC) P0463 or an erratic fuel gauge concern. This could be from sulphur contamination in the fuel, causing an open or high resistance on the fuel sender card. ACTION Follow the Service Procedure steps to correct the condition. SERVICE PROCEDURE 1. For vehicles with customer symptom of erratic fuel gauge operation (with no MIL on), proceed to Step 1a. For vehicles with a customer symptom including the MIL on, proceed to Step 1b. If unable to verify the concern, do not continue with this TSB. a. Follow the appropriate pinpoint test (PPT) for "Fuel Gauge Inaccurate" in Workshop Manual (WSM), Section 413-01. If PPT test results lead to fuel pump module replacement, proceed to Step 2. If PPT test results isolate any problem other than fuel pump module replacement, repair as indicated and do not continue with this TSB. b. Install diagnostic scan tool to retrieve DTCs. If DTC P0463 is retrieved, proceed to Step 2. If DTC P0463 is not retrieved, this TSB does not apply, follow normal WSM diagnostics. 2. Remove fuel tank per WSM, Section 310-01. 3. Remove fuel pump assembly from fuel tank per WSM, Section 310-01. See Figure 1 (Chart) to determine if a kit (contains a fuel level sensor assembly, a wire harness and heat shrink tube) or fuel pump assembly is required for repair. For vehicles that can be serviced with a kit go to Step 4. For vehicles that require fuel pump assembly replacement, go to Step 12. Fig. 1: Fuel Sender Repair Kit/Pump Application Chart 4. Remove the fuel level sensor assembly (sender card/float rod assembly) from the fuel pump assembly per WSM, Section 310-01. FORD: 2004-2007 Explorer MERCURY: 2004-2007 Mountaineer NOTE: This article supersedes TSB 06-16-7 to update the Service Procedure. Page 1 of 3 MIL ON WITH DTC P0463 OR ERRATIC FUEL GAUGE OPERATION -2005 Ford Ex...5. Detach electrical connector from fuel pump housing (Fig. 2 ). Fig. 2: Electrical Connector On Fuel Pump Housing 6. Remove wiring harness from the fuel pump assembly flange by depressing the retaining fingers on the harness connector at bottom of flange and pushing upward out of flange (Fig. 3 ). Fig. 3: Removing Wiring Harness From Fuel Pump 7. Install new wiring harness by feeding wires through flange hole and inserting harness connector into flange until an audible click is heard. Check for proper retention. 8. Reattach electrical connector harness to fuel pump housing. Prior to making the connection, place one loop in the pump wires away from the convoluted feed tube (Fig. 4 ). Fig. 4: Reattaching Electrical Connector Harness To Fuel Pump Housing 9. Reattach the signal wire (yellow) on the harness to the signal wire (yellow) on the replacement fuel level sensor assembly per WSM, Section 310-01 (Fig. 5 ). Fig. 5: Reattaching Signal Wire 10. Wrap the ground wire one time around the signal wire and attach the ground wire terminal to the terminal on the fuel level sensor assembly. Check for proper retention. 11. Reattach the fuel level sensor assembly to the fuel pump housing, making sure that both the signal wire and the ground wire are routed through the gap between the fuel level sensor assembly and fuel pump bracket. Torque the fastener at the bottom of the fuel level sensor assembly to 1 N.m (9 lb-in). 12. Reinstall fuel pump assembly into fuel tank per WSM, Section 310-01. 13. Reinstall fuel tank per WSM, Section 310-01. PARTS INFORMATION
NOTE: THE GROUND WIRE MUST BE WRAPPED AROUND THE SIGNAL WIRE, AS DESCRIBED IN STEP 10, TO PREVENT POTENTIAL INTERFERENCE WITH THE FLOAT ROD ARM. NOTE: TAKE CARE NOT TO DAMAGE/BEND FLOAT ROD OR SENDER CARD DURING INSTALLATION OF FUEL PUMP ASSEMBLY.




Sunday, June 28th, 2009 AT 9:36 AM