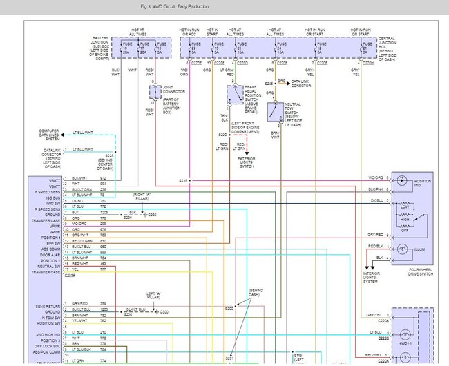
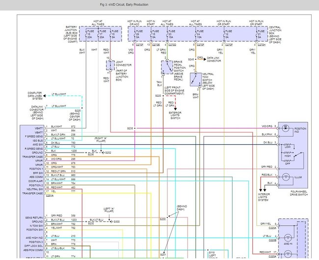
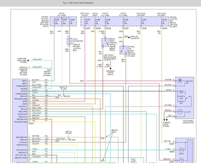
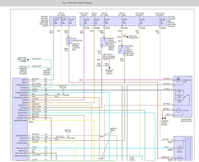
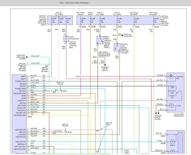
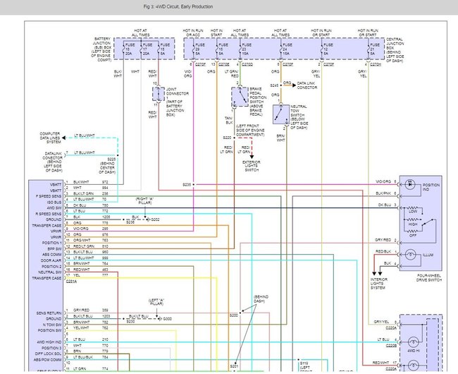
When this first started dash 4x4 light would flicker but now never lights. Bucks when turning for different distances until disengages on own. May or may not go to 4x4 again while running errands.
Only does this after being parked, not while running. Cannot disengage with dash buttons.
New speed sensor installed due to code # P1836. No change, still same problem.
Vehicle is 5 speed manual, 4.0L
Thank you for your time.
Thursday, January 7th, 2010 AT 10:40 PM






