Here is what I could get for you. If you run into trouble, let me know.
1.Raise and safely support the front of the vehicle, block the rear wheels and apply the parking brake.
2.Start the engine then rotate the steering wheel from lock-to-lock and record the number of rotations.
3.Divide the number of rotations by two. This gives the number of rotations to achieve true center of the steering. Turn the wheel in one direction to the full lock.
4.Turn the wheel in the opposite direction the number of turns equal to true steering (lock-to-lock number divided by two).
WARNING
Do not rotate the steering wheel when the shaft is disconnected from the steering gear as damage to the clock spring could occur.
5.Remove the bolt retaining the lower steering column shaft to the steering gear input shaft and disconnect the two.
6.Remove the stabilizer bar.
Fig. Fig. 1: View of the power steering hose connections for the power rack and pinion steering gear
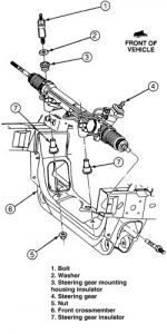
Fig. Fig. 2: Exploded view of the power rack and pinion steering gear mounting
7.Unscrew the quick-connect fittings for the power steering pressure and return hoses at the steering gear housing.
8.Plug the ends of the lines and the fitting in the rack to avoid dirt contamination.
9.Remove the two nuts securing the power steering cooler and remove the cooler.
10.Remove the outer tie rod ends.
11.Remove the two nuts, bolts and washer assemblies retaining the steering gear housing to the front crossmember.
To install:
12.Position the steering gear to the front crossmember and install the nuts, bolts and washer assemblies. Tighten to 94-127 ft. lbs. (128-11 Nm).
13.Install the power steering cooler and two retaining bolts.
14.Connect the power steering lines to the steering gear housing and tighten the fittings to 20-25 ft. lbs. (27-34 Nm).
15.Install the outer tie rod ends.
16.Ensure that the steering shaft or gear input shaft has not been rotated, then connect the two.
17.Install the intermediate shaft-to-steering input shaft retaining (pinch) bolt and tighten to 30-42 ft. lbs. (41-56 Nm).
18.Lower the vehicle and refill the power steering pump reservoir.
19.Bleed the air from the power steering system. Follow the procedures in this Section.
20.Ensure that there are no leaks and the fluid is maintained at the proper level.
21.Have the alignment checked and adjusted by a professional repair shop.

Saturday, July 10th, 2010 AT 12:33 AM