Code P0727

Tiny
GIGISULAMANIDZE1
  • MEMBER
  • 2010 FORD ESCAPE HYBRID
  • 2.5L
  • 4 CYL
  • 2WD
  • 125,699 MILES
Hello, I bought this vehicle. It starts but only in hybrid mod and gas engine won’t start. There is code P0727 Engine Speed Input Circuit No Signal.

Crank sensor is bad? Or harness problem also where is speed sensor located?
Thursday, September 5th, 2019 AT 1:49 PM

4 Replies

Tiny
KASEKENNY
  • MECHANIC
  • 18,907 POSTS
Hi,

This is the most likely cause. However, it could be wiring, TCM, PCM.

If you want to go ahead and try the crank that will cut down on diag time if the guess is correct. However, at this point it is just a guess.

I attached the diag procedure for you to follow if you would like to confirm what the issue is first.

Let me know what you find or if you have questions and we can go from there. Thanks
Was this
answer
helpful?
Yes
No
Thursday, September 5th, 2019 AT 5:23 PM
Tiny
GIGISULAMANIDZE1
  • MEMBER
  • 88 POSTS
Hello, today I installed new transmission now it won't start. Now showing DTC: p1260- P1260 FORD - Theft Detected - Vehicle Immobilized.
Was this
answer
helpful?
Yes
No
Saturday, September 7th, 2019 AT 5:42 AM
Tiny
KASEKENNY
  • MECHANIC
  • 18,907 POSTS
Okay. This is most likely because you unhooked the battery or you have a power or ground issue to the PCM/TCM. I would attempt to program your keys first and then go from there because that is easier than testing for power and ground.

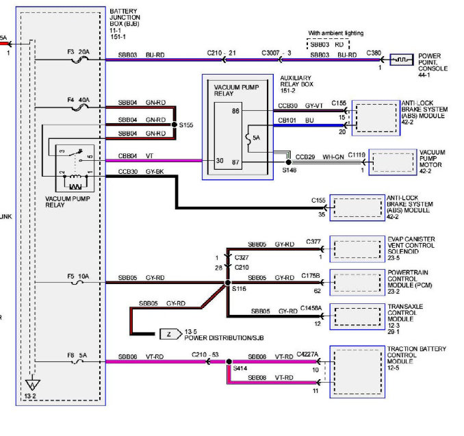
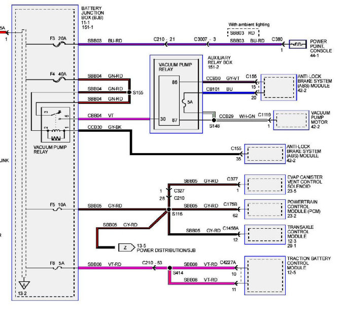
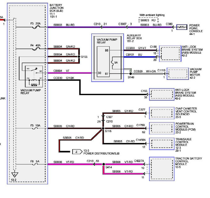
However, based on your original issue it could be a wiring issue to the PCM or TCM as I stated originally. Clearly I would not go here first. I would make sure the keys are programmed but if they are, then you will need to make sure both the PCM and TCM have 12 volts on each of the power circuits and then each of the grounds for the modules are good. Please refer to the wiring diagrams. The PCM has three grounds but they all splice together to one location G107. Not only could the ground nut be loose but the individual terminal in the PCM could be the issue. The TCM has two grounds but again, they go to the same location of G106.
Was this
answer
helpful?
Yes
No
Saturday, September 7th, 2019 AT 9:40 AM
Tiny
GIGISULAMANIDZE1
  • MEMBER
  • 88 POSTS
There is an ECU inside the transmission that needs to be programmed with the VIN it's a theft deterrent. Part of the pats system, you need to have access to Fords IDS to program it or another decent scan tool.
Was this
answer
helpful?
Yes
No
Monday, February 24th, 2020 AT 11:37 AM

Please login or register to post a reply.